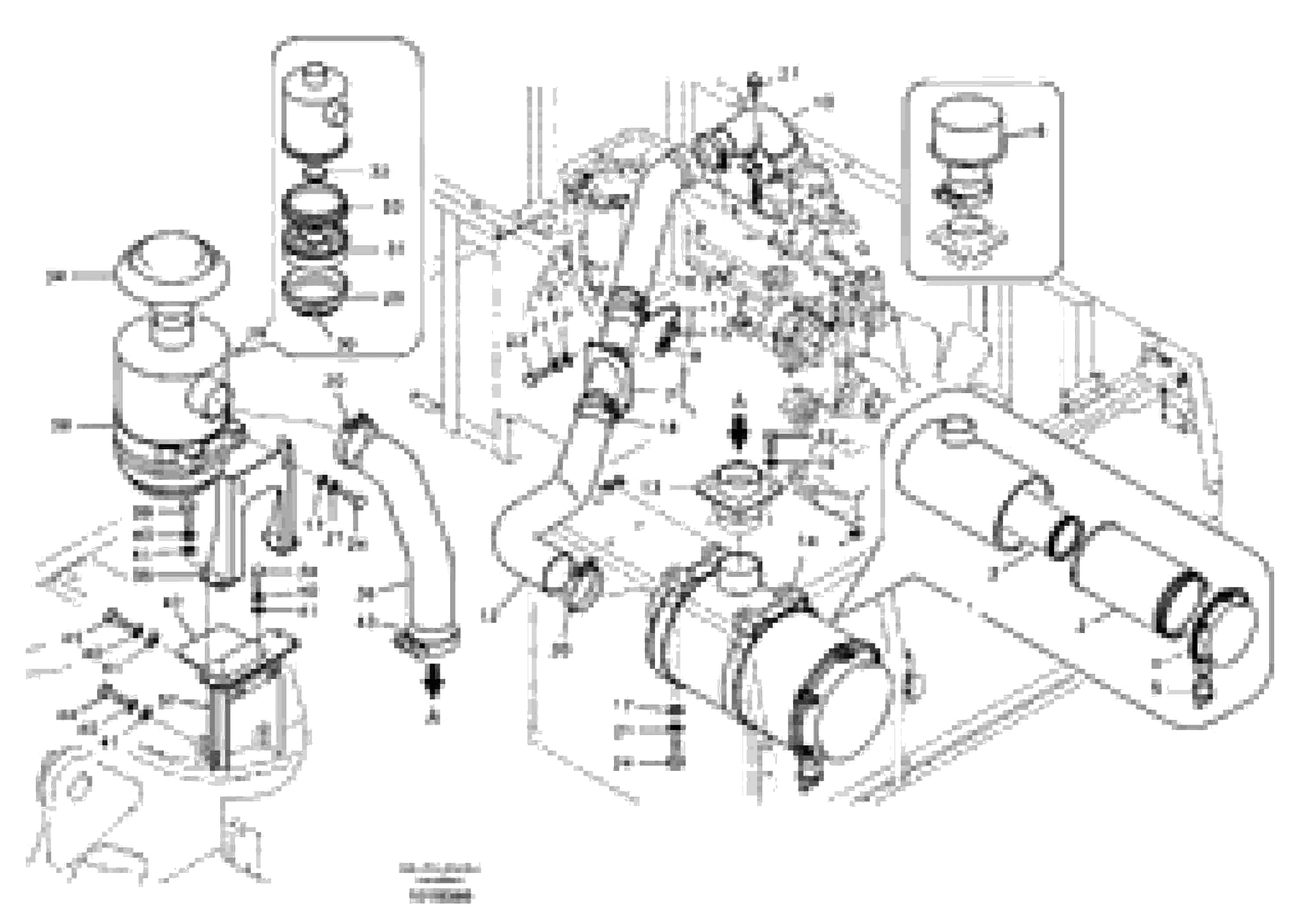
Запчасти Volvo EC290B 76543 Система впуска EC290B SER NO INT 13562- EU & NA 80001-

Схема запчастей Volvo EC290B - 76543 Система впуска EC290B SER NO INT 13562- EU & NA 80001-
FIT
1:1
100%

Артикул

Название

Примечание

Количество

VOE 946173

Flange screw

1шт.

VOE 946173

Flange screw

1шт.

VOE 14881077

Impeller

1шт.

VOE 14571145

Соединитель

1шт.

VOE 20565673

Vacuum switch

SER NO 13840-

1шт.

VOE 20565673

Vacuum switch

SER NO 13840-

1шт.

VOE 11110213

Крышка

1шт.

VOE 11110213

Крышка

1шт.

VOE 14521814

Кронштейн

SER NO 11067-

1шт.

VOE 14526930

Pre-cleaner

SER NO 11133-

1шт.

VOE 14526930

Pre-cleaner

SER NO 11133-

1шт.

VOE 978934

Винт шестигранник

SER NO 11877-

1шт.

VOE 978934

Винт шестигранник

SER NO 11877-

1шт.

VOE 14881080

Зажим

1шт.

1

VOE 14509449

Air cleaner

1шт.

10

VOE 14516974

Трубка

1шт.

11

VOE 949800

Шланг

1шт.

11

VOE 949800

Шланг

1шт.

12

VOE 14509443

Шланг

1шт.

13

VOE 14509446

Соединитель

1шт.

14

SA 2013-00510

Зажим

1шт.

15

VOE 70314102

Vacuum switch

AIR

1шт.

15

VOE 70314102

Vacuum switch

AIR

1шт.

16

SA 9211-08000

Шайба

1шт.

16

SA 9211-08000

Шайба

1шт.

17

SA 9211-10000

Шайба

1шт.

17

SA 9211-10000

Шайба

1шт.

18

SA 9313-10425

Зажим

1шт.

18

SA 9313-10425

Clamping band

1шт.

19

SA 9312-10500

Зажим

1шт.

19

SA 9312-10500

Screw clamp

1шт.

2

VOE 11110022

Фильтр воздушный

1шт.

2

VOE 11110022

Фильтр воздушный

1шт.

20

SA 9313-10525

Зажим

1шт.

20

SA 9313-10525

Clamping band

1шт.

21

VOE 955922

Шайба пружинная

1шт.

21

VOE 955922

Шайба пружинная

1шт.

22

VOE 983242

Винт шестигранник

1шт.

22

VOE 983242

Болт

1шт.

23

VOE 983251

Винт шестигранник

1шт.

23

VOE 983251

Винт шестигранник

1шт.

24

VOE 983252

Винт шестигранник

1шт.

24

VOE 983252

Винт шестигранник

1шт.

25

VOE 14516943

Кронштейн

SER NO 10001-11066

1шт.

26

VOE 946671

Flange screw

1шт.

26

VOE 946671

Flange screw

1шт.

27

VOE 946173

Flange screw

1шт.

27

VOE 946173

Flange screw

1шт.

28

VOE 4880805

Фильтр воздушный

1шт.

28

VOE 4880805

Фильтр воздушный

1шт.

29

VOE 6212135

Oil reservoir

1шт.

29

VOE 6212135

Oil reservoir

1шт.

3

VOE 11110023

Safety filter

1шт.

30

VOE 6634778

Latch

1шт.

30

VOE 6634778

Latch

1шт.

31

VOE 6212136

Insert

1шт.

31

VOE 6212136

Insert

1шт.

32

VOE 6212282

Кольцо уплотнительное

1шт.

32

VOE 6212282

Кольцо уплотнительное

1шт.

33

VOE 6212283

Кольцо уплотнительное

1шт.

33

VOE 6212283

Кольцо уплотнительное

1шт.

34

VOE 11707307

Крышка

1шт.

34

VOE 11707307

Крышка

1шт.

35

VOE 14520264

Кронштейн

1шт.

35

VOE 14520264

Кронштейн

1шт.

36

VOE 14520269

Шланг

1шт.

37

VOE 14554003

Bracket

1шт.

37

VOE 14554003

Кронштейн

1шт.

38

VOE 14554000

Зажим

1шт.

38

VOE 14554000

Зажим

1шт.

39

VOE 978933

Винт шестигранник

1шт.

39

VOE 978933

Винт шестигранник

1шт.

4

VOE 14513672

Крышка

1шт.

40

VOE 955923

Шайба пружинная

1шт.

40

VOE 955923

Шайба пружинная

1шт.

41

SA 9211-12000

Шайба

1шт.

41

SA 9211-12000

Шайба

1шт.

42

VOE 14512892

Пластина

1шт.

43

SA 9313-10475

Зажим

1шт.

43

SA 9313-10475

Clamping band

1шт.

44

VOE 978934

Винт шестигранник

1шт.

44

VOE 978934

Винт шестигранник

1шт.

45

VOE 978933

Винт шестигранник

SER NO 10001-11876

1шт.

45

VOE 978933

Винт шестигранник

SER NO 10001-11876

1шт.

5

VOE 11701952

Valve

1шт.

5

VOE 11701952

Клапан

1шт.

6

VOE 14526930

Pre-cleaner

SER NO 10001-11132

1шт.

6

VOE 14526930

Pre-cleaner

SER NO 10001-11132

1шт.

7

VOE 14501331

Трубка

1шт.

8

VOE 14506431

Соединитель

1шт.

8

VOE 14506431

Соединитель

1шт.

9

VOE 14506558

Шланг

1шт.

Выбрано товаров: 92