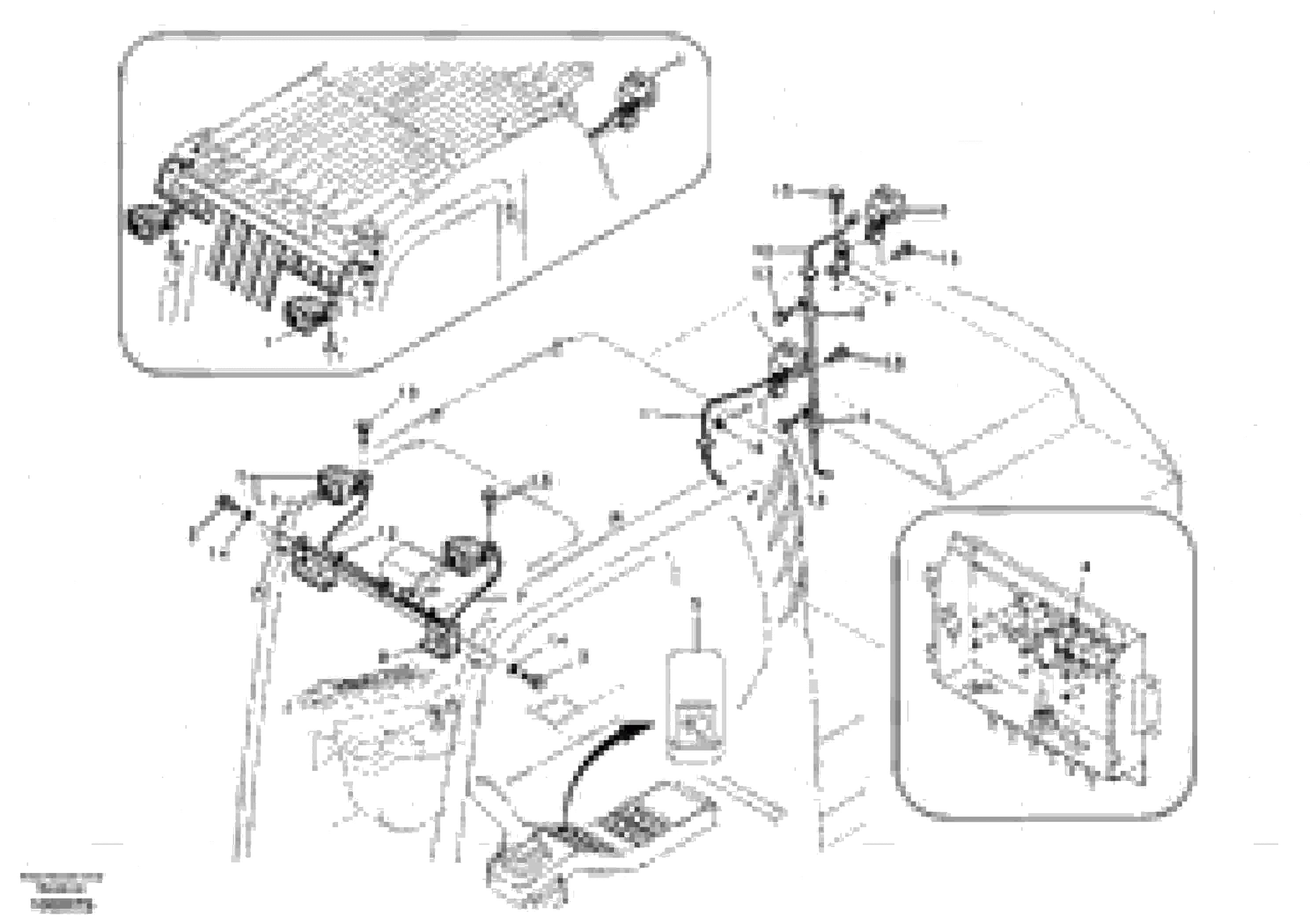
Запчасти Volvo EC290B 61820 Work lights, extra EC290B

Схема запчастей Volvo EC290B - 61820 Work lights, extra EC290B
FIT
1:1
100%

Артикул

Название

Примечание

Количество

VOE 946441

Flange screw

SER NO 10061-

1шт.

VOE 946441

Flange screw

SER NO 10061-

1шт.

SA 1123-01900

Реле

SER NO 10001-10951

1шт.

VOE 20374662

Реле

SER NO 10952-

1шт.

VOE 946471

Flange screw

SER NO 10061-

1шт.

VOE 946471

Flange screw

SER NO 10061-

1шт.

1

VOE 11039846

Фара

1шт.

1

VOE 11039846

Фара

1шт.

10

VOE 14514373

Cable harness

EXTRA LAMP EXT

1шт.

10

VOE 14514373

Cable harness

EXTRA LAMP EXT

1шт.

11

VOE 14514378

Wire harness

FRT EXTRA

1шт.

12

SA 9314-02100

Strip clamp

1шт.

12

SA 9314-02100

Strip clamp

1шт.

13

VOE 946471

Flange screw

SER NO 10001-10060

1шт.

13

VOE 946471

Flange screw

SER NO 10001-10060

1шт.

14

VOE 955922

Шайба пружинная

1шт.

14

VOE 955922

Шайба пружинная

1шт.

15

VOE 965191

Болт

1шт.

15

VOE 965191

Flange screw

1шт.

16

VOE 983304

Hexagon nut

1шт.

16

VOE 983304

Hexagon nut

1шт.

2

SA 1122-01240

Bulb

24V, 70W

1шт.

3

VOE 946471

Flange screw

SER NO 10001-10060

1шт.

3

VOE 946471

Flange screw

SER NO 10001-10060

1шт.

4

SA 1123-00290

Реле

SER NO 10001-10951

1шт.

5

VOE 14529229

Переключатель

EXTRA LAMP

1шт.

6

VOE 14500292

Скоба (хомут)

1шт.

6

VOE 14500292

Скоба (хомут)

1шт.

7

VOE 14508662

Cable harness

FRT EXTRA

1шт.

7

VOE 14508662

Cable harness

FRT EXTRA

1шт.

8

VOE 14511538

Кронштейн

1шт.

9

VOE 14514007

Кронштейн

1шт.

Выбрано товаров: 32