Запчасти Volvo EC290C 97472 Ковш EC290C

Схема запчастей Volvo EC290C - 97472 Ковш EC290C
FIT
1:1
100%

Артикул

Название

Примечание

Количество

VOE 14528392

Ковш

1шт.

VOE 14528392

Ковш

1шт.

VOE 14540731

Тарелка клапана

1шт.

VOE 14540731

Тарелка клапана

1шт.

VOE 14554989

Ковш

1шт.

VOE 14530543

Адаптер

1шт.

VOE 14540728

Зуб ковша

1шт.

VOE 14540728

Зуб ковша

1шт.

VOE 14540729

Адаптер

1шт.

VOE 11988265

Адаптер зуба ковша

1шт.

VOE 11988265

Адаптер

1шт.

VOE 14553520

Ковш

1шт.

VOE 14540730

Палец

1шт.

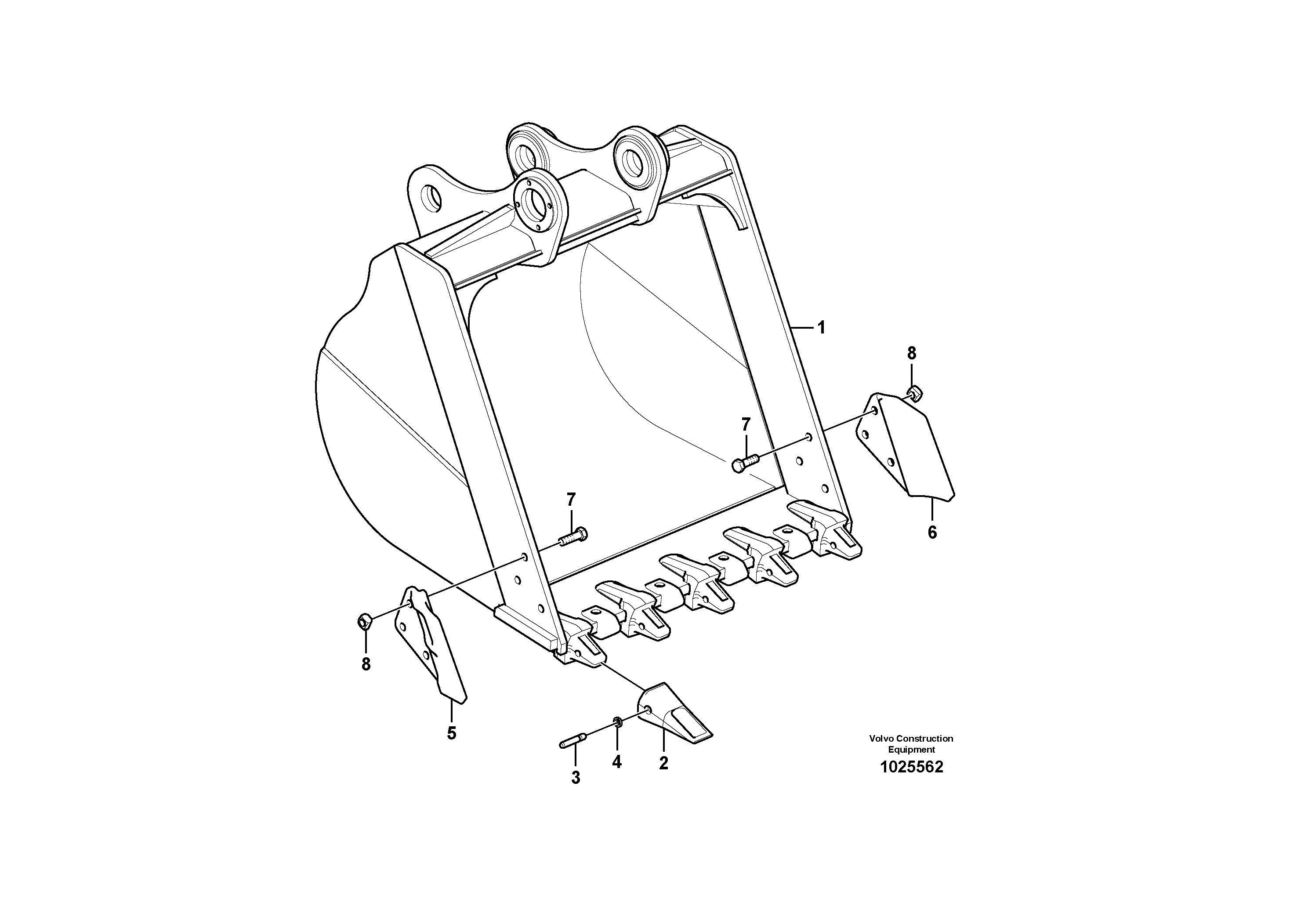
1

VOE 14554991

Ковш

1шт.

1

VOE 14554991

Ковш

1шт.

2

VOE 14530544

Зуб ковша

1шт.

3

VOE 14540726

Палец

1шт.

4

VOE 14537622

Шайба

1шт.

5

SA 1171-01180

Бокорез (боковой зуб, режущая кромка ковша)

1шт.

6

SA 1171-01170

Бокорез (боковой зуб, режущая кромка ковша)

1шт.

7

SA 9012-53021

Болт

1шт.

7

SA 9012-53021

Винт шестигранник

1шт.

8

SA 9112-13001

Гайка

1шт.

8

SA 9112-13001

Гайка

1шт.

Выбрано товаров: 24