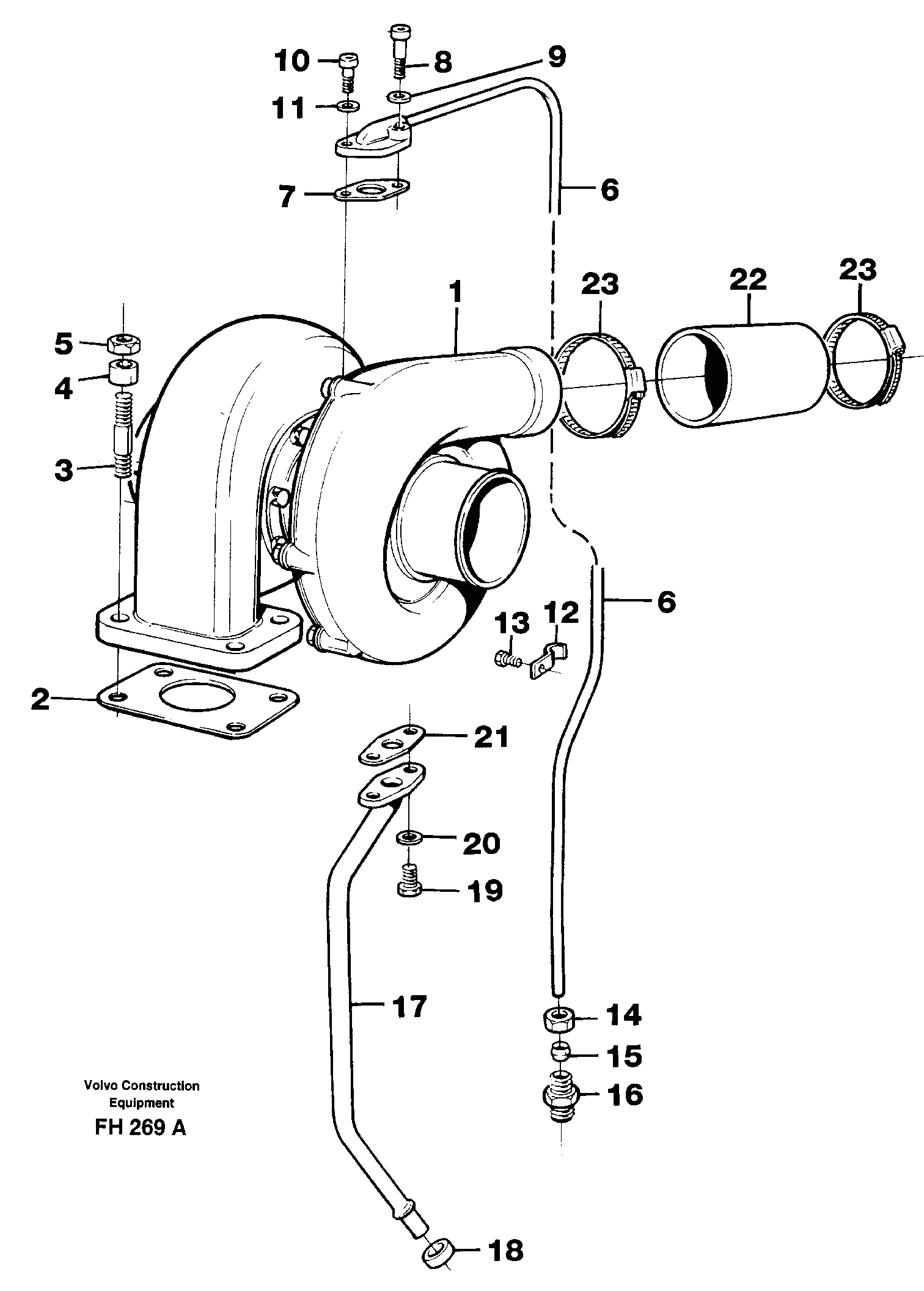
Запчасти Volvo EC300 72735 Турбокомпрессор (турбина) с установочными деталями EC300 ?KERMAN ?KERMAN EC300

Схема запчастей Volvo EC300 - 72735 Турбокомпрессор (турбина) с установочными деталями EC300 ?KERMAN ?KERMAN EC300
FIT
1:1
100%

Артикул

Название

Примечание

Количество

VOE 4772082

Oil draining pipe

TD 71 ACE

1шт.

VOE 1677898

Ferrule

ENG NO 77856-

1шт.

10

VOE 946671

Flange screw

1шт.

10

VOE 946671

Flange screw

1шт.

11

VOE 13941907

Шайба пружинная

1шт.

11

VOE 13941907

Шайба

1шт.

12

VOE 13946834

Зажим

1шт.

12

VOE 13946834

Зажим

1шт.

13

VOE 947107

Flange screw

1шт.

13

VOE 947107

Flange screw

1шт.

14

VOE 956984

Fitting nut

1шт.

15

VOE 956970

Ferrule

ENG NO -77855

1шт.

16

VOE 13963948

Nipple

1шт.

16

VOE 13963948

Nipple

1шт.

17

VOE 849679

Oil Return Pipe

TD 71 GE

1шт.

18

VOE 471626

Кольцо уплотнительное

1шт.

18

VOE 471626

Кольцо уплотнительное

1шт.

19

VOE 13945444

Болт

1шт.

19

VOE 13945444

Screw

1шт.

2

VOE 420618

Прокладка

1шт.

2

VOE 420618

Прокладка

1шт.

20

VOE 13941907

Шайба пружинная

1шт.

20

VOE 13941907

Шайба

1шт.

21

VOE 420643

Прокладка

1шт.

21

VOE 420643

Прокладка

1шт.

22

VOE 466327

Шланг

1шт.

23

VOE 943479

Hose clamp

1шт.

3

VOE 13977298

Шпилька

1шт.

4

VOE 470467

Втулка (распорная)

1шт.

5

VOE 471622

Flange lock nut

1шт.

6

VOE 11030891

Oil feed pipe

1шт.

7

VOE 420641

Прокладка

1шт.

7

VOE 420641

Прокладка

1шт.

8

VOE 13945444

Болт

1шт.

8

VOE 13945444

Screw

1шт.

9

VOE 13941907

Шайба пружинная

1шт.

9

VOE 13941907

Шайба

1шт.

Выбрано товаров: 37