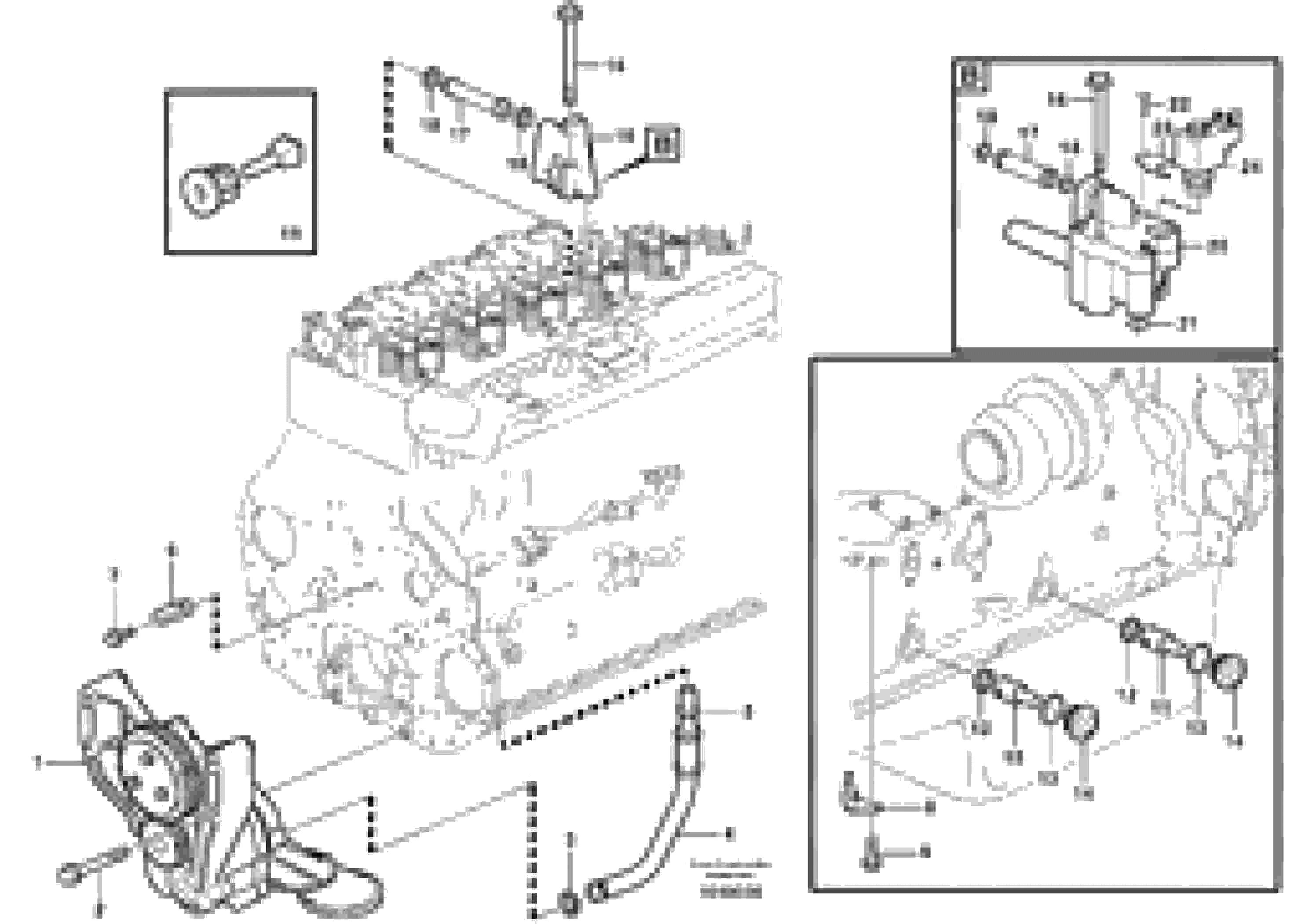
Запчасти Volvo EC330B 13030 Система масляной смазки EC330B SER NO INT 10713- EU&NA 80001-

Схема запчастей Volvo EC330B - 13030 Система масляной смазки EC330B SER NO INT 10713- EU&NA 80001-
FIT
1:1
100%

Артикул

Название

Примечание

Количество

10

VOE 471706

Reduction valve

BLUE

1шт.

10

VOE 471706

Reduction valve

BLUE

1шт.

11

VOE 471707

Reduction valve

YELL

1шт.

11

VOE 471707

Reduction valve

YELL

1шт.

12

VOE 469846

Кольцо уплотнительное

1шт.

12

VOE 469846

Кольцо уплотнительное

1шт.

13

VOE 13948610

Кольцо уплотнительное (О-кольцо)

1шт.

13

VOE 13948610

Кольцо уплотнительное (О-кольцо)

1шт.

14

VOE 1547934

Cover

1шт.

14

VOE 1547934

Крышка

1шт.

15

VOE 20483890

Intmd Section

1шт.

16

VOE 3165142

Flange screw

1шт.

16

VOE 3165142

Flange screw

1шт.

17

VOE 8193971

Outlet pipe

1шт.

17

VOE 8193971

Outlet pipe

1шт.

18

VOE 1677370

Кольцо уплотнительное

1шт.

18

VOE 1677370

Кольцо уплотнительное

1шт.

19

VOE 20574911

Скоба (хомут)

1шт.

2

VOE 471734

Болт

1шт.

2

VOE 471734

Болт

1шт.

20

VOE 20913282

Клапан регулирующий (распределительный)

1шт.

21

VOE 20526428

Кольцо уплотнительное

1шт.

22

VOE 968924

Винт шестигранник (торцевой ключ)

1шт.

22

VOE 968924

Болт

1шт.

23

VOE 8148407

Тарелка клапана

1шт.

23

VOE 8148407

Тарелка клапана

1шт.

24

VOE 20913287

Соленоид (электромагнитный клапан)

1шт.

3

VOE 8170558

Кольцо уплотнительное

1шт.

3

VOE 8170558

Кольцо уплотнительное

1шт.

4

VOE 20411298

Delivery pipe

1шт.

4

VOE 20411298

Delivery pipe

1шт.

5

VOE 980788

Ferrule

1шт.

5

VOE 980788

Ferrule

1шт.

6

VOE 8170583

Nozzle

1шт.

6

VOE 8170583

Nozzle

1шт.

7

VOE 946470

Flange screw

1шт.

7

VOE 946470

Flange screw

1шт.

8

VOE 3155151

Piston cooling jet

1шт.

8

VOE 3155151

Piston cooling jet

1шт.

9

VOE 13966378

Flange screw

1шт.

9

VOE 13966378

Flange screw

1шт.

Выбрано товаров: 0