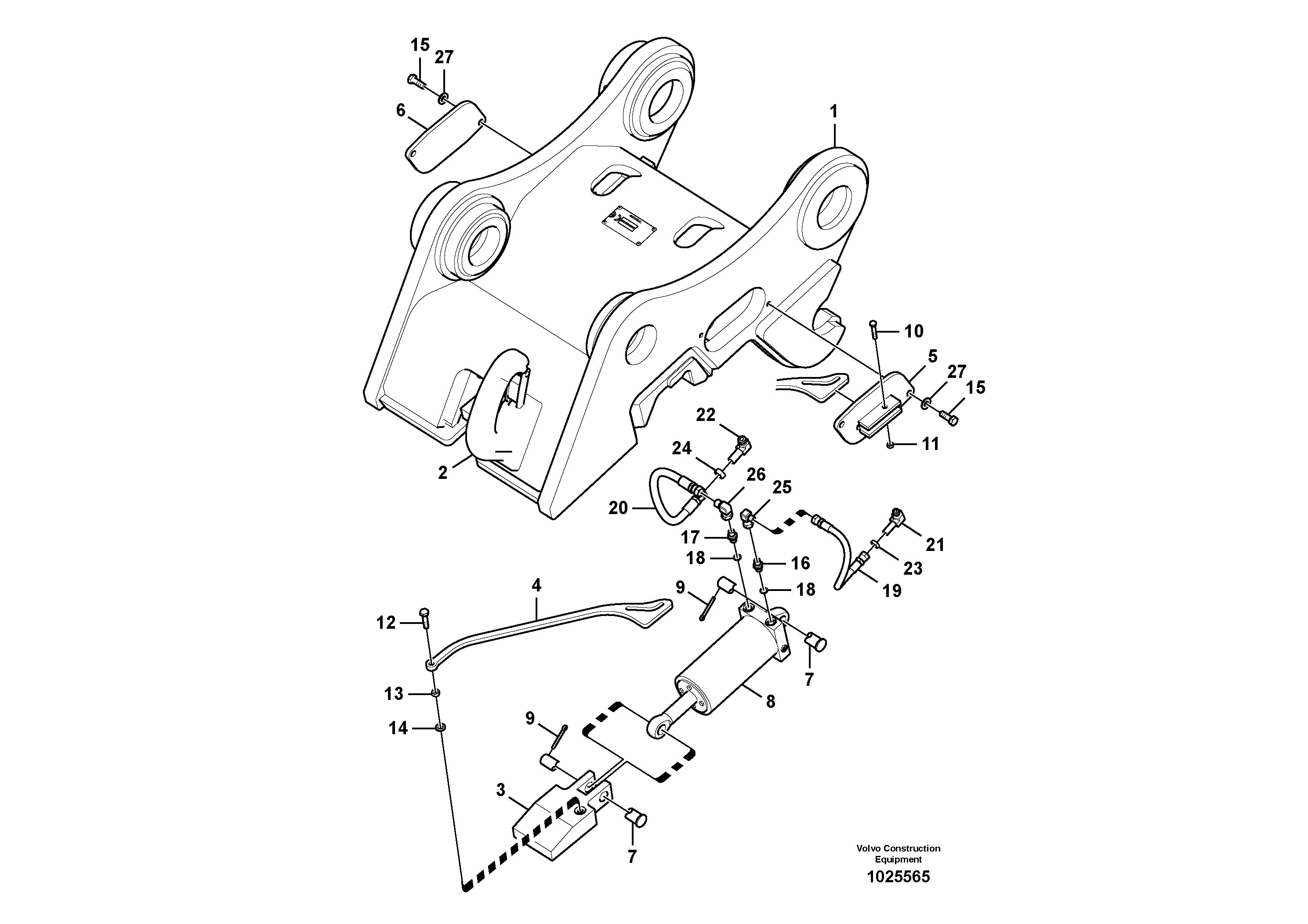
Запчасти Volvo EC330B 105638 Attachment bracket, quickfit EC330B PRIME S/N 15001-

Схема запчастей Volvo EC330B - 105638 Attachment bracket, quickfit EC330B PRIME S/N 15001-
FIT
1:1
100%

Артикул

Название

Примечание

Количество

VOE 14517962

Kit

1шт.

VOE 14517962

Ремкомплект

1шт.

1

VOE 14533983

Quick attachment

1шт.

10

SA 9011-10809

Винт шестигранник

1шт.

11

VOE 983303

Гайка

1шт.

11

VOE 983303

Hexagon nut

1шт.

12

SA 9011-11009

Винт шестигранник

1шт.

13

VOE 983304

Hexagon nut

1шт.

13

VOE 983304

Hexagon nut

1шт.

14

SA 9211-10000

Шайба

1шт.

14

SA 9211-10000

Шайба

1шт.

15

SA 9011-11207

Болт

1шт.

16

SA 9412-12020

Соединитель

1шт.

17

SA 9412-12120

Соединитель

1шт.

18

SA 9426-10020

Прокладка

1шт.

19

SA 9459-05190

Шланг

1шт.

2

SA 1171-75370

Hook

1шт.

20

SA 9459-05420

Шланг

1шт.

21

SA 9411-95940

Elbow

1шт.

21

SA 9411-95940

Elbow

1шт.

22

SA 9411-95950

Elbow

1шт.

22

SA 9411-95950

Elbow

1шт.

23

SA 1040-80490

Гайка

1шт.

24

SA 2043-00120

Гайка

1шт.

24

SA 2043-00120

Hexagon nut

1шт.

25

SA 9411-95190

Elbow

1шт.

26

SA 9411-90490

Elbow

1шт.

27

SA 9211-12000

Шайба

1шт.

27

SA 9211-12000

Шайба

1шт.

3

SA 1171-75140

Key

1шт.

4

VOE 14500381

Indicator

1шт.

5

SA 1171-75160

Крышка

1шт.

6

SA 1171-75170

Крышка

1шт.

7

SA 1171-75280

Палец

1шт.

8

VOE 14522371

цилиндр

1шт.

9

SA 9323-05922

Split Pin

1шт.

Выбрано товаров: 36