Запчасти Volvo EC340 68148 Головка блока цилиндров EC340 SER NO 1001-

Схема запчастей Volvo EC340 - 68148 Головка блока цилиндров EC340 SER NO 1001-
FIT
1:1
100%

Артикул

Название

Примечание

Количество

VOE 1545885

Valve seat

0,2 O SZ

1шт.

VOE 1545885

Valve seat

0,2 O SZ

1шт.

VOE 467590

Valve seat

0,2 O SZ

1шт.

VOE 467590

Valve seat

0,2 O SZ

1шт.

VOE 270946

Ремкомплект

1шт.

VOE 270946

Ремкомплект

1шт.

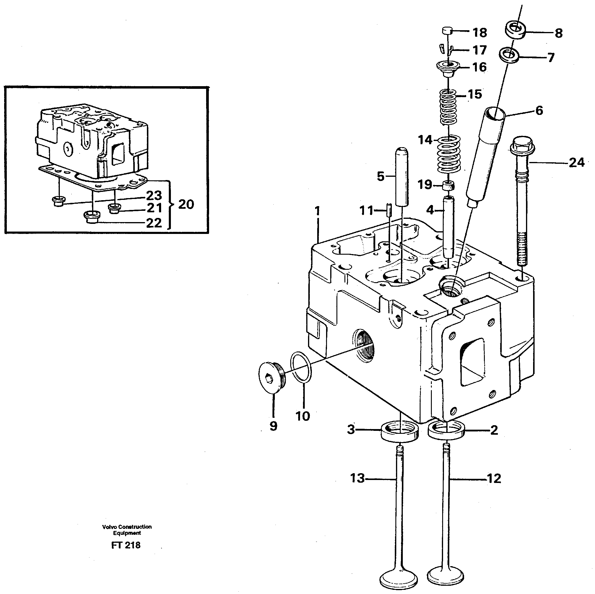
1

VOE 8194452

Головка блока цилиндров

1шт.

10

VOE 469327

Прокладка

1шт.

10

VOE 469327

Прокладка

1шт.

11

VOE 14025455

цилиндр контактный

1шт.

12

VOE 479204

Клапан впускной

1шт.

12

VOE 479204

Клапан впускной

1шт.

13

VOE 467855

Клапан выпускной

1шт.

13

VOE 467855

Клапан выпускной

1шт.

14

VOE 467334

Пружина клапана

1шт.

14

VOE 467334

Пружина клапана

1шт.

15

VOE 467335

Пружина клапана

1шт.

15

VOE 467335

Пружина клапана

1шт.

16

VOE 467506

Шайба

1шт.

16

VOE 467506

Шайба

1шт.

17

VOE 468305

Valve Collet

1шт.

18

VOE 478074

Valve Cap

1шт.

18

VOE 478074

Valve Cap

1шт.

19

VOE 417135

Protecting Ring

1шт.

19

VOE 417135

Protecting Ring

1шт.

2

VOE 467474

Valve seat

STD D

1шт.

2

VOE 467474

Valve seat

STD D

1шт.

20

VOE 270789

Gasket Kit

1шт.

20

VOE 270789

Gasket Kit

1шт.

21

VOE 422413

Кольцо уплотнительное

D = 11

1шт.

21

VOE 422413

Кольцо уплотнительное

D = 11

1шт.

22

VOE 422414

Кольцо уплотнительное

D = 32

1шт.

22

VOE 422414

Кольцо уплотнительное

D = 32

1шт.

23

VOE 422415

Кольцо уплотнительное

D = 18

1шт.

23

VOE 422415

Кольцо уплотнительное

D = 18

1шт.

24

VOE 422086

Болт

1шт.

24

VOE 422086

Болт

1шт.

3

VOE 1545886

Valve seat

STD D, (11987041)

1шт.

3

VOE 1545886

Valve seat

STD D, (11987041)

1шт.

4

VOE 1545135

Valve Guide

1шт.

4

VOE 1545135

Valve Guide

1шт.

5

VOE 1545135

Valve Guide

1шт.

5

VOE 1545135

Valve Guide

1шт.

6

VOE 479163

Втулка (распорная)

1шт.

6

VOE 479163

Втулка (распорная)

1шт.

7

VOE 466420

Кольцо

1шт.

7

VOE 466420

Кольцо

1шт.

8

VOE 466405

Кольцо уплотнительное

1шт.

8

VOE 466405

Кольцо уплотнительное

1шт.

9

VOE 467365

Пробка (заглушка)

1шт.

9

VOE 467365

Пробка (заглушка)

1шт.

Выбрано товаров: 51