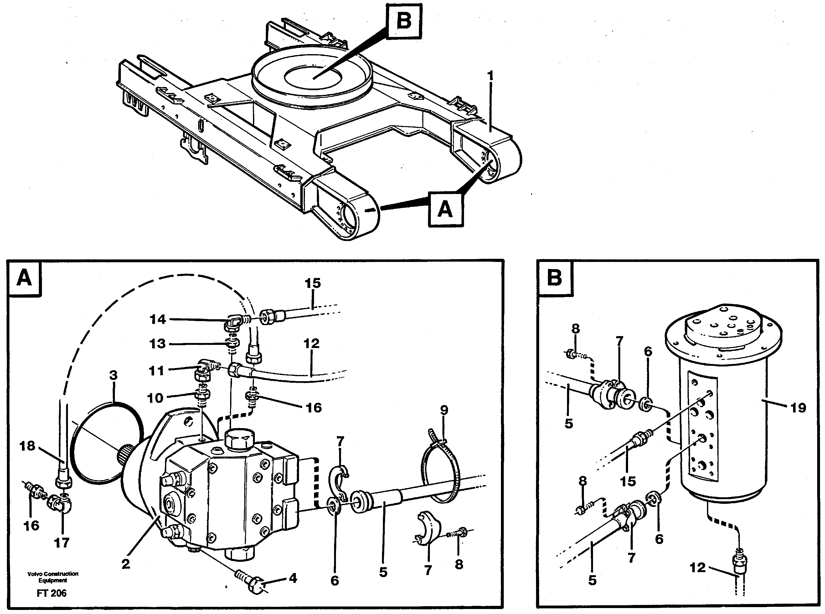
Запчасти Volvo EC340 71223 Hydraulic system, transport in undercarrige EC340 SER NO 1001-

Схема запчастей Volvo EC340 - 71223 Hydraulic system, transport in undercarrige EC340 SER NO 1001-
FIT
1:1
100%

Артикул

Название

Примечание

Количество

10

VOE 14012424

14012424

1шт.

11

VOE 14012395

14012395

1шт.

12

VOE 14245626

Hydraulic hose

1шт.

13

VOE 14100430

14100430

1шт.

14

VOE 14012393

14012393

1шт.

15

VOE 14250315

Hydraulic hose

1шт.

15

VOE 14250315

Hydraulic hose

1шт.

15

VOE 14245246

Hydraulic hose

1шт.

15

VOE 14245246

Hydraulic hose

1шт.

16

VOE 957030

Nipple

1шт.

16

VOE 957030

Nipple

1шт.

17

VOE 14012393

14012393

1шт.

18

VOE 14263566

Hydraulic hose

1шт.

3

VOE 14265157

Кольцо уплотнительное (О-кольцо)

1шт.

3

VOE 14265157

Кольцо уплотнительное (О-кольцо)

1шт.

4

VOE 955386

Винт шестигранник

1шт.

4

VOE 955386

Винт шестигранник

1шт.

5

VOE 14340940

Hydraulic hose

1шт.

5

VOE 14267222

Hydraulic hose

1шт.

6

VOE 14215715

Кольцо уплотнительное

1шт.

6

VOE 14215715

Кольцо уплотнительное

1шт.

7

VOE 14048189

Flange half

1шт.

7

VOE 14048189

Flange half

1шт.

8

VOE 959257

Allen Hd Screw

1шт.

9

VOE 4881440

Cable tie

1шт.

9

VOE 4881440

Cable tie

1шт.

Выбрано товаров: 26