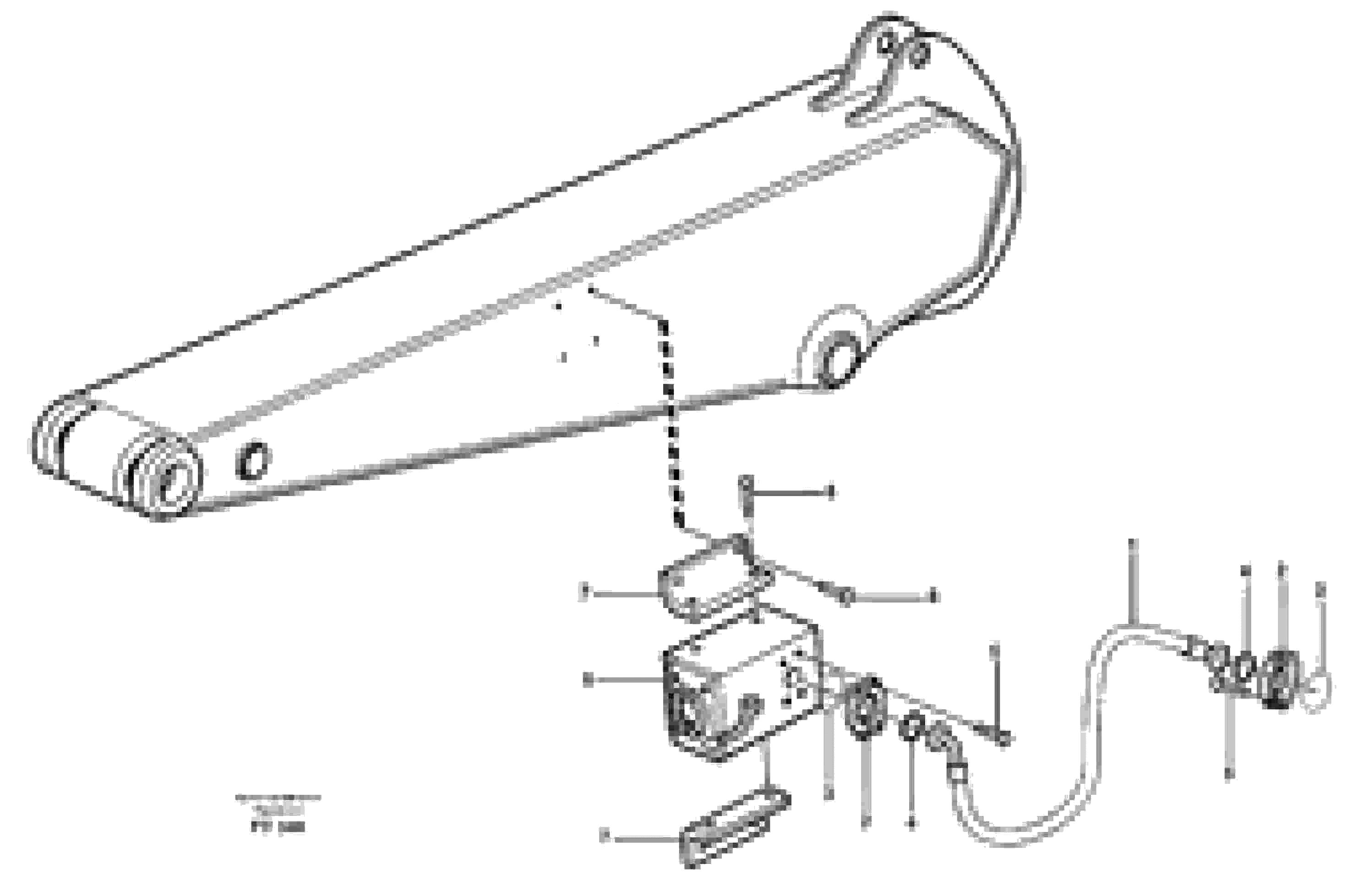
Запчасти Volvo EC340 70695 Hammer hydraulics on dipper arm, 2.4 m/ 2.9 m/ 3.5 m/ 4.1m EC340 SER NO 1001-

Схема запчастей Volvo EC340 - 70695 Hammer hydraulics on dipper arm, 2.4 m/ 2.9 m/ 3.5 m/ 4.1m EC340 SER NO 1001-
FIT
1:1
100%

Артикул

Название

Примечание

Количество

1

VOE 14340746

Hydraulic Hose

1шт.

1

VOE 14340746

Hydraulic Hose

1шт.

1

VOE 14343950

Hydraulic Hose

1шт.

1

VOE 14342361

Hydraulic Hose

1шт.

2

VOE 14340686

Кольцо

1шт.

2

VOE 14340686

Кольцо

1шт.

3

VOE 14310135

Кольцо уплотнительное (О-кольцо)

1шт.

3

VOE 14310135

Кольцо уплотнительное (О-кольцо)

1шт.

4

VOE 14215716

Кольцо уплотнительное

1шт.

4

VOE 14215716

Кольцо уплотнительное

1шт.

5

VOE 13949497

Болт

1шт.

5

VOE 13949497

Болт

1шт.

7

VOE 14340164

Attachment

1шт.

8

VOE 13946817

Болт

1шт.

8

VOE 13946817

Болт

1шт.

Выбрано товаров: 15