Запчасти Volvo EC340 89800 Hammer hydraulics on base machine, 2 pumps EC340 SER NO 1001-

Схема запчастей Volvo EC340 - 89800 Hammer hydraulics on base machine, 2 pumps EC340 SER NO 1001-
FIT
1:1
100%

Артикул

Название

Примечание

Количество

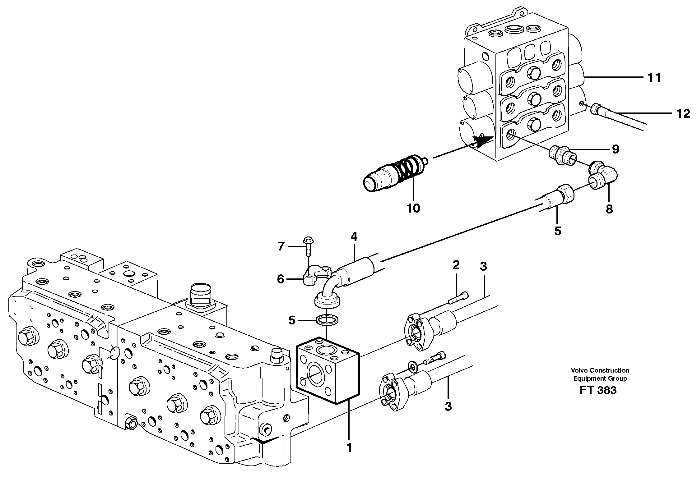
1

VOE 14346494

Spacer flange

1шт.

10

VOE 11702626

Shock Valve

1шт.

2

VOE 13966369

Flange screw

1шт.

4

VOE 14346951

Hydraulic hose

1шт.

5

VOE 990742

Кольцо уплотнительное (О-кольцо)

1шт.

5

VOE 990742

Кольцо уплотнительное (О-кольцо)

1шт.

6

VOE 935312

Flange half

1шт.

6

VOE 935312

Flange half

1шт.

7

VOE 13946752

Болт

1шт.

7

VOE 13946752

Болт

1шт.

8

VOE 14012398

14012398

1шт.

9

VOE 14346857

Non-return valve

1шт.

Выбрано товаров: 12