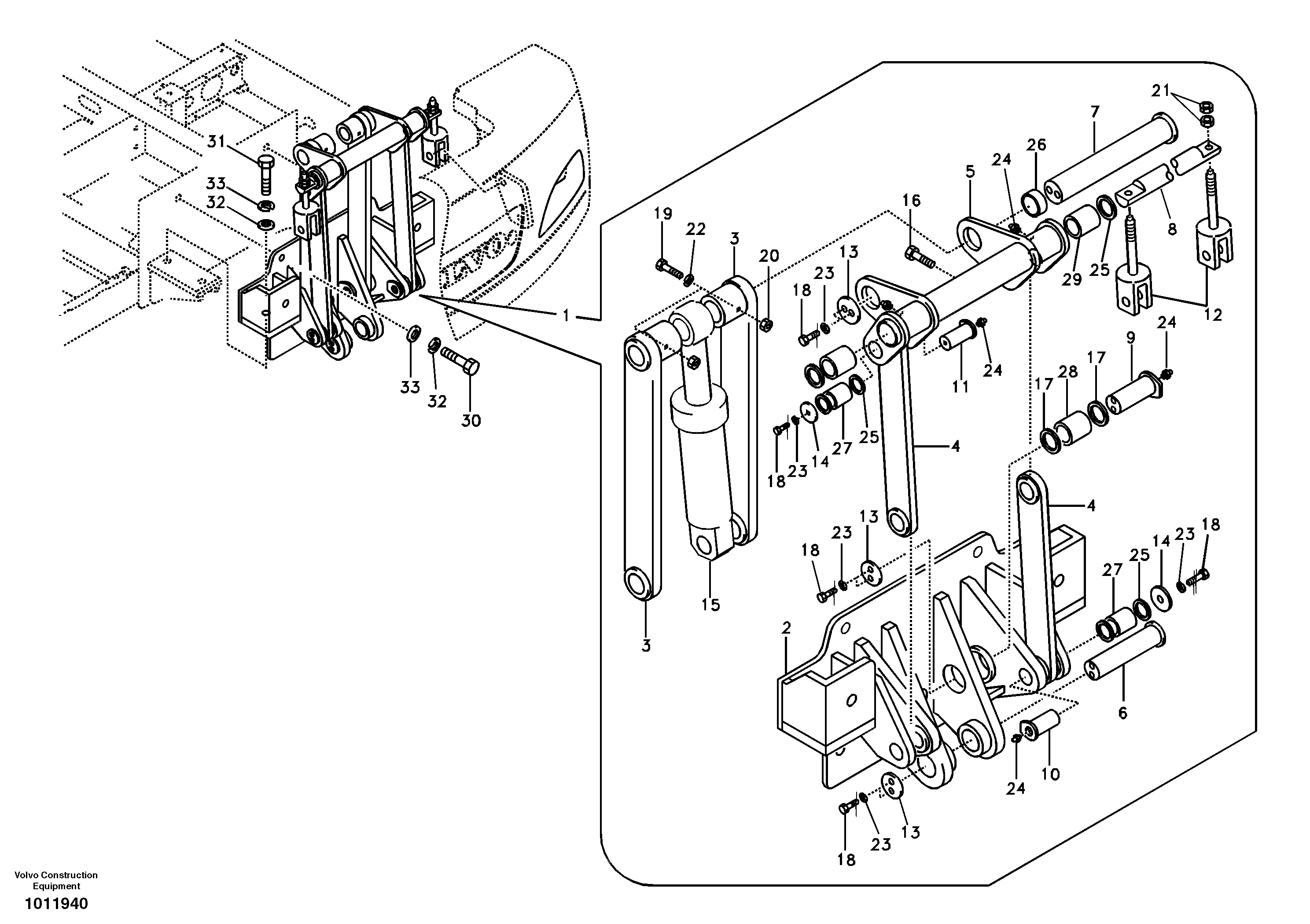
Запчасти Volvo EC360B 95467 Removal Counterweight, Assembly EC360B SER NO INT 12152- EU&NA 80001-

Схема запчастей Volvo EC360B - 95467 Removal Counterweight, Assembly EC360B SER NO INT 12152- EU&NA 80001-
FIT
1:1
100%

Артикул

Название

Примечание

Количество

1

VOE 14508695

Опора

1шт.

10

VOE 14505387

Палец

1шт.

11

VOE 14505388

Палец

1шт.

12

VOE 14505389

Вилка

1шт.

13

VOE 14505390

Пластина

1шт.

14

VOE 14505391

Пластина

1шт.

15

VOE 14563828

цилиндр

1шт.

16

VOE 14507926

Болт

1шт.

17

SA 2051-12090

Сальник

1шт.

18

SA 9011-11608

Болт

1шт.

19

VOE 992567

Винт шестигранник

1шт.

2

VOE 14505378

Опора

1шт.

20

VOE 979019

Hexagon nut

1шт.

20

VOE 979019

Hexagon nut

1шт.

21

SA 9111-33000

Hexagon nut

1шт.

21

SA 9111-33000

Гайка

1шт.

22

VOE 955923

Шайба пружинная

1шт.

22

VOE 955923

Шайба пружинная

1шт.

23

VOE 955926

Шайба пружинная

1шт.

23

VOE 955926

Шайба пружинная

1шт.

24

SA 9481-11003

Nipple

1шт.

25

VOE 14880731

Сальник

1шт.

26

SA 9611-08540

Втулка

1шт.

27

VOE 14880973

Втулка

1шт.

28

VOE 14880974

Втулка

1шт.

29

VOE 14880975

Втулка

1шт.

3

VOE 14505379

Тяга поворотная

1шт.

30

SA 9011-23020

Винт шестигранник

1шт.

31

SA 9011-23026

Винт шестигранник

1шт.

32

SA 9211-30000

Плоская шайба

1шт.

32

SA 9211-30000

Шайба

1шт.

33

SA 9213-30000

Шайба пружинная

1шт.

33

SA 9213-30000

Шайба

1шт.

4

VOE 14505380

Тяга поворотная

1шт.

5

VOE 14505381

Guide

1шт.

6

VOE 14505383

Палец

1шт.

7

VOE 14505384

Палец

1шт.

8

VOE 14505385

Палец

1шт.

9

VOE 14505386

Палец

1шт.

Выбрано товаров: 0