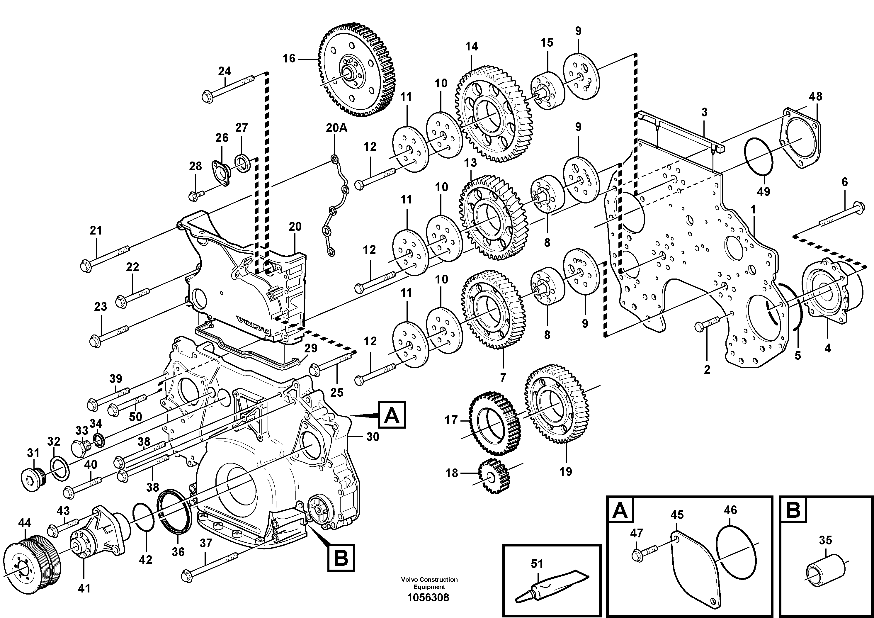
Запчасти Volvo EC360B 95646 Timing gear casing and gears EC360B SER NO INT 12152- EU&NA 80001-

Схема запчастей Volvo EC360B - 95646 Timing gear casing and gears EC360B SER NO INT 12152- EU&NA 80001-
FIT
1:1
100%

Артикул

Название

Примечание

Количество

1

VOE 8170561

Xmsn Plate

1шт.

10

VOE 3184865

Шайба упорная

1шт.

11

VOE 3184868

Bearing shield

1шт.

12

VOE 1547886

Болт

1шт.

13

VOE 8170195

Промежуточная шестерня

1шт.

14

VOE 8170197

Промежуточная шестерня

1шт.

15

VOE 8170199

Ступица

1шт.

2

VOE 946470

Flange screw

1шт.

2

VOE 946470

Flange screw

1шт.

20

VOE 20713791

Tmg Gear Cover

1шт.

20A

VOE 3830184

Сальник

1шт.

21

VOE 968553

Flange screw

L = 115 MM

1шт.

22

VOE 13965182

Болт

L = 80 MM

1шт.

22

VOE 13965182

Screw

L = 80 MM

1шт.

23

VOE 13965183

Flange screw

L = 90 MM

1шт.

23

VOE 13965183

Flange screw

L = 90 MM

1шт.

24

VOE 13965190

Болт

L = 100 MM

1шт.

24

VOE 13965190

Болт

L = 100 MM

1шт.

25

VOE 13947790

Болт

L = 80 MM

1шт.

25

VOE 13947790

Screw

L = 80 MM

1шт.

25

VOE 13965223

Болт

L = 75 MM

1шт.

25

VOE 13965223

Болт

L = 75 MM

1шт.

26

VOE 3964803

Пробка (заглушка)

1шт.

27

VOE 20555696

Кольцо уплотнительное

1шт.

28

VOE 946440

Flange screw

1шт.

28

VOE 946440

Flange screw

1шт.

29

VOE 20714247

Seg moulding

1шт.

3

VOE 20489341

Прокладка

1шт.

30

VOE 21122283

Timing gear cover

1шт.

30

VOE 21424752

Timing gear cover

1шт.

30

VOE 21206533

Timing gear cover

1шт.

30

VOE 3595444

Tmg gear cover

1шт.

31

VOE 467367

Пробка (заглушка)

1шт.

31

VOE 467367

Пробка (заглушка)

1шт.

32

VOE 1556907

Прокладка

1шт.

32

VOE 1556907

Прокладка

1шт.

33

VOE 13960632

Пробка (заглушка)

1шт.

33

VOE 13960632

Пробка (заглушка)

1шт.

34

VOE 948884

Plane gasket

1шт.

34

VOE 948884

Plane gasket

1шт.

35

VOE 1547940

Палец

1шт.

35

VOE 1547940

Втулка (распорная)

1шт.

36

VOE 21081526

Crankshaft Seal

1шт.

36

VOE 85108423

Crankshaft seal

1шт.

36

VOE 85108423

Crankshaft seal

1шт.

37

VOE 973096

Flange screw

L = 130 MM

1шт.

37

VOE 973096

Flange screw

L = 130 MM

1шт.

38

VOE 13947790

Болт

L = 80 MM

1шт.

38

VOE 13947790

Screw

L = 80 MM

1шт.

39

VOE 13965181

Болт

L = 70 MM

1шт.

39

VOE 13965181

Screw

L = 70 MM

1шт.

39

VOE 955302

Винт шестигранник

L = 60 MM

1шт.

39

VOE 955302

Винт шестигранник

L = 60 MM

1шт.

4

VOE 11128611

Bearing housing

1шт.

40

VOE 13965183

Flange screw

L = 90 MM

1шт.

40

VOE 13965183

Flange screw

L = 90 MM

1шт.

42

VOE 967344

Кольцо уплотнительное (О-кольцо)

1шт.

42

VOE 967344

Кольцо уплотнительное (О-кольцо)

1шт.

43

VOE 13965190

Болт

L = 100 MM

1шт.

43

VOE 13965190

Болт

L = 100 MM

1шт.

43

VOE 13946752

Болт

L = 35 MM

1шт.

43

VOE 13946752

Болт

L = 35 MM

1шт.

45

VOE 3828400

Крышка

1шт.

46

VOE 967344

Кольцо уплотнительное (О-кольцо)

1шт.

46

VOE 967344

Кольцо уплотнительное (О-кольцо)

1шт.

47

VOE 946441

Flange screw

1шт.

47

VOE 946441

Flange screw

1шт.

48

VOE 1556208

Крышка

1шт.

49

VOE 13948888

Кольцо уплотнительное (О-кольцо)

1шт.

49

VOE 13948888

Кольцо уплотнительное (О-кольцо)

1шт.

5

VOE 13949736

Кольцо уплотнительное (О-кольцо)

1шт.

5

VOE 13949736

Кольцо уплотнительное (О-кольцо)

1шт.

50

VOE 973967

Flange screw

1шт.

51

VOE 1161277

Sealant

1шт.

51

VOE 1161277

Sealant

1шт.

51

VOE 11713514

Sealant

1шт.

51

VOE 11713514

Sealant

1шт.

6

VOE 13965197

Flange screw

1шт.

6

VOE 13965197

Flange screw

1шт.

7

VOE 8170193

Промежуточная шестерня

1шт.

8

VOE 8170219

Ступица

1шт.

9

VOE 8170220

Шайба упорная

1шт.

Выбрано товаров: 0