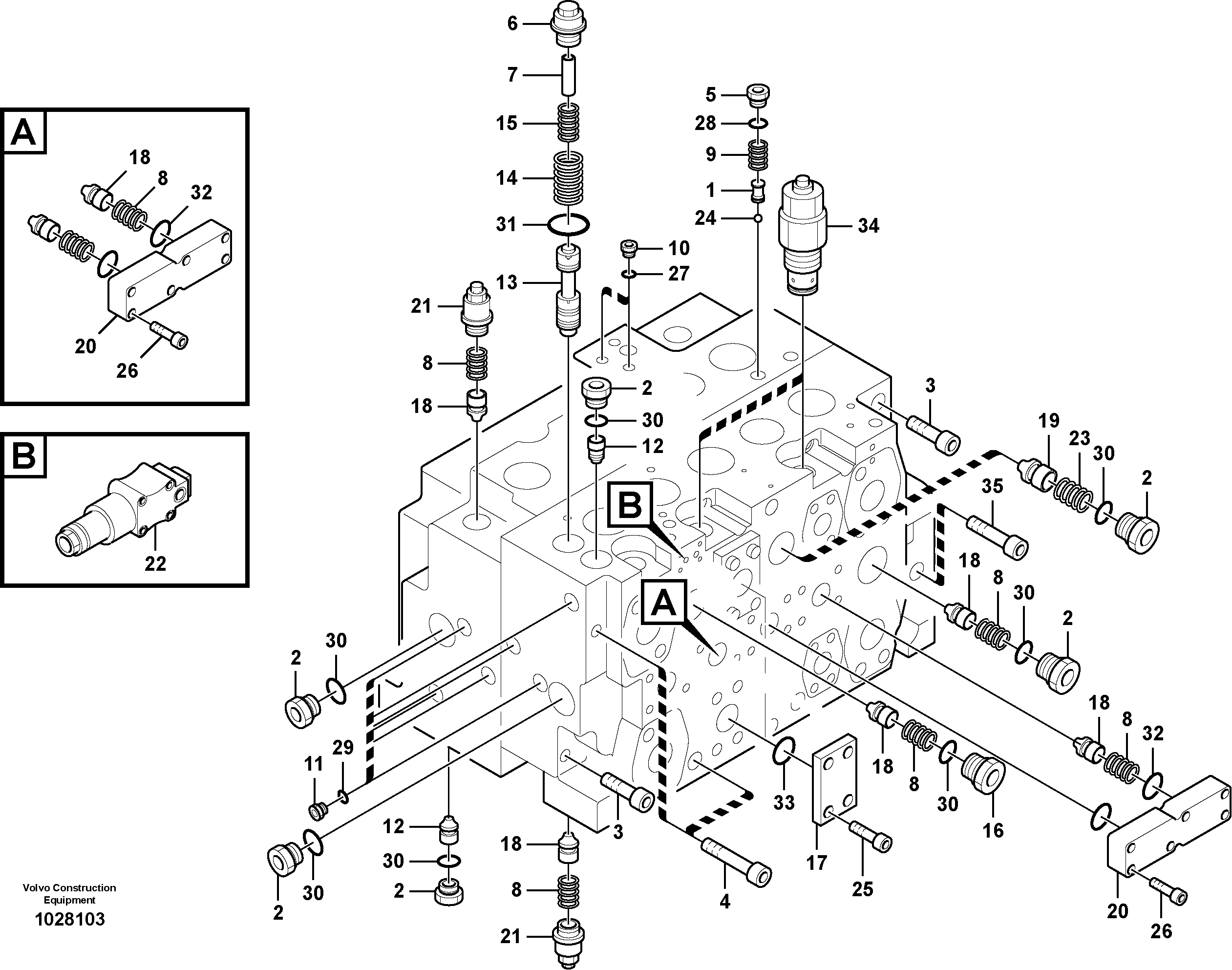
Запчасти Volvo EC360B 94212 Гидрораспределитель (главный управляющий клапан) EC360B SER NO INT 12152- EU&NA 80001-

Схема запчастей Volvo EC360B - 94212 Гидрораспределитель (главный управляющий клапан) EC360B SER NO INT 12152- EU&NA 80001-
FIT
1:1
100%

Артикул

Название

Примечание

Количество

VOE 14557520

Клапан регулирующий (распределительный)

1шт.

1

VOE 14502386

Spring Seat

1шт.

10

SA 8230-36410

Пробка (заглушка)

1шт.

100

VOE 14545300

Sealing Kit

1шт.

11

SA 8230-36420

Пробка (заглушка)

1шт.

12

SA 8230-36620

Клапан предохранительный (разгрузочный, сброса давления)

1шт.

13

SA 8230-36700

Золотник

1шт.

14

SA 8230-36740

Пружина

1шт.

15

SA 8230-36830

Пружина

1шт.

16

SA 8230-36850

Пробка (заглушка)

1шт.

17

SA 8230-36880

Фланец

1шт.

18

SA 8230-36900

Опора

1шт.

19

SA 8230-36910

Опора

1шт.

2

VOE 14502387

Пробка (заглушка)

1шт.

20

SA 8230-37040

Крышка

1шт.

21

SA 8230-37250

Пробка (заглушка)

1шт.

22

SA 8230-37280

Клапан

1шт.

23

SA 8230-37290

Пружина

1шт.

24

SA 8240-03320

Ball

1шт.

24

SA 8240-03320

Ball

1шт.

25

SA 8240-03490

Болт

1шт.

26

SA 9016-21007

Винт шестигранник

1шт.

27

VOE 983495

Кольцо уплотнительное (О-кольцо)

1шт.

27

VOE 983495

Кольцо уплотнительное (О-кольцо)

1шт.

28

VOE 983497

Кольцо уплотнительное (О-кольцо)

1шт.

28

VOE 983497

Кольцо уплотнительное (О-кольцо)

1шт.

29

VOE 983505

Кольцо уплотнительное (О-кольцо)

1шт.

29

VOE 983505

Кольцо уплотнительное (О-кольцо)

1шт.

3

VOE 14502388

Болт

1шт.

30

VOE 983527

Кольцо уплотнительное (О-кольцо)

1шт.

30

VOE 983527

Кольцо уплотнительное (О-кольцо)

1шт.

31

VOE 990612

Кольцо уплотнительное (О-кольцо)

1шт.

32

VOE 990583

Кольцо уплотнительное (О-кольцо)

1шт.

32

VOE 990583

Кольцо уплотнительное (О-кольцо)

1шт.

33

VOE 990584

Кольцо уплотнительное (О-кольцо)

1шт.

33

VOE 990584

Кольцо уплотнительное (О-кольцо)

1шт.

34

VOE 14552974

Клапан предохранительный (разгрузочный, сброса давления)

1шт.

35

VOE 14502390

Болт

1шт.

4

VOE 14502389

Болт

1шт.

5

SA 8230-25650

Пробка (заглушка)

1шт.

6

SA 8230-27830

Пробка (заглушка)

1шт.

7

SA 8230-27850

Bar

1шт.

8

SA 8230-27990

Пружина

1шт.

9

SA 8230-35920

Пружина

1шт.

Выбрано товаров: 0