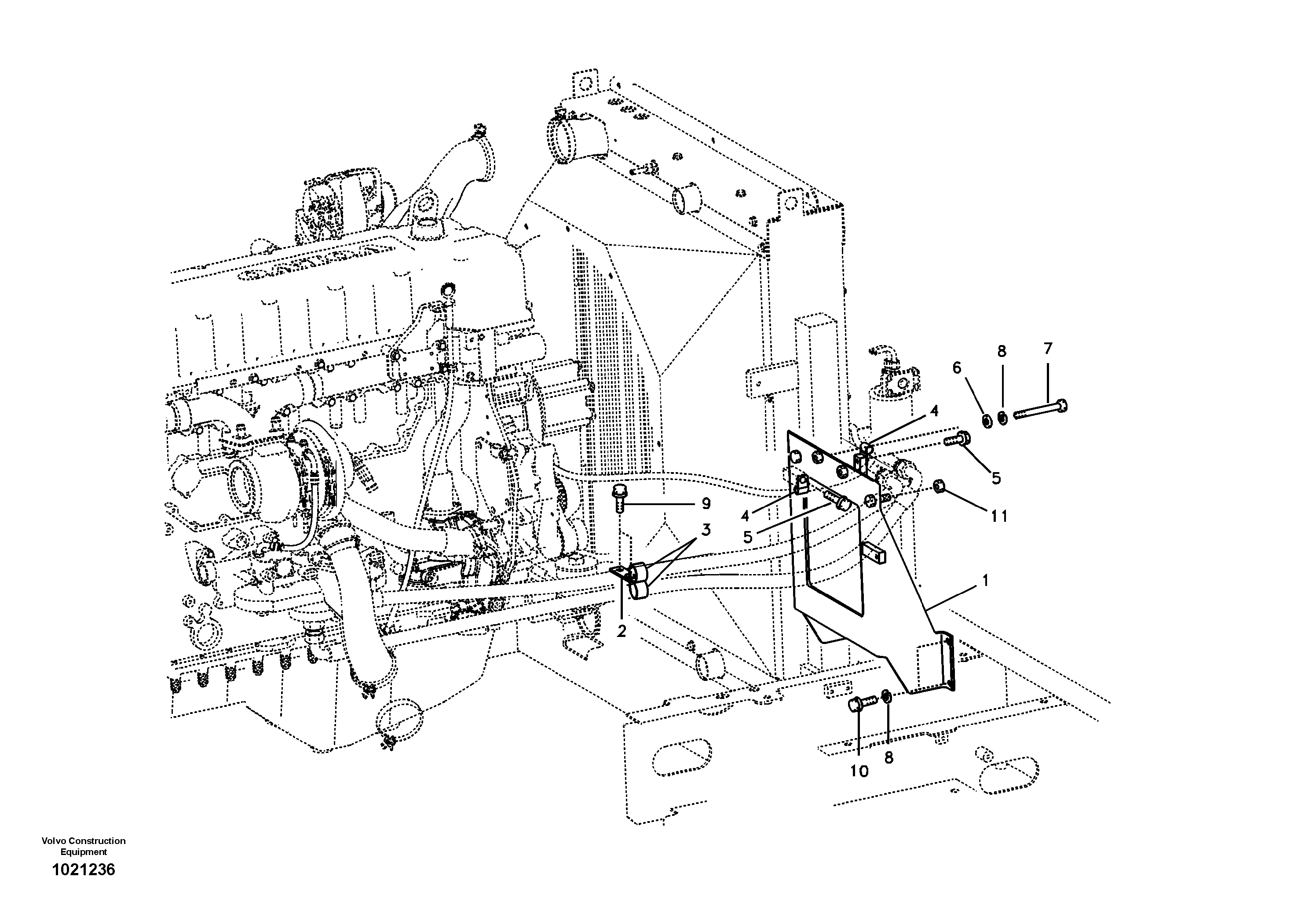
Запчасти Volvo EC360B 87752 Oil filter with fitting parts EC360B SER NO INT 12152- EU&NA 80001-

Схема запчастей Volvo EC360B - 87752 Oil filter with fitting parts EC360B SER NO INT 12152- EU&NA 80001-
FIT
1:1
100%

Артикул

Название

Примечание

Количество

VOE 14527361

Кронштейн

SER NO 12162-12399

1шт.

VOE 14556602

Кронштейн

SER NO 12400-

1шт.

VOE 14556602

Кронштейн

SER NO 12400-

1шт.

SA 9211-10000

Шайба

SER NO 12162-

1шт.

SA 9211-10000

Шайба

SER NO 12162-

1шт.

1

VOE 14536059

Кронштейн

SER NO 10001-12161

1шт.

10

VOE 983251

Винт шестигранник

1шт.

10

VOE 983251

Винт шестигранник

1шт.

11

VOE 983304

Hexagon nut

1шт.

11

VOE 983304

Hexagon nut

1шт.

2

VOE 14528958

Кронштейн

1шт.

2

VOE 14528958

Кронштейн

1шт.

3

SA 9315-03601

Скоба (хомут)

1шт.

4

SA 9315-01801

Скоба (хомут)

1шт.

5

VOE 946471

Flange screw

1шт.

5

VOE 946471

Flange screw

1шт.

6

SA 9211-10000

Шайба

SER NO 10001-12161

1шт.

6

SA 9211-10000

Шайба

SER NO 10001-12161

1шт.

7

SA 9011-21020

Болт

1шт.

8

VOE 955922

Шайба пружинная

1шт.

8

VOE 955922

Шайба пружинная

1шт.

9

VOE 946441

Flange screw

1шт.

9

VOE 946441

Flange screw

1шт.

Выбрано товаров: 0