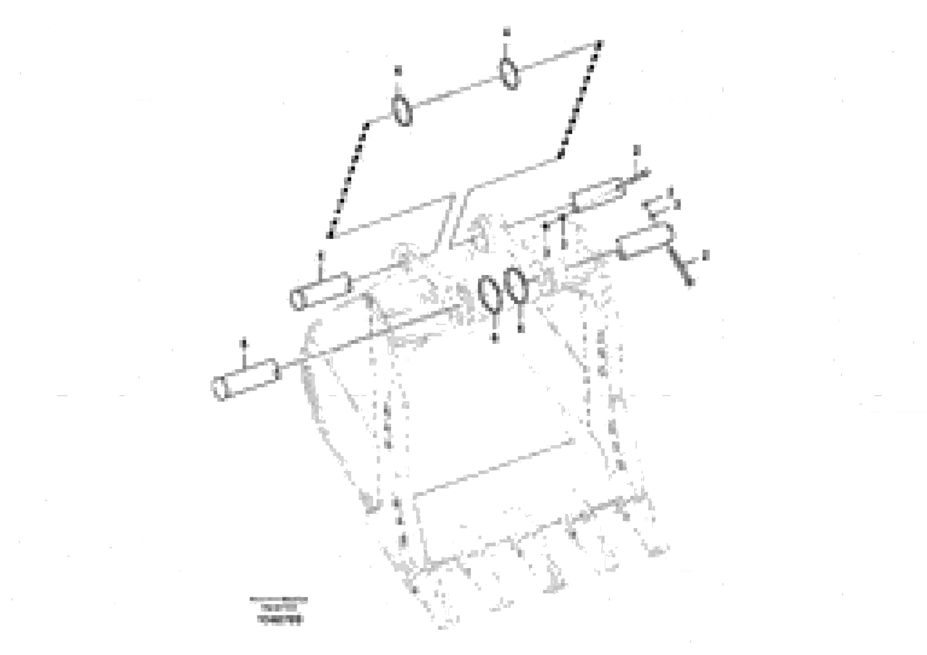
Запчасти Volvo EC360B 53172 Links to bucket ATTACHMENTS ATTACHMENTS EXCAVATORS BUCKETS&HAMMERS, GEN. B/C

Схема запчастей Volvo EC360B - 53172 Links to bucket ATTACHMENTS ATTACHMENTS EXCAVATORS BUCKETS&HAMMERS, GEN. B/C
FIT
1:1
100%

Артикул

Название

Примечание

Количество

1

VOE 14509017

Палец

1шт.

1

VOE 14509017

Палец

1шт.

2

SA 9011-22029

Болт

1шт.

2

SA 9011-22029

Винт шестигранник

1шт.

3

VOE 979022

Hexagon nut

1шт.

3

VOE 979022

Hexagon nut

1шт.

4

SA 9524-00146

Кольцо

1шт.

5

VOE 14509018

Палец

1шт.

5

VOE 14509018

Палец

1шт.

6

VOE 14880694

Кольцо

1шт.

6

VOE 14880694

Кольцо

1шт.

Выбрано товаров: 0