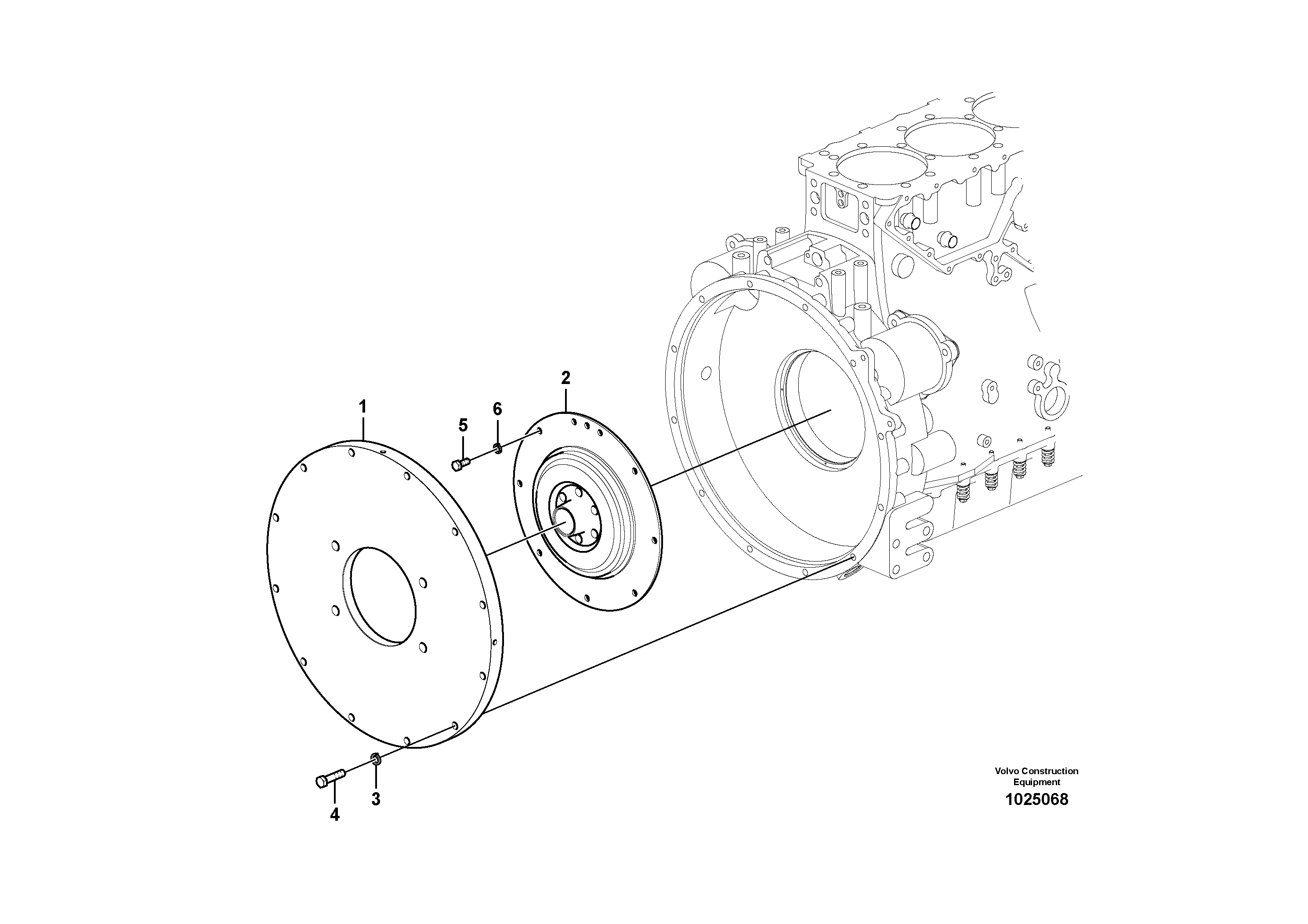
Запчасти Volvo EC360B 51064 Pump gearbox with assembling parts EC360B PRIME S/N 15001-/85001- 35001-

Схема запчастей Volvo EC360B - 51064 Pump gearbox with assembling parts EC360B PRIME S/N 15001-/85001- 35001-
FIT
1:1
100%

Артикул

Название

Примечание

Количество

1

VOE 14501923

Фланец

1шт.

1

VOE 14501923

Фланец

1шт.

2

VOE 14528378

Damper

1шт.

3

VOE 955923

Шайба пружинная

1шт.

3

VOE 955923

Шайба пружинная

1шт.

4

VOE 978934

Винт шестигранник

1шт.

4

VOE 978934

Винт шестигранник

1шт.

5

VOE 983251

Винт шестигранник

1шт.

5

VOE 983251

Винт шестигранник

1шт.

6

VOE 955922

Шайба пружинная

1шт.

6

VOE 955922

Шайба пружинная

1шт.

Выбрано товаров: 0