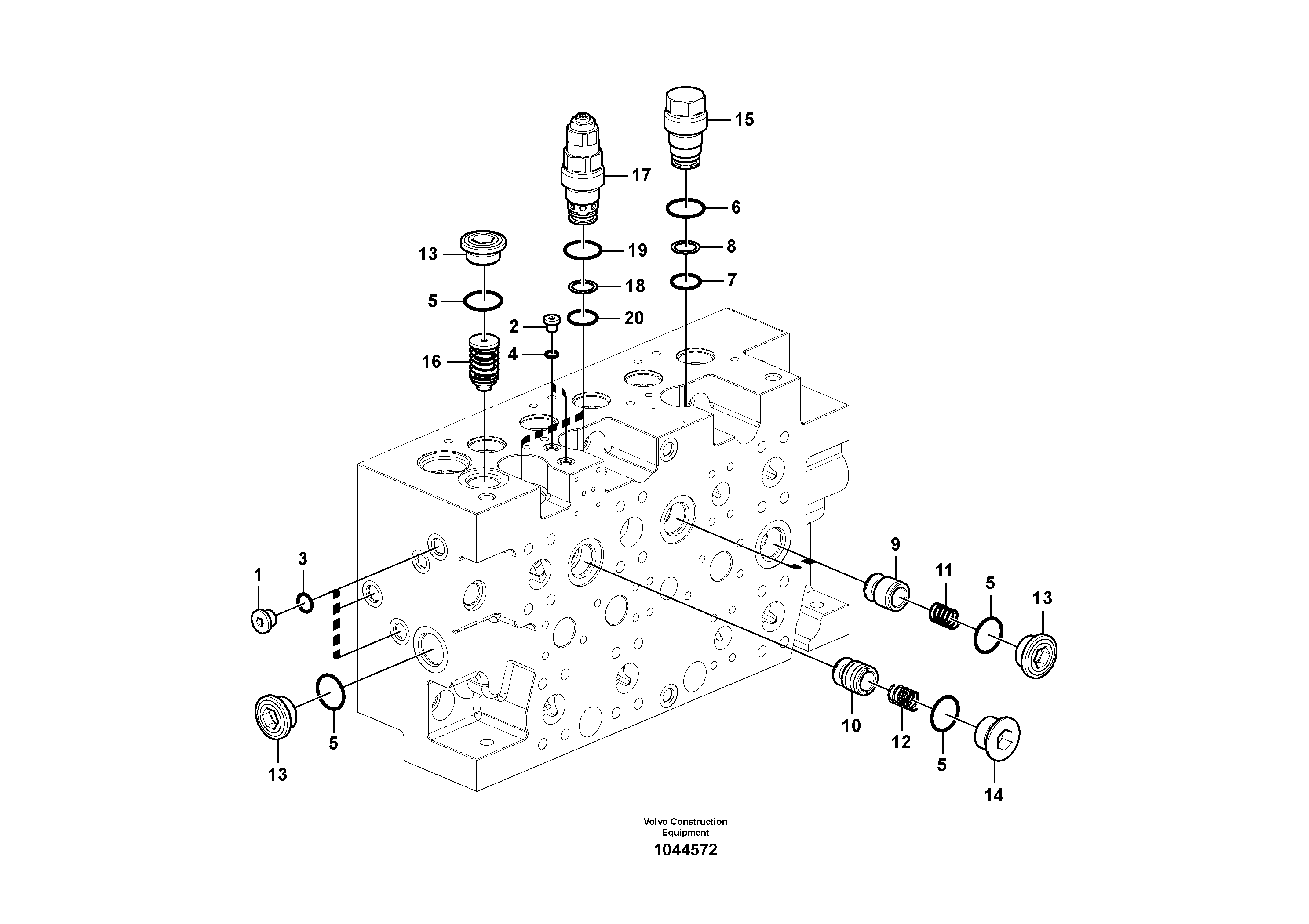
Запчасти Volvo EC360B 58098 Гидрораспределитель (главный управляющий клапан) EC360B PRIME S/N 15001-/85001- 35001-

Схема запчастей Volvo EC360B - 58098 Гидрораспределитель (главный управляющий клапан) EC360B PRIME S/N 15001-/85001- 35001-
FIT
1:1
100%

Артикул

Название

Примечание

Количество

VOE 14577777

Клапан регулирующий (распределительный)

1шт.

1

VOE 14577793

Пробка (заглушка)

1шт.

10

VOE 14577735

Seat

1шт.

100

VOE 14598339

Sealing

1шт.

11

VOE 14577736

Пружина

1шт.

12

VOE 14577738

Пружина

1шт.

13

VOE 14577785

Пробка (заглушка)

1шт.

14

VOE 14577786

Пробка (заглушка)

1шт.

15

VOE 14577789

Пробка (заглушка)

1шт.

16

VOE 14577747

Клапан

1шт.

17

VOE 14577745

Клапан

1шт.

18

VOE 14535191

Кольцо

1шт.

19

VOE 983528

Кольцо уплотнительное (О-кольцо)

1шт.

19

VOE 983528

Кольцо уплотнительное (О-кольцо)

1шт.

2

VOE 14577795

Пробка (заглушка)

1шт.

20

VOE 983523

Кольцо уплотнительное (О-кольцо)

1шт.

20

VOE 983523

Кольцо уплотнительное (О-кольцо)

1шт.

3

VOE 983505

Кольцо уплотнительное (О-кольцо)

1шт.

3

VOE 983505

Кольцо уплотнительное (О-кольцо)

1шт.

4

VOE 983495

Кольцо уплотнительное (О-кольцо)

1шт.

4

VOE 983495

Кольцо уплотнительное (О-кольцо)

1шт.

5

VOE 983527

Кольцо уплотнительное (О-кольцо)

1шт.

5

VOE 983527

Кольцо уплотнительное (О-кольцо)

1шт.

6

VOE 983528

Кольцо уплотнительное (О-кольцо)

1шт.

6

VOE 983528

Кольцо уплотнительное (О-кольцо)

1шт.

7

VOE 983523

Кольцо уплотнительное (О-кольцо)

1шт.

7

VOE 983523

Кольцо уплотнительное (О-кольцо)

1шт.

8

VOE 14880818

Кольцо

1шт.

8

VOE 14880818

Кольцо

1шт.

9

VOE 14577733

Seat

1шт.

Выбрано товаров: 0