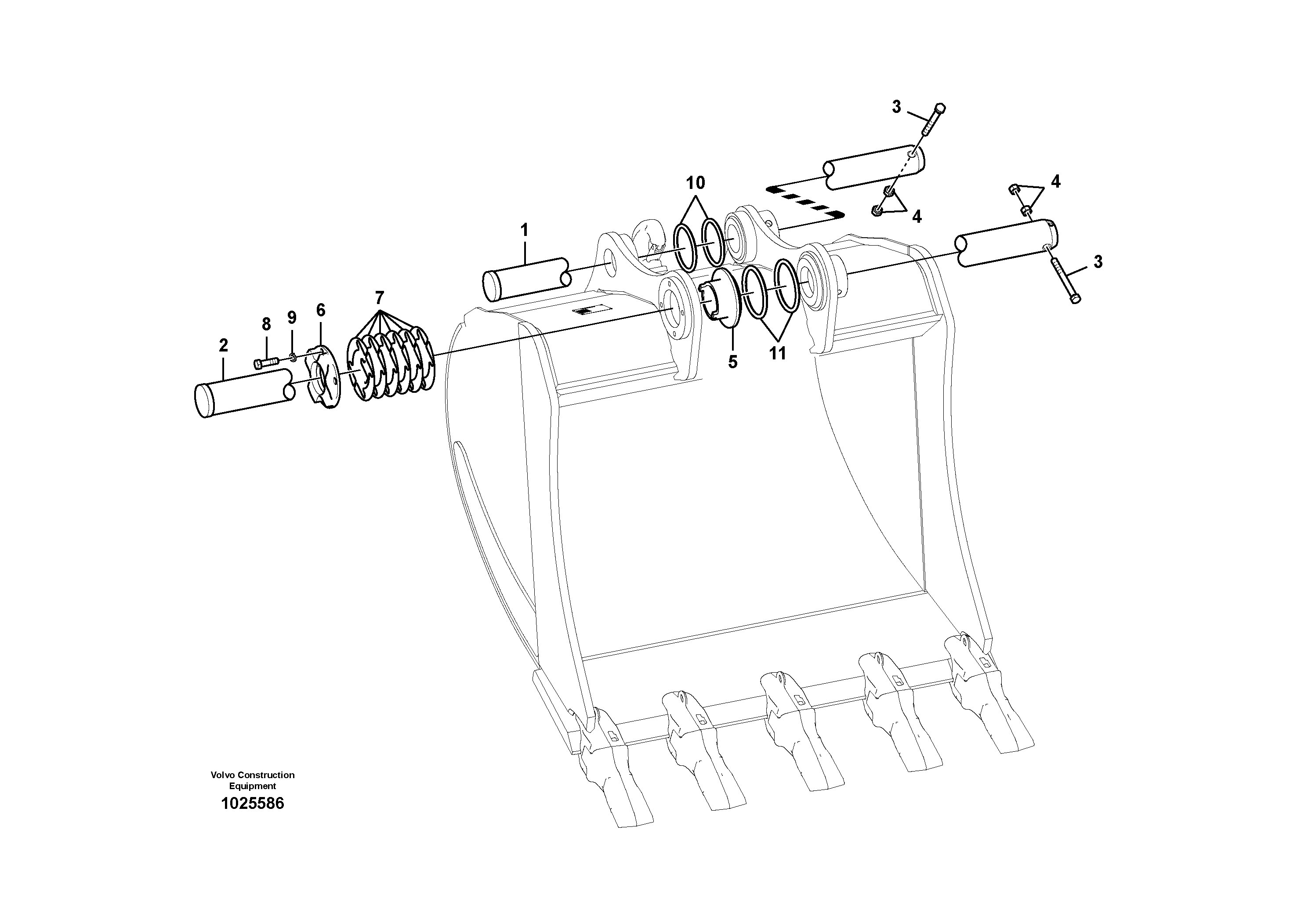
Запчасти Volvo EC360B 58694 Links to bucket EC360B PRIME S/N 15001-/85001- 35001-

Схема запчастей Volvo EC360B - 58694 Links to bucket EC360B PRIME S/N 15001-/85001- 35001-
FIT
1:1
100%

Артикул

Название

Примечание

Количество

SA 9011-22029

Болт

1шт.

SA 9011-22029

Винт шестигранник

1шт.

1

VOE 14509017

Палец

1шт.

1

VOE 14509017

Палец

1шт.

10

SA 9524-00146

Кольцо

1шт.

11

VOE 14880694

Кольцо

1шт.

11

VOE 14880694

Кольцо

1шт.

2

VOE 14509018

Палец

1шт.

2

VOE 14509018

Палец

1шт.

3

SA 9011-22027

Болт

1шт.

3

SA 9011-22027

Болт

1шт.

4

VOE 979022

Hexagon nut

1шт.

4

VOE 979022

Hexagon nut

1шт.

5

VOE 14545478

Втулка

1шт.

5

VOE 14545478

Втулка

1шт.

6

VOE 14503632

Крышка

1шт.

7

SA 1172-04110

Прокладка

1шт.

7

SA 1172-04110

Прокладка

1шт.

8

VOE 14880831

Болт

1шт.

8

VOE 14880831

Болт

1шт.

9

SA 9213-20000

Шайба пружинная

1шт.

Выбрано товаров: 0