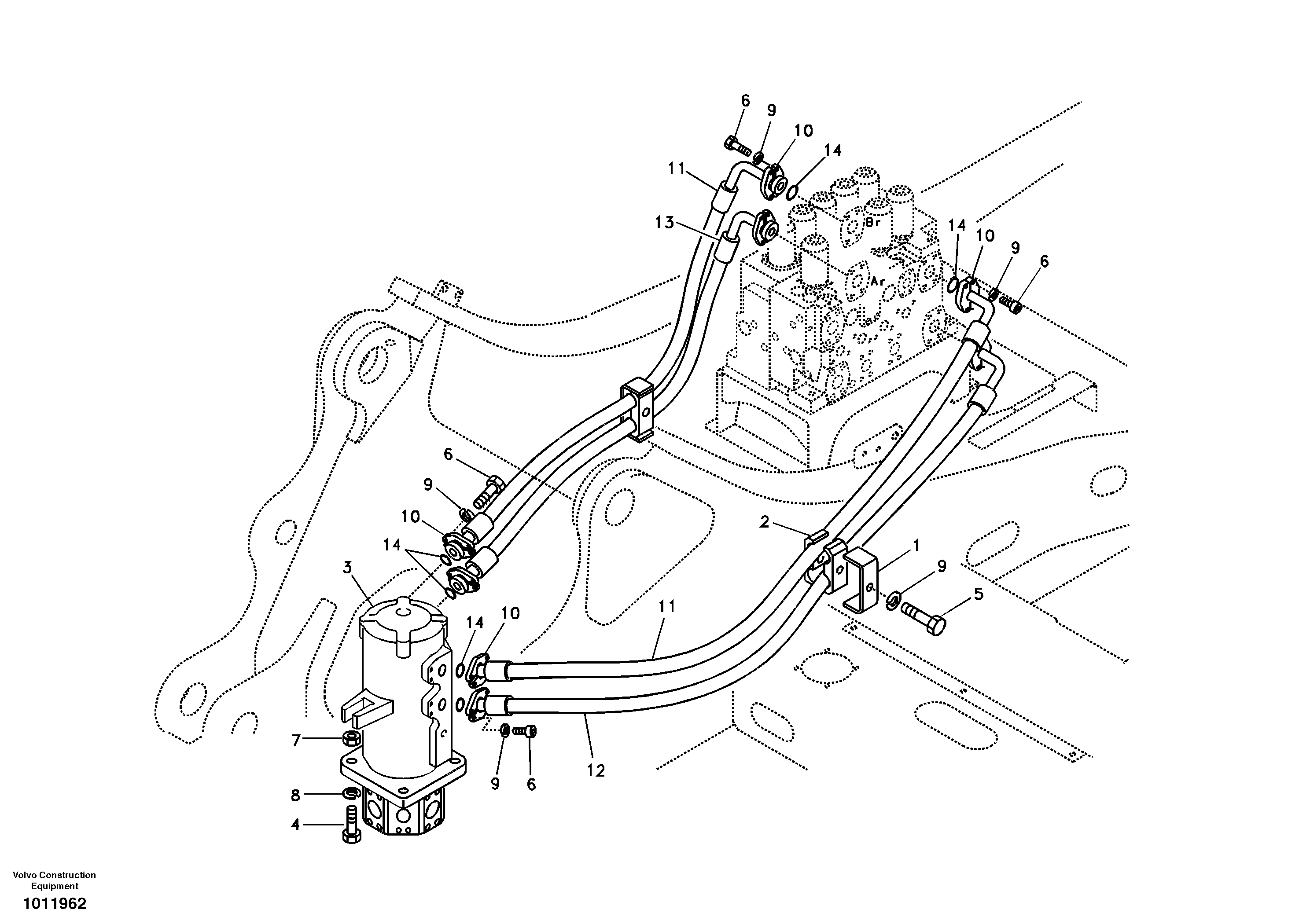
Запчасти Volvo EC360B 47921 Turning joint line, control valve to turning joint EC360B

Схема запчастей Volvo EC360B - 47921 Turning joint line, control valve to turning joint EC360B
FIT
1:1
100%

Артикул

Название

Примечание

Количество

VOE 14524785

Шарнир поворотный

SER NO 10862-

1шт.

VOE 14880745

Шланг

SER NO 12072-

1шт.

VOE 14880745

Шланг

SER NO 12072-

1шт.

VOE 14880746

Шланг

SER NO 12072-

1шт.

VOE 14880746

Шланг

SER NO 12072-

1шт.

VOE 14880747

Шланг

SER NO 12072-

1шт.

VOE 14880747

Шланг

SER NO 12072-

1шт.

VOE 984135

Болт

SER NO 10581-

1шт.

VOE 984135

Винт шестигранник (торцевой ключ)

SER NO 10581-

1шт.

1

VOE 14530996

Пластина

1шт.

1

VOE 14530996

Пластина

1шт.

10

SA 9425-51042

Фланец

1шт.

11

SA 9459-04860

Шланг

SER NO 10001-12071

1шт.

12

SA 9459-04870

Шланг

SER NO 10001-12071

1шт.

13

SA 9459-04880

Шланг

SER NO 10001-12071

1шт.

14

VOE 949238

Кольцо уплотнительное (О-кольцо)

1шт.

14

VOE 949238

Кольцо уплотнительное (О-кольцо)

1шт.

2

SA 1042-07441

Зажим

1шт.

2

SA 1042-07441

Rubber clamp

1шт.

3

SA 1146-07500

Шарнир поворотный

SER NO 10001-10861

1шт.

4

VOE 978934

Винт шестигранник

1шт.

4

VOE 978934

Винт шестигранник

1шт.

5

SA 9011-21418

Винт шестигранник

1шт.

5

SA 9011-21418

Болт

1шт.

6

VOE 983317

Болт

SER NO 10001-10580

1шт.

6

VOE 983317

Винт шестигранник (торцевой ключ)

SER NO 10001-10580

1шт.

7

VOE 979019

Hexagon nut

1шт.

7

VOE 979019

Hexagon nut

1шт.

8

VOE 955923

Шайба пружинная

1шт.

8

VOE 955923

Шайба пружинная

1шт.

9

SA 9213-14000

Шайба

1шт.

9

SA 9213-14000

Шайба пружинная

1шт.

Выбрано товаров: 0