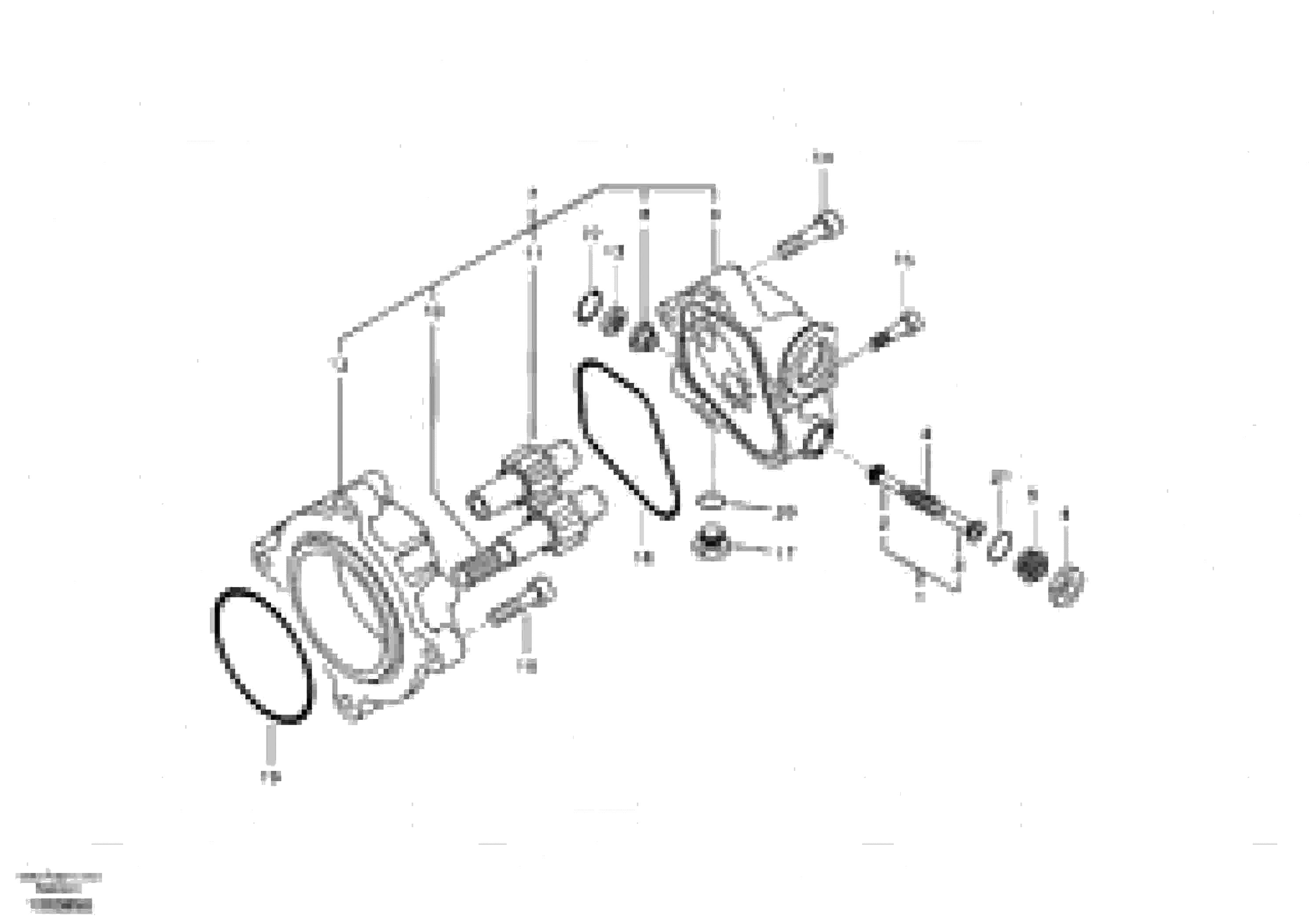
Запчасти Volvo EC360B 55369 Гидронасос (шестеренчатый) EC360B

Схема запчастей Volvo EC360B - 55369 Гидронасос (шестеренчатый) EC360B
FIT
1:1
100%

Артикул

Название

Примечание

Количество

SA 8230-08830

Пилотный (шестерёнчатый) насос

1шт.

1

SA 8230-09950

Poppet

1шт.

10

SA 8230-30940

Gear

1шт.

10

SA 8230-30940

Gear

1шт.

100

SA 8048-01060

Sealing Kit

1шт.

11

SA 8230-30950

Gear

1шт.

12

SA 8230-30860

Case

1шт.

12

SA 8230-30860

Case

1шт.

13

SA 8230-08770

Фильтр топливный

1шт.

13

SA 8230-08770

Фильтр топливный

1шт.

14

SA 8230-26260

Socket

1шт.

15

SA 8230-26280

Socket

1шт.

16

SA 8230-26230

Socket

1шт.

17

SA 9415-11021

Пробка (заглушка)

1шт.

18

SA 8230-08871

Кольцо

1шт.

19

SA 9511-22105

Кольцо уплотнительное (О-кольцо)

1шт.

19

SA 9511-22105

Кольцо уплотнительное (О-кольцо)

1шт.

2

SA 8230-28550

Клапан

1шт.

20

SA 9511-12011

Кольцо уплотнительное (О-кольцо)

1шт.

21

SA 9511-12016

Кольцо уплотнительное (О-кольцо)

1шт.

22

SA 8230-25710

Кольцо

1шт.

3

SA 8230-28540

Seat

1шт.

4

SA 8230-27780

Пружина

1шт.

4

SA 8230-27780

Пружина

1шт.

5

SA 8230-28120

Болт

1шт.

6

SA 8230-08880

Lock nut

1шт.

7

VOE 14502644

Case

1шт.

8

SA 8230-30840

Seat

1шт.

9

SA 8230-30880

Case

1шт.

Выбрано товаров: 0