Запчасти Volvo EC390 26419 Картер маховика EC390 SER NO 1001-

Схема запчастей Volvo EC390 - 26419 Картер маховика EC390 SER NO 1001-
FIT
1:1
100%

Артикул

Название

Примечание

Количество

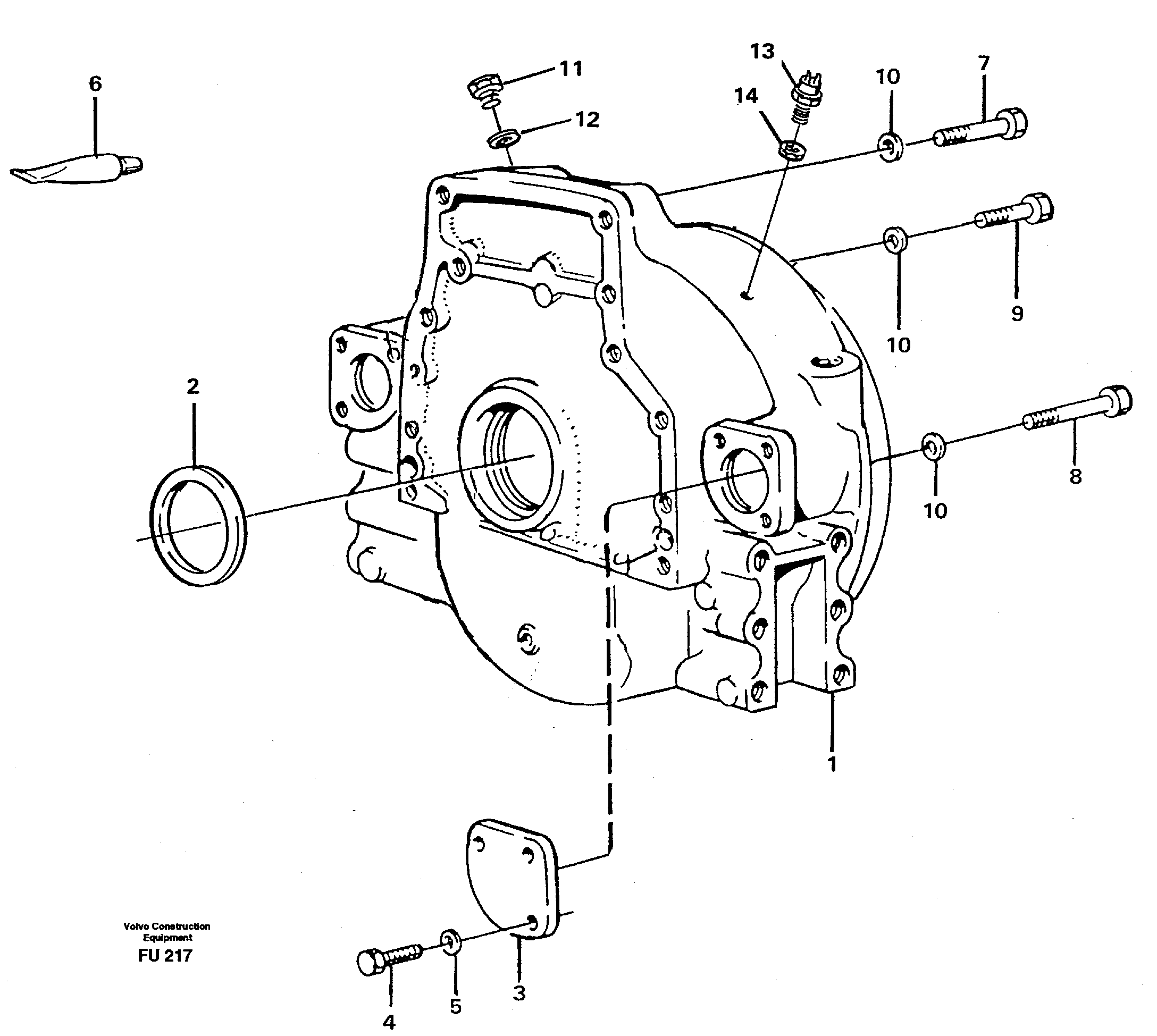
1

VOE 11701057

Casing

1шт.

10

VOE 955899

Шайба

1шт.

10

VOE 955899

Шайба

1шт.

11

VOE 180761

Пробка (заглушка)

1шт.

11

VOE 180761

Пробка (заглушка)

1шт.

12

VOE 7011996

Прокладка

1шт.

12

VOE 7011996

Прокладка

1шт.

13

VOE 11039533

Ind Sensor

B5

1шт.

13

VOE 11039533

Ind Sensor

B5

1шт.

14

VOE 940152

Hexagon Nut

1шт.

14

VOE 940152

Hexagon Nut

1шт.

2

VOE 3825164

Кольцо уплотнительное

1шт.

2

VOE 3825164

Кольцо уплотнительное

1шт.

3

VOE 423081

Seal Flange

1шт.

3

VOE 423081

Seal Flange

1шт.

4

VOE 13940114

Болт

1шт.

4

VOE 13940114

Болт

1шт.

5

VOE 13942336

Шайба пружинная

1шт.

5

VOE 13942336

Шайба пружинная

1шт.

6

VOE 11713514

Sealant

1шт.

6

VOE 11713514

Sealant

1шт.

7

VOE 955582

Винт шестигранник

1шт.

7

VOE 955582

Винт шестигранник

1шт.

8

VOE 955587

Винт шестигранник

1шт.

8

VOE 955587

Болт

1шт.

9

VOE 955580

Винт шестигранник

1шт.

9

VOE 955580

Винт шестигранник

1шт.

Выбрано товаров: 27