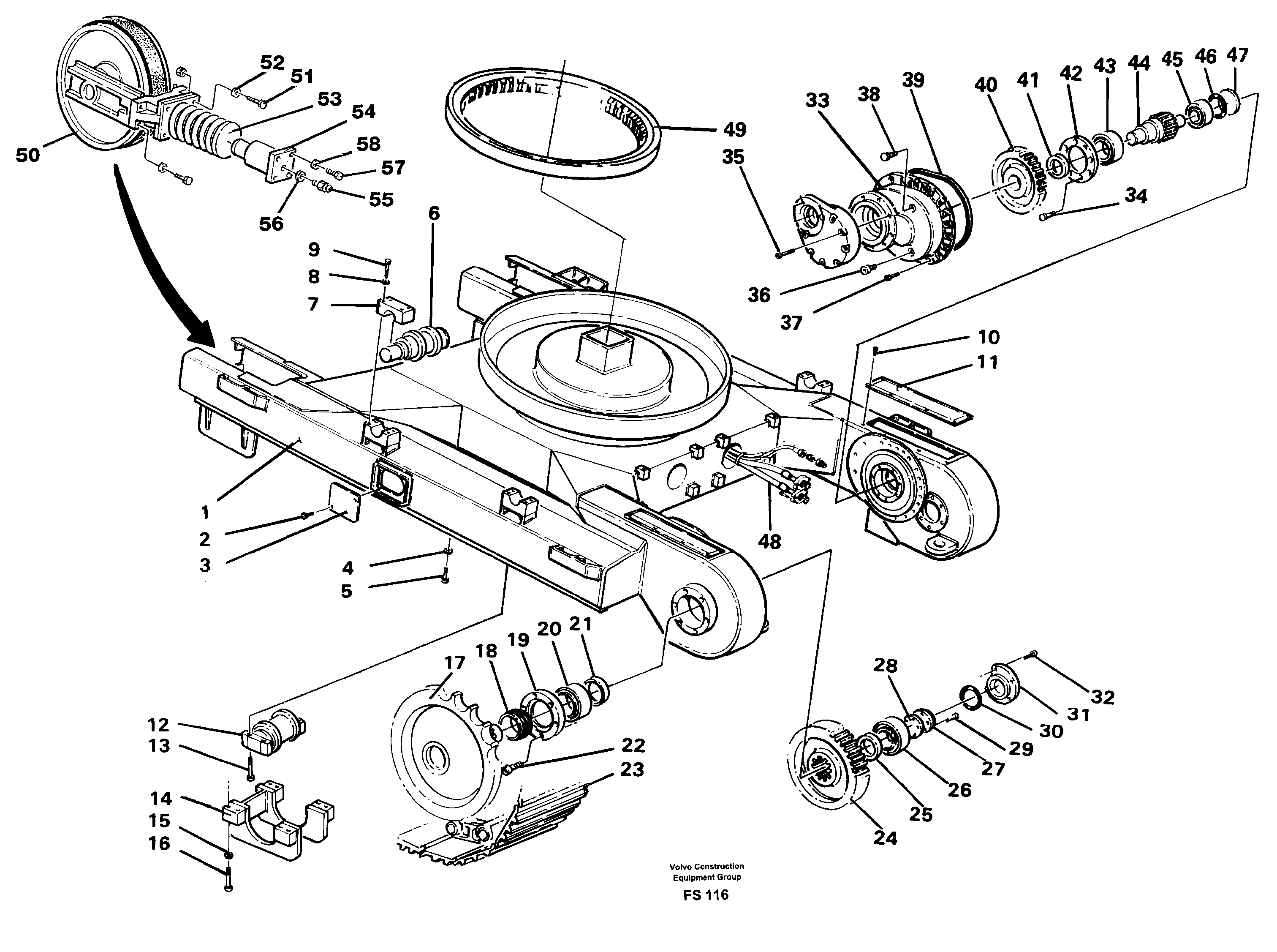
Запчасти Volvo EC420 17700 Components of undercarriage EC420 ?KERMAN ?KERMAN EC420 SER NO - 1550

Схема запчастей Volvo EC420 - 17700 Components of undercarriage EC420 ?KERMAN ?KERMAN EC420 SER NO - 1550
FIT
1:1
100%

Артикул

Название

Примечание

Количество

VOE 14023979

Drive gear ring

1шт.

VOE 14016535

V-ring

1шт.

1

VOE 14230701

Шасси

C-C 3.50M

1шт.

10

VOE 13970944

Винт шестигранник

1шт.

10

VOE 13970944

Винт шестигранник

1шт.

11

VOE 14240278

Крышка

1шт.

12

VOE 14024006

Bottom Roller

1шт.

13

VOE 963343

Винт шестигранник

1шт.

13

VOE 963343

Винт шестигранник

1шт.

14

VOE 14049427

De-rlg Protect

1шт.

15

VOE 955903

Шайба

1шт.

15

VOE 955903

Шайба

1шт.

16

VOE 955384

Винт шестигранник

1шт.

16

VOE 955384

Винт шестигранник

1шт.

17

VOE 14048072

Drive Gear

1шт.

18

VOE 14016900

Face Sealing

1шт.

19

VOE 14048073

Крышка

1шт.

2

VOE 13970967

Винт шестигранник

1шт.

2

VOE 13970967

Винт шестигранник

1шт.

20

VOE 14023993

Подшипник

1шт.

21

VOE 14048109

Spacer sleeve

1шт.

22

VOE 13955370

Болт

1шт.

22

VOE 13955370

Болт

1шт.

24

VOE 14047954

Gear

1шт.

25

VOE 14048076

Spacer ring

1шт.

26

VOE 14013577

Подшипник

1шт.

27

VOE 14044790

Шайба

1шт.

28

VOE 14058113

Adjusting washer

1шт.

29

VOE 13955370

Болт

1шт.

29

VOE 13955370

Болт

1шт.

3

VOE 14041524

Hatch

1шт.

30

VOE 925276

Кольцо уплотнительное (О-кольцо)

1шт.

30

VOE 925276

Кольцо уплотнительное (О-кольцо)

1шт.

31

VOE 14047978

Крышка

1шт.

32

VOE 959238

Allen Hd Screw

1шт.

34

VOE 970952

Винт шестигранник

1шт.

34

VOE 970952

Винт шестигранник

1шт.

35

VOE 14023278

Allen Hd Screw

1шт.

36

VOE 14023409

Пробка (заглушка)

1шт.

36

VOE 14023409

Пробка (заглушка)

1шт.

37

VOE 13947373

Болт

1шт.

37

VOE 13947373

Болт

1шт.

38

VOE 14044202

Overpress.plug

1шт.

39

VOE 14024151

Sealant

1шт.

39

VOE 14024151

Sealant

1шт.

4

VOE 955903

Шайба

1шт.

4

VOE 955903

Шайба

1шт.

40

VOE 14048756

Gear

1шт.

40

VOE 14048756

Gear

1шт.

41

VOE 14052659

Spacer sleeve

1шт.

42

VOE 14048067

Стопорная шайба (кольцо)

1шт.

43

VOE 14101089

Подшипник

1шт.

44

VOE 14257913

Gear

1шт.

45

VOE 14023994

Подшипник

1шт.

45

VOE 14023994

Подшипник

1шт.

46

VOE 925030

Кольцо уплотнительное (О-кольцо)

1шт.

46

VOE 925030

Кольцо уплотнительное (О-кольцо)

1шт.

47

VOE 14048069

Крышка

1шт.

47

VOE 14048069

Cover

1шт.

5

VOE 955384

Винт шестигранник

1шт.

5

VOE 955384

Винт шестигранник

1шт.

51

VOE 955397

Винт шестигранник

1шт.

51

VOE 955397

Винт шестигранник

1шт.

52

VOE 14023781

Шайба пружинная

1шт.

55

VOE 14042668

Lubricating nipple

1шт.

56

VOE 14042936

Sealing washer

1шт.

56

VOE 14042936

Sealing washer

1шт.

57

VOE 955399

Винт шестигранник

1шт.

58

VOE 11055609

Шайба

1шт.

58

VOE 11055609

Шайба

1шт.

7

VOE 14082976

Roller cage

1шт.

8

VOE 955903

Шайба

1шт.

8

VOE 955903

Шайба

1шт.

9

VOE 963342

Винт шестигранник

1шт.

9

VOE 963342

Винт шестигранник

1шт.

Выбрано товаров: 75