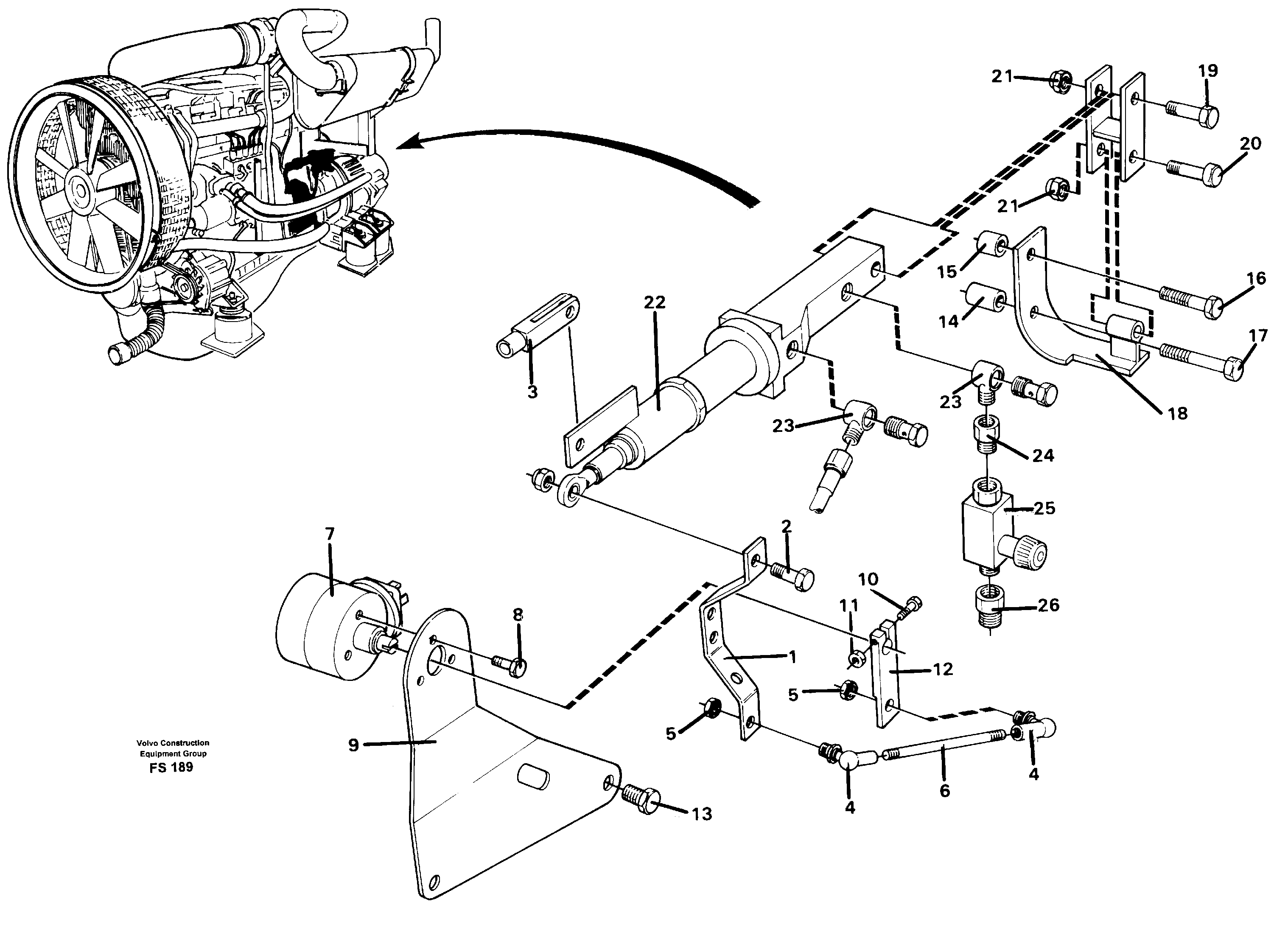
Запчасти Volvo EC420 50652 Automatic Speed control EC420 ?KERMAN ?KERMAN EC420 SER NO - 1550

Схема запчастей Volvo EC420 - 50652 Automatic Speed control EC420 ?KERMAN ?KERMAN EC420 SER NO - 1550
FIT
1:1
100%

Артикул

Название

Примечание

Количество

1

VOE 14256955

Control arm

1шт.

10

VOE 955275

Винт шестигранник

1шт.

10

VOE 955275

Винт шестигранник

1шт.

11

VOE 13963105

Lock nut

1шт.

11

VOE 13963105

Lock nut

1шт.

12

VOE 14254565

Рукоять

1шт.

13

VOE 14014885

Болт

1шт.

13

VOE 14014885

Болт

1шт.

14

VOE 14079519

Вставка

1шт.

15

VOE 14040116

Вставка

1шт.

16

VOE 14014887

Болт

1шт.

17

VOE 955539

Винт шестигранник

1шт.

17

VOE 955539

Винт шестигранник

1шт.

18

VOE 14053283

Тарелка клапана

1шт.

19

VOE 955280

Винт шестигранник

1шт.

19

VOE 955280

Винт шестигранник

1шт.

2

VOE 13955272

Болт

1шт.

2

VOE 13955272

Болт

1шт.

20

VOE 955280

Винт шестигранник

1шт.

20

VOE 955280

Винт шестигранник

1шт.

21

VOE 13963105

Lock nut

1шт.

21

VOE 13963105

Lock nut

1шт.

22

VOE 14055266

Гидроцилиндр

1шт.

22

VOE 14055266

Гидроцилиндр

1шт.

23

VOE 14012474

Banjo fitting

1шт.

24

VOE 14023056

14023056

1шт.

25

VOE 14026088

Restricting Reverse Valve

1шт.

26

VOE 14012413

14012413

1шт.

3

VOE 14014005

Вилка

1шт.

4

VOE 14215187

Angle Link

1шт.

5

VOE 14015039

Гайка

1шт.

5

VOE 14015039

Гайка

1шт.

6

VOE 14241453

Щуп

1шт.

7

VOE 14254332

Potentiometer

1шт.

7

VOE 14254332

Potentiometer

1шт.

8

VOE 955244

Винт шестигранник

1шт.

8

VOE 955244

Винт шестигранник

1шт.

9

VOE 14256953

14256953

1шт.

Выбрано товаров: 38