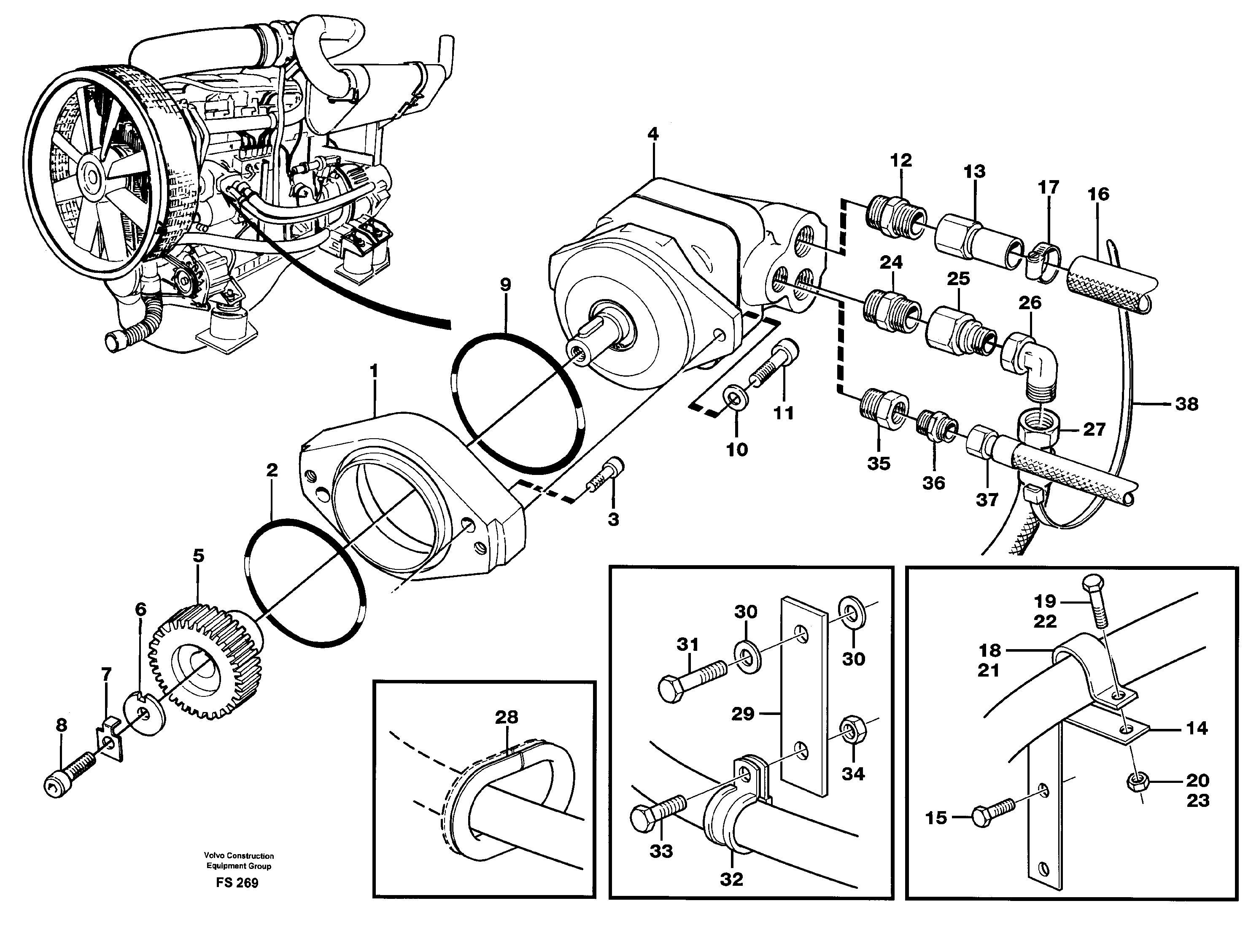
Запчасти Volvo EC420 84988 Pump installation EC420 ?KERMAN ?KERMAN EC420 SER NO - 1550

Схема запчастей Volvo EC420 - 84988 Pump installation EC420 ?KERMAN ?KERMAN EC420 SER NO - 1550
FIT
1:1
100%

Артикул

Название

Примечание

Количество

1

VOE 14055836

Фланец

1шт.

10

VOE 13955897

Шайба

1шт.

10

VOE 13955897

Шайба

1шт.

11

VOE 959256

Allen Hd Screw

1шт.

12

VOE 14012431

14012431

1шт.

13

VOE 14046699

Tube Assembly

1шт.

14

VOE 14237681

14237681

1шт.

15

VOE 14014886

Болт

1шт.

15

VOE 14014886

Болт

1шт.

16

VOE 14014151

Suction hose

1шт.

17

VOE 943476

Hose clamp

1шт.

18

VOE 14048141

Зажим

1шт.

19

VOE 955297

Винт шестигранник

1шт.

19

VOE 955297

Винт шестигранник

1шт.

2

VOE 925261

Кольцо уплотнительное (О-кольцо)

1шт.

2

VOE 925261

Кольцо уплотнительное (О-кольцо)

1шт.

20

VOE 955782

Hexagon nut

1шт.

20

VOE 955782

Hexagon nut

1шт.

21

VOE 14048141

Зажим

1шт.

22

VOE 955297

Винт шестигранник

1шт.

22

VOE 955297

Винт шестигранник

1шт.

23

VOE 955782

Hexagon nut

1шт.

23

VOE 955782

Hexagon nut

1шт.

24

VOE 14012431

14012431

1шт.

25

VOE 14213557

14213557

1шт.

26

VOE 14012395

14012395

1шт.

27

VOE 14245633

Hydraulic hose

1шт.

28

VOE 14216000

Clamping strip

BY M

1шт.

28

VOE 14216000

Clamping strip

BY M

1шт.

29

VOE 14048652

Attachment

1шт.

3

VOE 956585

Allen Hd Screw

1шт.

30

VOE 14015134

Шайба

1шт.

30

VOE 14015134

Шайба

1шт.

31

VOE 940156

Болт

1шт.

31

VOE 940156

Винт шестигранник

1шт.

32

VOE 952633

Зажим

1шт.

32

VOE 952633

Зажим

1шт.

33

VOE 14014588

Болт

1шт.

33

VOE 14014588

Болт

1шт.

34

VOE 14015039

Гайка

1шт.

34

VOE 14015039

Гайка

1шт.

35

VOE 14012513

Rdc Bushing

1шт.

36

VOE 14012423

14012423

1шт.

37

VOE 14239434

Hydraulic hose

1шт.

38

VOE 4881440

Cable tie

1шт.

38

VOE 4881440

Cable tie

1шт.

4

VOE 11147222

Гидронасос (основной насос)

1шт.

5

VOE 14249907

Gear

1шт.

6

VOE 14053720

Шайба

1шт.

7

VOE 14053721

Striker plate

1шт.

8

VOE 13955294

Болт

1шт.

8

VOE 13955294

Болт

1шт.

9

VOE 925261

Кольцо уплотнительное (О-кольцо)

1шт.

9

VOE 925261

Кольцо уплотнительное (О-кольцо)

1шт.

Выбрано товаров: 54