Запчасти Volvo EC420 60507 Overcenter valve EC420 ?KERMAN ?KERMAN EC420 SER NO - 1550

Схема запчастей Volvo EC420 - 60507 Overcenter valve EC420 ?KERMAN ?KERMAN EC420 SER NO - 1550
FIT
1:1
100%

Артикул

Название

Примечание

Количество

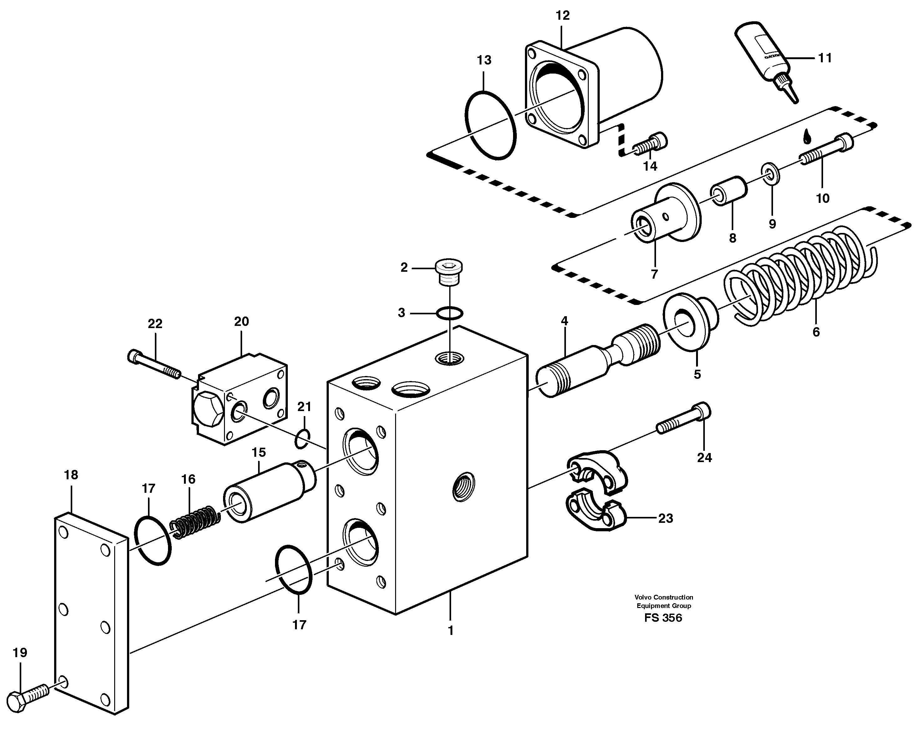
1

VOE 14260487

Картер (корпус)

1шт.

10

VOE 13959258

Allen Hd Screw

1шт.

11

VOE 14024293

Locking fluid

1шт.

11

VOE 14024293

Locking fluid

1шт.

12

VOE 14041088

Cover

1шт.

12

VOE 14041088

Крышка

1шт.

13

VOE 14012308

Кольцо уплотнительное (О-кольцо)

1шт.

13

VOE 14012308

Кольцо уплотнительное (О-кольцо)

1шт.

14

VOE 959254

Allen Hd Screw

1шт.

15

VOE 14241339

Peg

1шт.

16

VOE 14040429

Compression spring

1шт.

16

VOE 14040429

Compression spring

1шт.

17

VOE 949659

Кольцо уплотнительное (О-кольцо)

1шт.

17

VOE 949659

Кольцо уплотнительное (О-кольцо)

1шт.

18

VOE 14241340

Крышка

1шт.

19

VOE 13970947

Винт шестигранник

1шт.

19

VOE 13970947

Винт шестигранник

1шт.

2

VOE 14023410

Tube Plug

1шт.

21

VOE 925058

Кольцо уплотнительное (О-кольцо)

1шт.

21

VOE 925058

Кольцо уплотнительное (О-кольцо)

1шт.

22

VOE 13959209

Болт

1шт.

22

VOE 13959209

Болт

1шт.

23

VOE 14024055

Flange half

1шт.

23

VOE 14024055

Flange half

1шт.

24

VOE 13959258

Allen Hd Screw

1шт.

3

VOE 14211859

Кольцо уплотнительное

1шт.

3

VOE 14211859

Кольцо уплотнительное

1шт.

4

VOE 14241341

Slide

1шт.

5

VOE 14236709

Spring disc

1шт.

5

VOE 14236709

Spring disc

1шт.

6

VOE 14041583

Compression spring

1шт.

6

VOE 14041583

Compression spring

1шт.

7

VOE 14040408

Spring disc

1шт.

7

VOE 14040408

Spring disc

1шт.

8

VOE 14040406

Вставка

1шт.

8

VOE 14040406

Вставка

1шт.

9

VOE 14044702

Шайба

1шт.

9

VOE 14044702

Шайба

1шт.

Выбрано товаров: 38