Запчасти Volvo EC450 28211 Fuel miser EC450 ?KERMAN ?KERMAN EC450 SER NO - 1781

Схема запчастей Volvo EC450 - 28211 Fuel miser EC450 ?KERMAN ?KERMAN EC450 SER NO - 1781
FIT
1:1
100%

Артикул

Название

Примечание

Количество

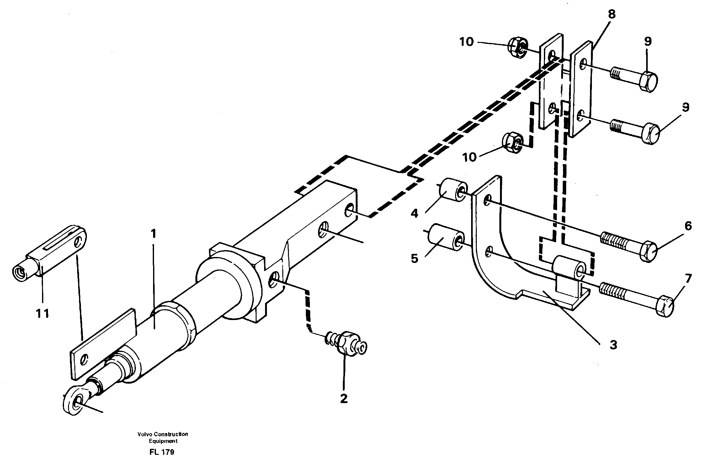
1

VOE 14055266

Гидроцилиндр

1шт.

1

VOE 14055266

Гидроцилиндр

1шт.

10

VOE 13963105

Lock nut

1шт.

10

VOE 13963105

Lock nut

1шт.

2

VOE 14012413

14012413

1шт.

3

VOE 14053283

Тарелка клапана

1шт.

4

VOE 14040116

Вставка

1шт.

5

VOE 14230336

Вставка

1шт.

6

VOE 13940162

Болт

1шт.

6

VOE 13940162

Болт

1шт.

7

VOE 955541

Винт шестигранник

1шт.

7

VOE 955541

Винт шестигранник

1шт.

8

VOE 14252198

14252198

1шт.

9

VOE 955280

Винт шестигранник

1шт.

9

VOE 955280

Винт шестигранник

1шт.

Выбрано товаров: 15