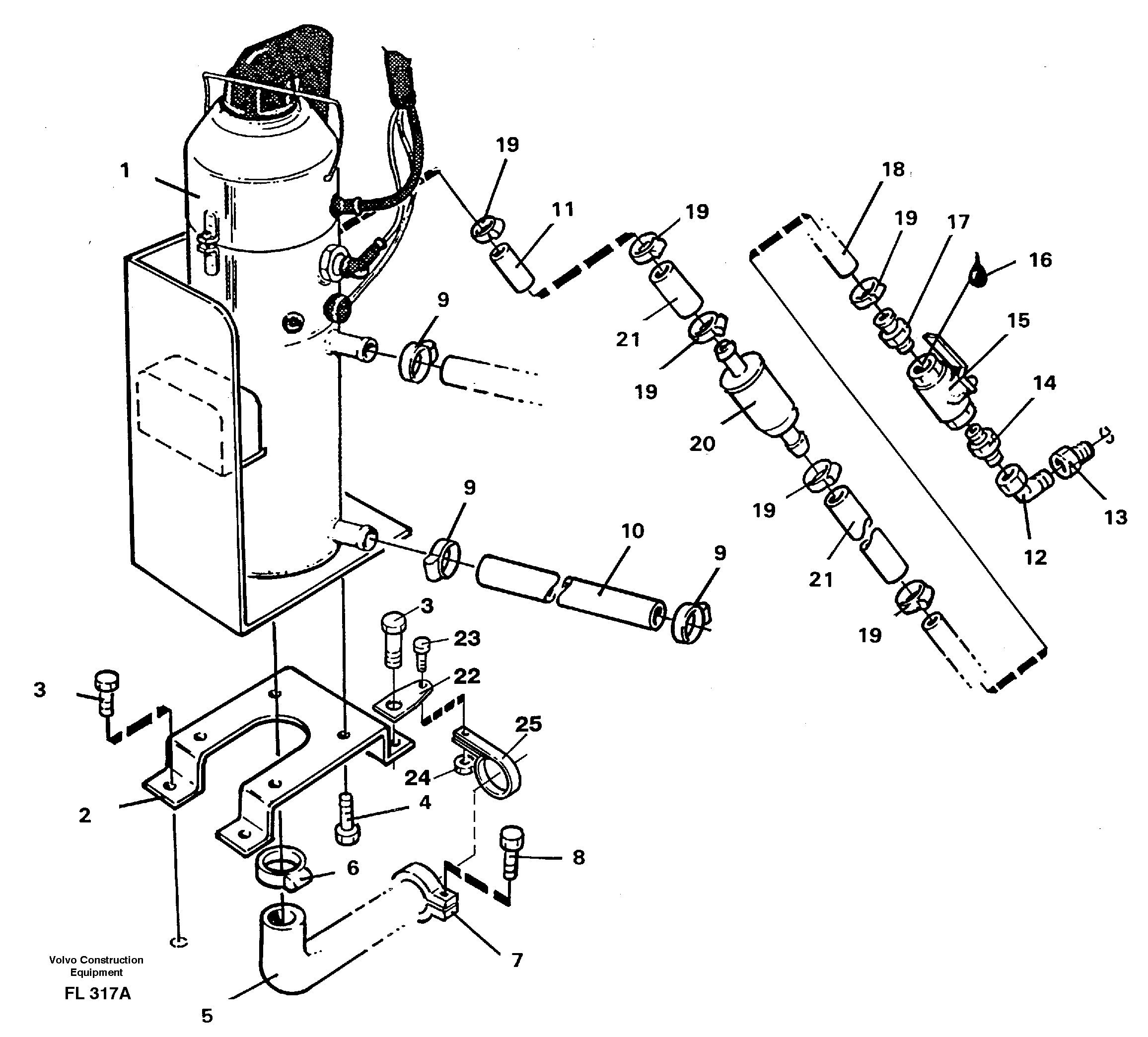
Запчасти Volvo EC450 82441 Heater, diesel installation EC450 ?KERMAN ?KERMAN EC450 SER NO - 1781

Схема запчастей Volvo EC450 - 82441 Heater, diesel installation EC450 ?KERMAN ?KERMAN EC450 SER NO - 1781
FIT
1:1
100%

Артикул

Название

Примечание

Количество

VOE 11704381

Rubber damper

1шт.

VOE 946440

Flange screw

1шт.

VOE 946440

Flange screw

1шт.

VOE 13945408

Гайка

1шт.

VOE 13945408

Гайка

1шт.

10

VOE 943368

Шланг

L = 2300mm

1шт.

10

VOE 943368

Шланг

L = 2300mm

1шт.

11

VOE 3714179

Шланг топливный

L = 50mm

1шт.

12

VOE 14012393

14012393

1шт.

13

VOE 957030

Nipple

1шт.

13

VOE 957030

Nipple

1шт.

14

VOE 14044957

14044957

1шт.

15

VOE 14214401

Ball cock

1шт.

16

VOE 1161053

Locking fluid

1шт.

17

VOE 14237820

Nipple

1шт.

18

VOE 3714198

Шланг топливный

L = 50mm

1шт.

19

VOE 943469

Hose clamp

1шт.

2

VOE 14265016

14265016

1шт.

20

VOE 3713186

Фильтр топливный

1шт.

21

VOE 3716426

Шланг

L = 2 x 50mm

1шт.

22

VOE 14252169

Attachment

SER NO 1693-

1шт.

23

VOE 955269

Винт шестигранник

SER NO 1693-

1шт.

23

VOE 955269

Винт шестигранник

SER NO 1693-

1шт.

24

VOE 13955781

Гайка

SER NO 1693-

1шт.

24

VOE 13955781

Гайка

SER NO 1693-

1шт.

25

VOE 952638

Зажим

SER NO 1693-

1шт.

25

VOE 952638

Зажим

SER NO 1693-

1шт.

3

VOE 13970944

Винт шестигранник

1шт.

3

VOE 13970944

Винт шестигранник

1шт.

4

VOE 940199

Винт шестигранник

1шт.

4

VOE 940199

Винт шестигранник

1шт.

5

VOE 3714566

Exhaust hose

1шт.

6

VOE 943475

Hose clamp

1шт.

6

VOE 943475

Hose clamp

1шт.

7

VOE 952640

Зажим

1шт.

7

VOE 952640

Зажим

1шт.

8

VOE 13955272

Болт

1шт.

8

VOE 13955272

Болт

1шт.

9

VOE 13943472

Hose clamp

1шт.

Выбрано товаров: 39