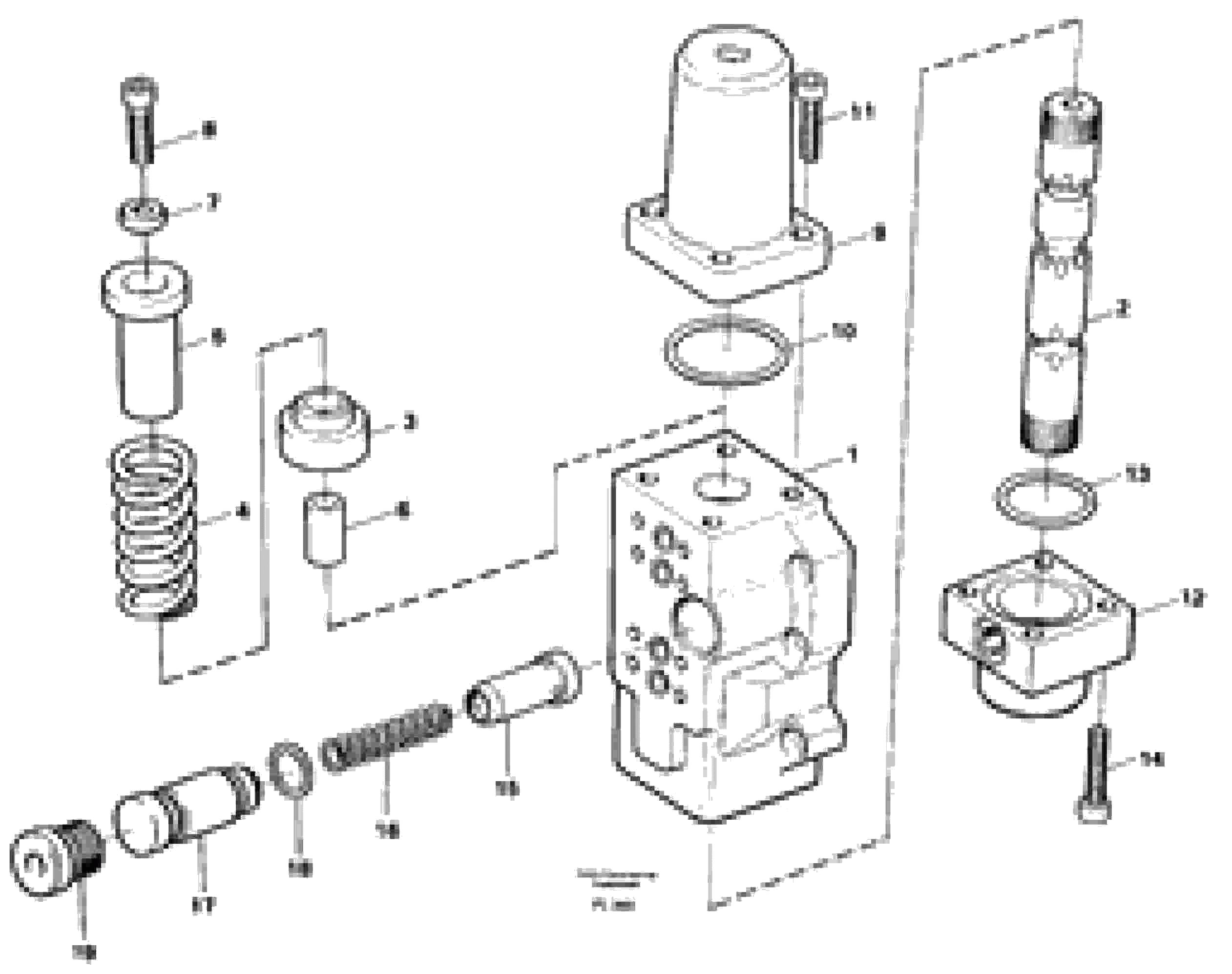
Запчасти Volvo EC450 4431 Four-way valve, dipper primary EC450 ?KERMAN ?KERMAN EC450 SER NO - 1781

Схема запчастей Volvo EC450 - 4431 Four-way valve, dipper primary EC450 ?KERMAN ?KERMAN EC450 SER NO - 1781
FIT
1:1
100%

Артикул

Название

Примечание

Количество

VOE 14263757

Directional Valve

1шт.

1

VOE 14256964

Valve housing

1шт.

10

VOE 13925095

Кольцо уплотнительное (О-кольцо)

1шт.

10

VOE 13925095

Кольцо уплотнительное (О-кольцо)

1шт.

11

VOE 14023268

Болт

1шт.

11

VOE 14023268

Болт

1шт.

12

VOE 14046434

Крышка

1шт.

13

VOE 925091

Кольцо уплотнительное (О-кольцо)

1шт.

13

VOE 925091

Кольцо уплотнительное (О-кольцо)

1шт.

14

VOE 959241

Винт шестигранник (торцевой ключ)

1шт.

15

VOE 14046451

Поршень

1шт.

16

VOE 14040429

Compression spring

1шт.

16

VOE 14040429

Compression spring

1шт.

17

VOE 14046450

Guide

1шт.

18

VOE 13960173

Кольцо уплотнительное (О-кольцо)

1шт.

18

VOE 13960173

Кольцо уплотнительное (О-кольцо)

1шт.

19

VOE 14343057

Пробка (заглушка)

1шт.

2

VOE 14264483

Slide

1шт.

2

VOE 14252122

Slide

1шт.

3

VOE 14046445

Spring disc

1шт.

4

VOE 14046452

Compression spring

1шт.

5

VOE 14046444

Spring disc

1шт.

6

VOE 14046443

Вставка

1шт.

7

VOE 14046442

Шайба

1шт.

8

VOE 959263

Allen Hd Screw

1шт.

9

VOE 14046433

Крышка

1шт.

Выбрано товаров: 26