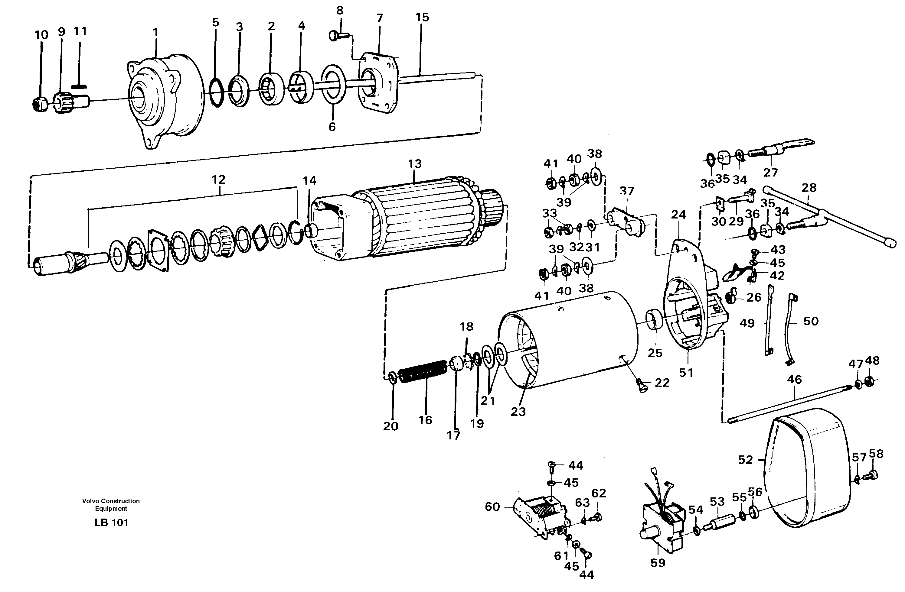
Запчасти Volvo EC450 23982 Starter motor EC450 SER NO 1782-1909

Схема запчастей Volvo EC450 - 23982 Starter motor EC450 SER NO 1782-1909
FIT
1:1
100%

Артикул

Название

Примечание

Количество

VOE 6643672

Connector Kit

1шт.

VOE 6643672

Connector Kit

1шт.

VOE 847308

Starter Motor

1шт.

VOE 6212792

Соединитель

1шт.

VOE 6212792

Соединитель

1шт.

1

VOE 7240449

Drive End Ass

1шт.

10

VOE 11000085

Гайка

1шт.

10

VOE 11000085

Гайка

1шт.

11

VOE 240473

Key

1шт.

11

VOE 240473

Key

1шт.

12

VOE 244539

Диск сцепления (фрикцион)

1шт.

12

VOE 244539

Диск сцепления (фрикцион)

1шт.

13

VOE 848093

Anchor

1шт.

14

VOE 243091

Needle Bearing

1шт.

14

VOE 243091

Needle Bearing

1шт.

15

VOE 6212793

Вал

1шт.

16

VOE 6212617

Compression Spring

1шт.

16

VOE 6212617

Compression Spring

1шт.

17

VOE 6212622

Brg Arrangement

1шт.

18

VOE 844412

Ball

1шт.

18

VOE 844412

Ball

1шт.

19

VOE 240471

Lock Ring

1шт.

19

VOE 240471

Lock Ring

1шт.

2

VOE 240453

Подшипник

1шт.

2

VOE 240453

Подшипник

1шт.

20

VOE 844410

Brg Arrangement

1шт.

21

VOE 241904

Прокладка

THICK = 0,20

1шт.

21

VOE 241904

Прокладка

THICK = 0,20

1шт.

21

VOE 7240487

Прокладка

THICK = 0,30

1шт.

21

VOE 7240487

Прокладка

THICK = 0,30

1шт.

21

VOE 7240487

Прокладка

THICK = 0,50

1шт.

21

VOE 7240487

Прокладка

THICK = 0,50

1шт.

23

VOE 6212791

Field Winding

1шт.

24

VOE 843534

Bearing Shield

1шт.

25

VOE 240481

Втулка

1шт.

25

VOE 240481

Втулка

1шт.

26

VOE 240478

Brush Spring

1шт.

26

VOE 240478

Brush Spring

1шт.

28

VOE 240480

Cable

1шт.

28

VOE 240480

Cable

1шт.

3

VOE 243172

Кольцо уплотнительное

1шт.

3

VOE 243172

Кольцо уплотнительное

1шт.

4

VOE 240455

Втулка

1шт.

4

VOE 240455

Втулка

1шт.

42

VOE 6212621

Carbon Brush Set

1шт.

42

VOE 6212621

Carbon Brush Set

1шт.

43

VOE 6643679

Болт

1шт.

43

VOE 6643679

Болт

1шт.

44

VOE 244218

Болт

1шт.

44

VOE 244218

Болт

1шт.

45

VOE 955918

Шайба пружинная

1шт.

45

VOE 955918

Шайба пружинная

1шт.

46

VOE 240483

Болт

1шт.

46

VOE 240638

Болт

1шт.

47

VOE 241099

Шайба

1шт.

47

VOE 241099

Шайба

1шт.

48

VOE 13955781

Гайка

1шт.

48

VOE 13955781

Гайка

1шт.

49

VOE 847987

Cable

1шт.

50

VOE 847988

Cable

1шт.

53

VOE 243713

Болт

1шт.

54

VOE 6212619

Шайба

1шт.

54

VOE 6212619

Шайба

1шт.

57

VOE 13941906

Шайба

1шт.

57

VOE 13941906

Шайба

1шт.

58

VOE 956094

X Rec Screw

1шт.

58

VOE 956094

X Rec Screw

1шт.

59

VOE 11991942

Реле

1шт.

59

VOE 11991942

Реле

1шт.

6

VOE 240457

Шайба

1шт.

6

VOE 240457

Шайба

1шт.

60

VOE 241897

Actr Solenoid

1шт.

60

VOE 241897

Actr Solenoid

1шт.

61

VOE 13940090

Шайба

1шт.

61

VOE 13940090

Шайба

1шт.

62

VOE 13955294

Болт

1шт.

62

VOE 13955294

Болт

1шт.

63

VOE 13941907

Шайба пружинная

1шт.

63

VOE 13941907

Шайба

1шт.

7

VOE 240456

Подшипник промежуточный

1шт.

8

VOE 6212616

Болт

1шт.

8

VOE 6212616

Болт

1шт.

9

VOE 243180

Drive Gear

1шт.

Выбрано товаров: 0