Запчасти Volvo EC450 18775 Blind rear window, blind cab-protection EC450 SER NO 1782-1909

Схема запчастей Volvo EC450 - 18775 Blind rear window, blind cab-protection EC450 SER NO 1782-1909
FIT
1:1
100%

Артикул

Название

Примечание

Количество

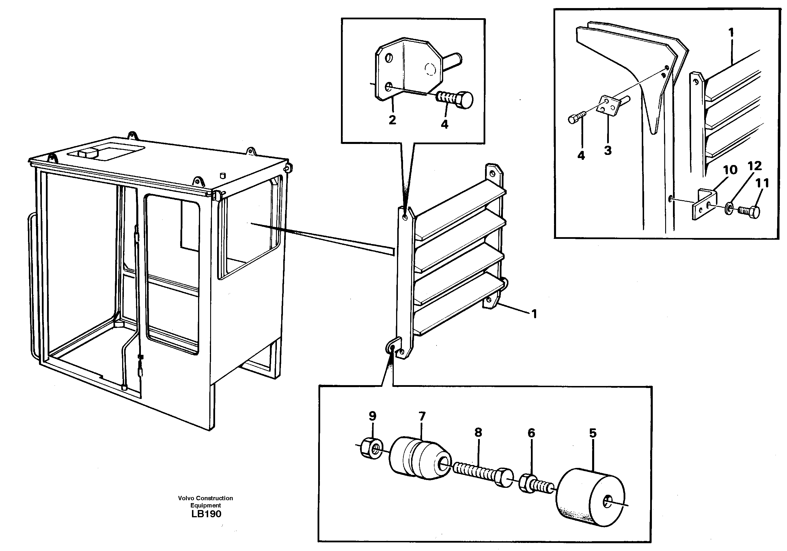
1

VOE 14249484

Blind

1шт.

1

VOE 14249484

Blind

1шт.

10

VOE 14263942

Тарелка клапана

1шт.

11

VOE 13955294

Болт

1шт.

11

VOE 13955294

Болт

1шт.

12

VOE 13955894

Шайба

1шт.

12

VOE 13955894

Шайба

1шт.

2

VOE 14250334

Attachment

1шт.

3

VOE 14263947

Тарелка клапана

1шт.

4

VOE 955269

Винт шестигранник

1шт.

4

VOE 955269

Винт шестигранник

1шт.

5

VOE 14214358

Door Retainer

1шт.

5

VOE 14214358

Door Retainer

1шт.

6

VOE 942000

Allen Hd Screw

1шт.

6

VOE 942000

Винт шестигранник (торцевой ключ)

1шт.

7

VOE 14250291

Door Retainer

1шт.

7

VOE 14250291

Door Retainer

1шт.

8

VOE 959207

Allen Hd Screw

1шт.

9

VOE 13955781

Гайка

1шт.

9

VOE 13955781

Гайка

1шт.

Выбрано товаров: 20