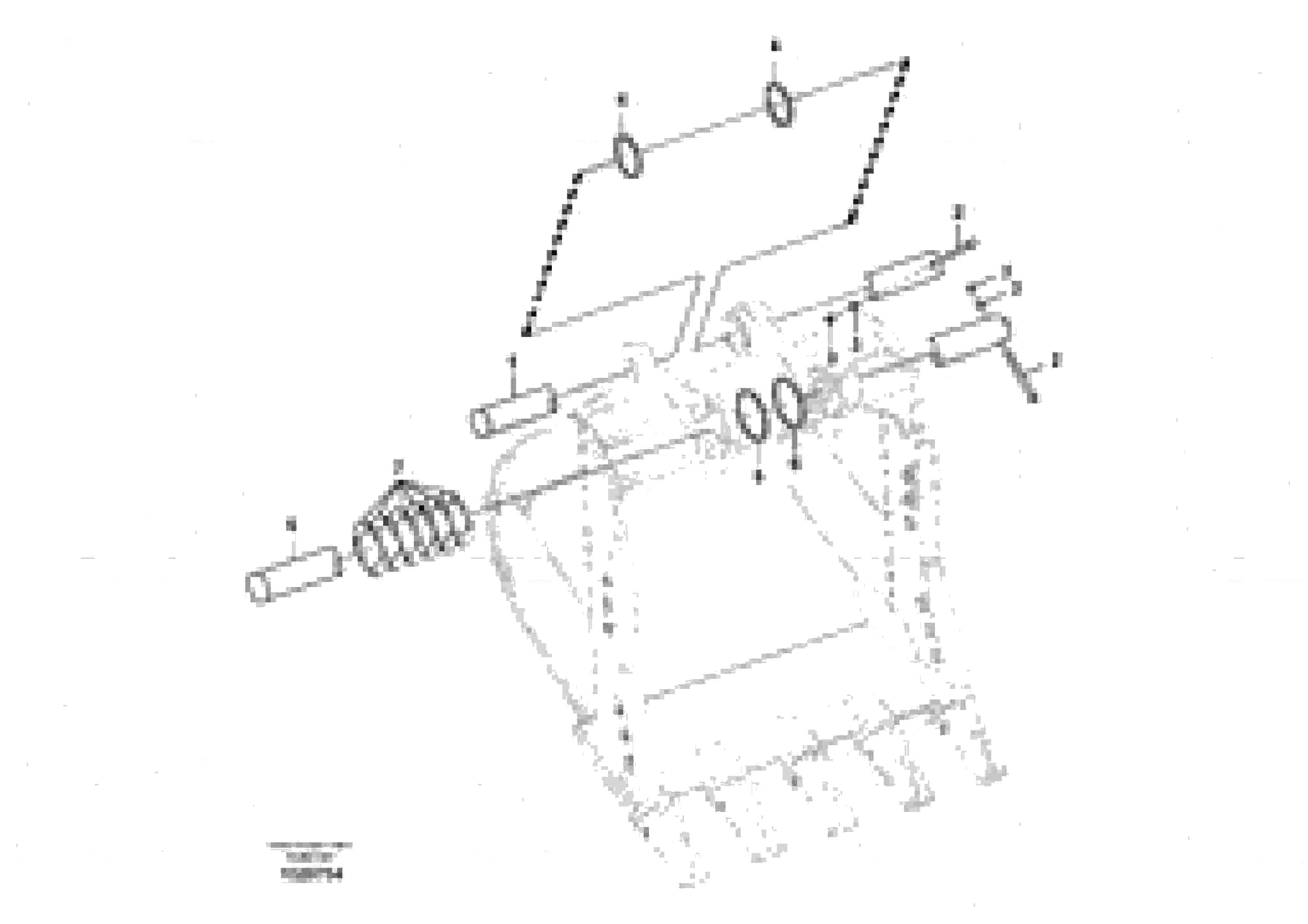
Запчасти Volvo EC460B 48683 Links to bucket EC460B PRIME S/N 15001-/85001-

Схема запчастей Volvo EC460B - 48683 Links to bucket EC460B PRIME S/N 15001-/85001-
FIT
1:1
100%

Артикул

Название

Примечание

Количество

1

VOE 14508374

Палец

1шт.

1

VOE 14508374

Палец

1шт.

2

SA 9011-22027

Болт

1шт.

2

SA 9011-22027

Болт

1шт.

3

VOE 979022

Hexagon nut

1шт.

3

VOE 979022

Hexagon nut

1шт.

4

SA 9524-00146

Кольцо

1шт.

5

VOE 14508375

Палец

1шт.

5

VOE 14508375

Палец

1шт.

6

VOE 14880695

Кольцо

1шт.

6

VOE 14880695

Кольцо

1шт.

7

SA 1172-04110

Прокладка

1шт.

7

SA 1172-04110

Прокладка

1шт.

Выбрано товаров: 13