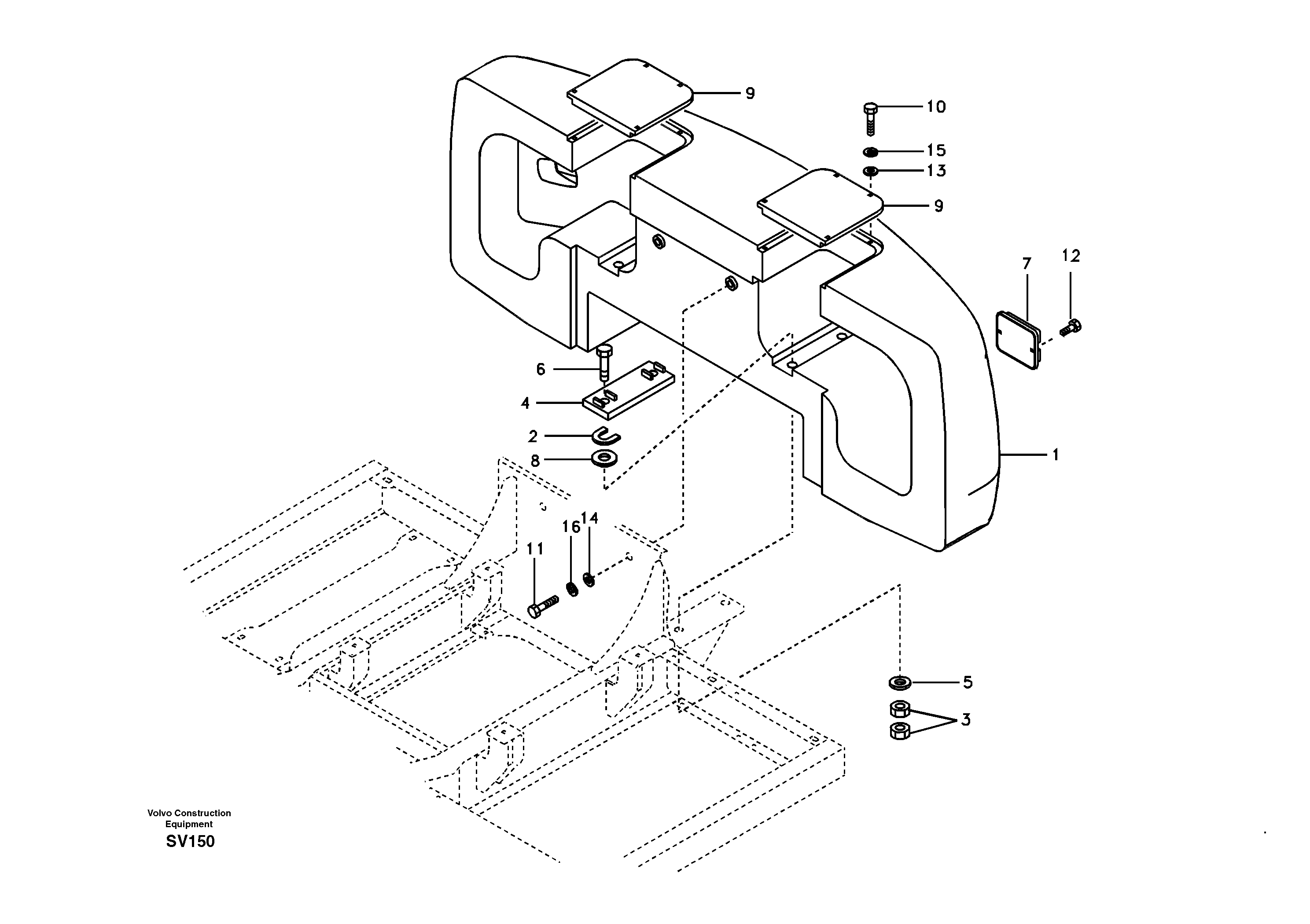
Запчасти Volvo EC460B 48005 Противовесы EC460B

Схема запчастей Volvo EC460B - 48005 Противовесы EC460B
FIT
1:1
100%

Артикул

Название

Примечание

Количество

VOE 14560759

Противовес

10TON

1шт.

VOE 14523953

Светоотражатель (отражатель)

SER NO 10693-

1шт.

VOE 14523953

Светоотражатель (отражатель)

SER NO 10693-

1шт.

VOE 14509186

Противовес

9.3Ton

1шт.

1

VOE 14508022

Противовес

8.7Ton

1шт.

10

SA 9011-11204

Болт

1шт.

11

SA 9011-22416

Винт шестигранник

1шт.

12

SA 9021-10405

Cross recessed screw

1шт.

12

SA 9021-10405

Болт

1шт.

13

SA 9211-12000

Шайба

1шт.

13

SA 9211-12000

Шайба

1шт.

14

SA 9211-24000

Шайба

1шт.

15

VOE 955923

Шайба пружинная

1шт.

15

VOE 955923

Шайба пружинная

1шт.

16

SA 9213-24000

Шайба

1шт.

2

SA 1053-00410

Прокладка

1шт.

2

SA 1053-00410

Прокладка

1шт.

3

SA 1053-00780

Гайка

1шт.

3

SA 1053-00780

Hexagon nut

1шт.

4

SA 1053-00790

Пластина

1шт.

4

SA 1053-00790

Пластина

1шт.

5

SA 1053-00800

Вставка

1шт.

6

SA 1153-00470

Болт

1шт.

7

SA 1153-00810

Светоотражатель (отражатель)

SER NO 10001-10692

1шт.

8

SA 1053-00071

Прокладка

1шт.

8

SA 1053-00071

Прокладка

1шт.

9

VOE 14508701

Крышка

1шт.

Выбрано товаров: 0