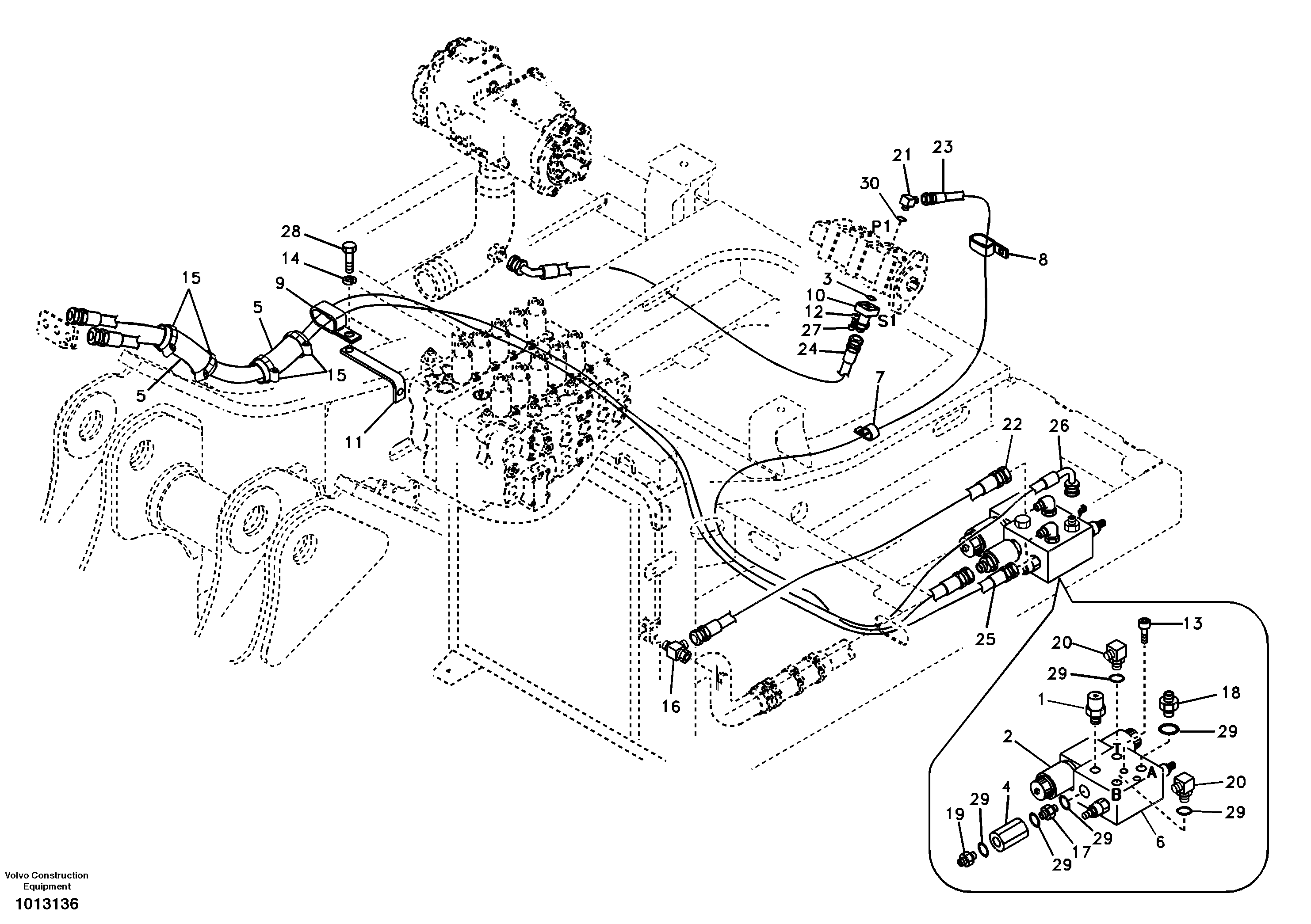
Запчасти Volvo EC460B 48291 Working hydraulic, slope and rotator on upper frame EC460B

Схема запчастей Volvo EC460B - 48291 Working hydraulic, slope and rotator on upper frame EC460B
FIT
1:1
100%

Артикул

Название

Примечание

Количество

VOE 984350

Винт шестигранник (торцевой ключ)

SER NO 10411-

1шт.

VOE 984082

Allen Hd Screw

SER NO 10411-

1шт.

VOE 14500110

Клапан предохранительный (разгрузочный, сброса давления)

1шт.

SA 9451-04471

Шланг

SER NO 10034-

1шт.

1

VOE 14609529

Nipple

1шт.

10

VOE 14509180

Фланец

1шт.

11

VOE 14511520

Кронштейн

1шт.

12

VOE 955922

Шайба пружинная

1шт.

12

VOE 955922

Шайба пружинная

1шт.

13

SA 9016-21013

Болт

SER NO 10001-10410

1шт.

14

SA 9211-10000

Шайба

1шт.

14

SA 9211-10000

Шайба

1шт.

15

SA 9312-10175

Зажим

SER NO 10001-10219

1шт.

16

SA 9411-91310

T-nipple

1шт.

16

SA 9411-91310

T-nipple

1шт.

17

SA 9411-96030

Соединитель

1шт.

18

SA 9412-11030

Соединитель

1шт.

19

SA 9412-11140

Соединитель

1шт.

2

VOE 14531860

Встроенный клапан в сборе

1шт.

20

SA 9413-11020

Elbow

1шт.

21

SA 9413-11030

Elbow

1шт.

22

SA 9451-03221

Hose assembly

1шт.

22

SA 9451-03221

Hose assembly

1шт.

23

SA 9451-04468

Шланг

SER NO 10001-10033

1шт.

24

SA 9452-06232

Шланг

1шт.

25

SA 9466-03501

Шланг

1шт.

26

SA 9468-03501

Шланг

1шт.

27

VOE 947167

Болт

SER NO 10001-10410

1шт.

27

VOE 947167

Винт шестигранник (торцевой ключ)

SER NO 10001-10410

1шт.

28

VOE 983251

Винт шестигранник

1шт.

28

VOE 983251

Винт шестигранник

1шт.

29

SA 9511-12014

Кольцо уплотнительное (О-кольцо)

1шт.

3

SA 9512-02219

Кольцо уплотнительное (О-кольцо)

1шт.

30

VOE 990557

Кольцо уплотнительное (О-кольцо)

1шт.

30

VOE 990557

Кольцо уплотнительное (О-кольцо)

1шт.

4

VOE 14531088

Non-return valve

1шт.

5

VOE 14531110

Крышка

1шт.

6

SA 1142-30640

Клапан

1шт.

7

VOE 14500295

Скоба (хомут)

1шт.

7

VOE 14500295

Скоба (хомут)

1шт.

8

VOE 14515523

Скоба (хомут)

1шт.

9

VOE 14515524

Скоба (хомут)

1шт.

9

VOE 14515524

Скоба (хомут)

1шт.

Выбрано товаров: 0