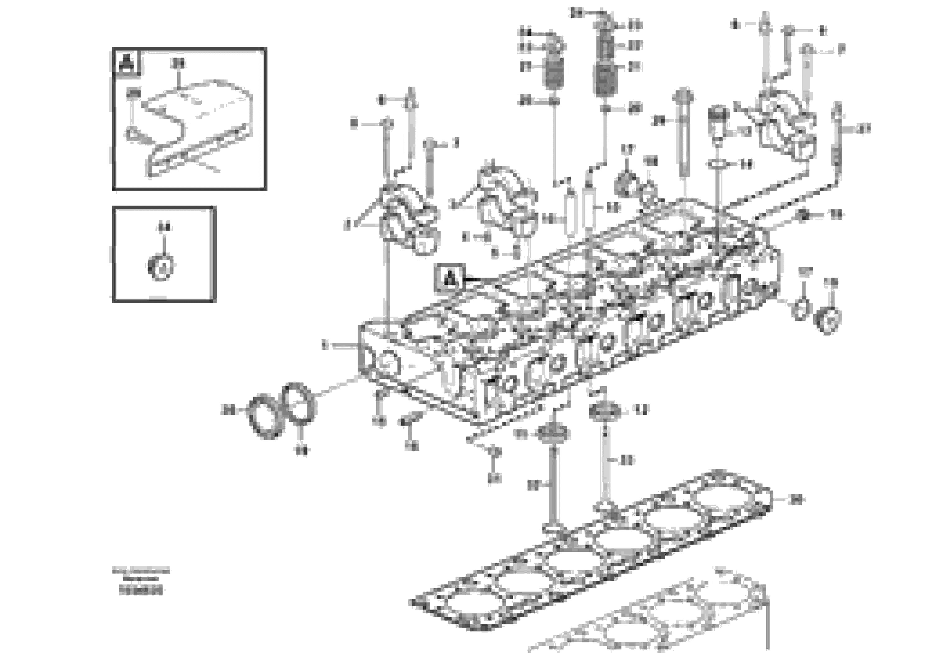
Запчасти Volvo EC460C 20992 Головка блока цилиндров EC460C

Схема запчастей Volvo EC460C - 20992 Головка блока цилиндров EC460C
FIT
1:1
100%

Артикул

Название

Примечание

Количество

VOE 1546484

Втулка (распорная)

1шт.

VOE 1546484

Втулка (распорная)

1шт.

1

VOE 20560799

Головка блока цилиндров

1шт.

10

VOE 20817648

Valve guide

1шт.

11

VOE 20459329

Valve seat

STD, INLET

1шт.

11

VOE 20459329

Valve seat

STD, INLET

1шт.

12

VOE 20412798

Valve seat

STD, EXHAUST

1шт.

13

VOE 3183368

Втулка (распорная)

1шт.

13

VOE 3183368

Втулка (распорная)

1шт.

14

VOE 20536487

Кольцо уплотнительное (О-кольцо)

1шт.

14

VOE 20536487

Кольцо уплотнительное (О-кольцо)

1шт.

15

VOE 13968062

Пробка (заглушка)

1шт.

15

VOE 13968062

Пробка (заглушка)

1шт.

16

VOE 422426

Палец

1шт.

17

VOE 3155171

Пробка (заглушка)

1шт.

17

VOE 3155171

Пробка (заглушка)

1шт.

18

VOE 949659

Кольцо уплотнительное (О-кольцо)

1шт.

18

VOE 949659

Кольцо уплотнительное (О-кольцо)

1шт.

19

VOE 1544710

Кольцо уплотнительное

1шт.

19

VOE 1544710

Кольцо уплотнительное

1шт.

2

VOE 3165130

Bearing housing

1шт.

2

VOE 3165130

Bearing housing

1шт.

20

VOE 859171

Valve seal

1шт.

20

VOE 859171

Valve seal

1шт.

21

VOE 3183210

Пружина клапана

ENG - 647540

1шт.

21

VOE 3183210

Пружина клапана

ENG - 647540

1шт.

21

VOE 21310068

Пружина клапана

ENG 647541 -

1шт.

22

VOE 3183211

Пружина клапана

1шт.

22

VOE 3183211

Пружина клапана

1шт.

23

VOE 1546487

Valve spring washer

1шт.

23

VOE 1546487

Valve spring washer

1шт.

24

VOE 1677875

Valve Collet

1шт.

25

VOE 8170553

Cap plug

1шт.

25

VOE 8170553

Cap plug

1шт.

26

VOE 1547419

Болт

1шт.

26

VOE 1547419

Болт

1шт.

27

VOE 8148863

Шпилька

1шт.

27

VOE 8148863

Шпилька

1шт.

28

VOE 11030431

Кронштейн

1шт.

29

VOE 946329

Flange screw

1шт.

29

VOE 946329

Flange screw

1шт.

3

VOE 8170153

Bearing Housing

1шт.

30

VOE 3099100

Gasket kit

1шт.

30

VOE 3099100

Gasket kit

1шт.

31

VOE 968060

Пробка (заглушка)

1шт.

32

VOE 20459326

Клапан впускной

1шт.

32

VOE 20459326

Клапан впускной

1шт.

33

VOE 20441486

Клапан выпускной

1шт.

34

VOE 990830

Пробка (заглушка)

1шт.

4

VOE 950542

Палец

1шт.

5

VOE 950562

Палец

1шт.

6

VOE 8170626

Шпилька

1шт.

6

VOE 8170626

Шпилька

1шт.

7

VOE 1547889

Болт

1шт.

7

VOE 1547889

Болт

1шт.

8

VOE 1547888

Болт

1шт.

8

VOE 1547888

Болт

1шт.

9

VOE 1677283

Болт

1шт.

9

VOE 1677283

Болт

1шт.

Выбрано товаров: 59