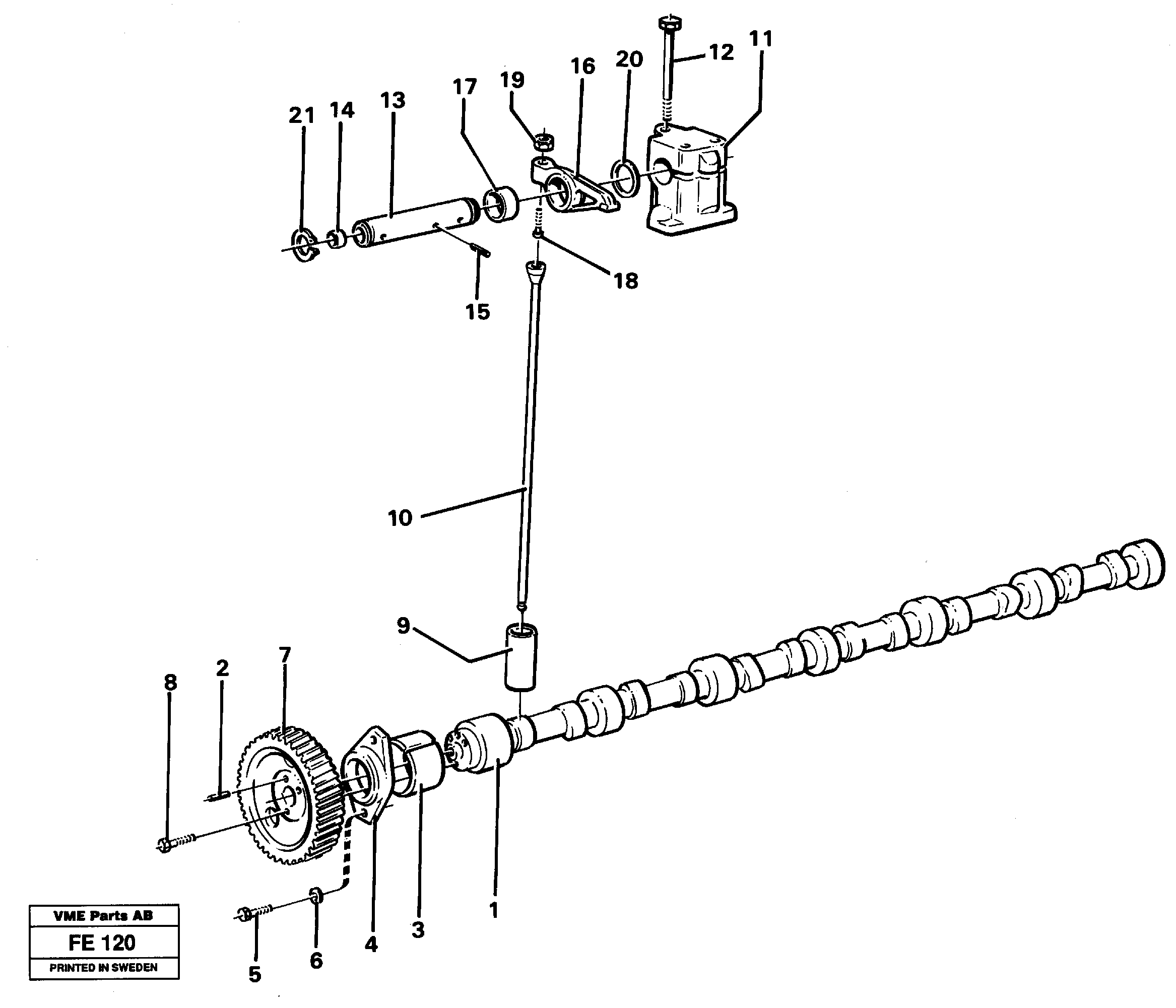
Запчасти Volvo EC620 59419 Valve mechanism EC620 ?KERMAN ?KERMAN EC620 SER NO - 445

Схема запчастей Volvo EC620 - 59419 Valve mechanism EC620 ?KERMAN ?KERMAN EC620 SER NO - 445
FIT
1:1
100%

Артикул

Название

Примечание

Количество

1

VOE 8193727

Распредвал

1шт.

10

VOE 423021

Толкатель штанги

1шт.

10

VOE 423021

Толкатель штанги

1шт.

11

VOE 423266

Bearing Bracket

1шт.

12

VOE 423331

Болт

1шт.

12

VOE 423331

Болт

1шт.

13

VOE 423267

Вал

1шт.

13

VOE 423267

Вал

1шт.

14

VOE 946778

Cap plug

1шт.

14

VOE 946778

Cap plug

1шт.

15

VOE 950499

Палец

1шт.

16

VOE 423263

Коромысло клапанов

1шт.

16

VOE 423263

Коромысло клапанов

1шт.

17

VOE 422066

Втулка

1шт.

17

VOE 422066

Втулка

1шт.

18

VOE 422993

Болт

1шт.

19

VOE 940175

Гайка

1шт.

19

VOE 940175

Гайка

1шт.

2

VOE 950588

Палец

1шт.

20

VOE 423269

Шайба

1шт.

20

VOE 423269

Шайба

1шт.

21

VOE 914459

Retaining ring

1шт.

21

VOE 914459

Кольцо стопорное

1шт.

4

VOE 465789

Фланец

1шт.

5

VOE 13940115

Болт

1шт.

5

VOE 13940115

Болт

1шт.

6

VOE 13942336

Шайба пружинная

1шт.

6

VOE 13942336

Шайба пружинная

1шт.

7

VOE 478297

Gear

1шт.

7

VOE 478297

Gear

1шт.

8

VOE 471555

Болт

1шт.

8

VOE 471555

Болт

1шт.

9

VOE 479863

Tappet

1шт.

9

VOE 479863

Tappet

1шт.

Выбрано товаров: 34