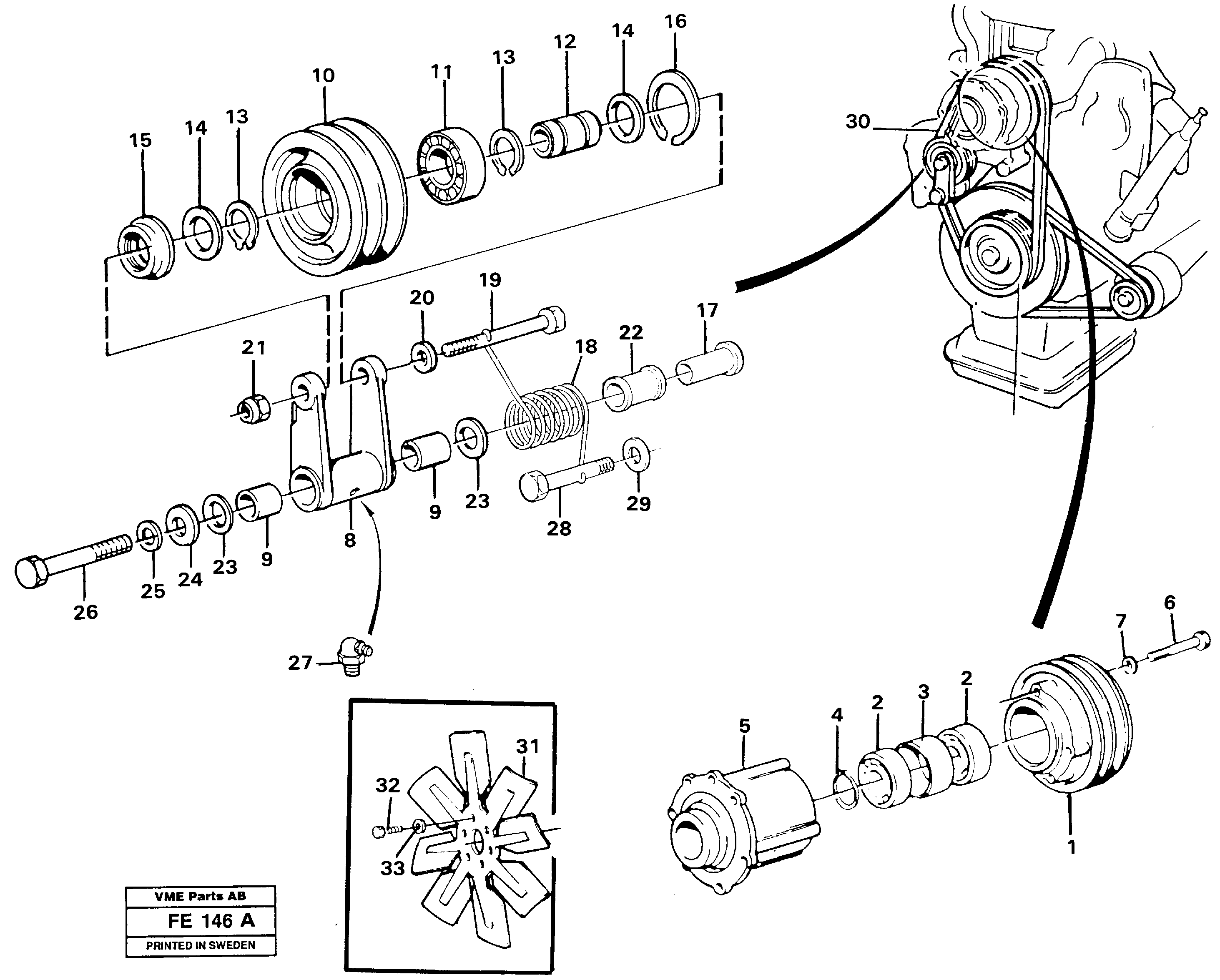
Запчасти Volvo EC620 27032 Belt transmission EC620 ?KERMAN ?KERMAN EC620 SER NO - 445

Схема запчастей Volvo EC620 - 27032 Belt transmission EC620 ?KERMAN ?KERMAN EC620 SER NO - 445
FIT
1:1
100%

Артикул

Название

Примечание

Количество

VOE 847892

Belt Tensioner

1шт.

VOE 876020

Комплект пружин

1шт.

VOE 966399

Ремень клиновой (приводной)

1шт.

VOE 966399

Ремень клиновой (приводной)

1шт.

1

VOE 468445

Strap

1шт.

10

VOE 844048

Strap

1шт.

11

VOE 11000235

Ball Bearing

1шт.

11

VOE 11000235

Ball Bearing

1шт.

12

VOE 843925

Вал

1шт.

13

VOE 914462

Snap Ring

1шт.

13

VOE 914462

Кольцо стопорное

1шт.

14

VOE 13965862

Кольцо уплотнительное

1шт.

14

VOE 13965862

Кольцо уплотнительное

1шт.

15

VOE 844049

Шайба

1шт.

15

VOE 844049

Шайба

1шт.

16

VOE 914533

Snap Ring

1шт.

16

VOE 914533

Кольцо стопорное

1шт.

17

VOE 843926

Палец

1шт.

18

VOE 845215

Пружина

1шт.

19

VOE 13970956

Винт шестигранник

1шт.

19

VOE 13970956

Винт шестигранник

1шт.

2

VOE 181538

Ball Bearing

1шт.

2

VOE 181538

Ball Bearing

1шт.

20

VOE 941908

Шайба пружинная

1шт.

20

VOE 941908

Шайба пружинная

1шт.

21

VOE 13971089

Lock nut

1шт.

21

VOE 13971089

Lock nut

1шт.

22

VOE 845208

Socket

1шт.

23

VOE 843927

Шайба

1шт.

23

VOE 843927

Шайба

1шт.

24

VOE 18702

Шайба

1шт.

25

VOE 941911

Шайба пружинная

1шт.

25

VOE 941911

Шайба пружинная

1шт.

26

VOE 959821

Винт шестигранник

1шт.

26

VOE 959821

Болт

1шт.

27

VOE 914170

Nipple

1шт.

27

VOE 914170

Nipple

1шт.

28

VOE 955542

Винт шестигранник

1шт.

28

VOE 955542

Болт

1шт.

29

VOE 13942336

Шайба пружинная

1шт.

29

VOE 13942336

Шайба пружинная

1шт.

3

VOE 417638

Spacer Sleeve

1шт.

3

VOE 417638

Spacer Sleeve

1шт.

30

VOE 966398

Ремень клиновой (приводной)

1шт.

31

VOE 843868

Cool Fan Suct

1шт.

32

VOE 14014886

Болт

1шт.

32

VOE 14014886

Болт

1шт.

33

VOE 976945

Шайба

1шт.

33

VOE 976945

Шайба

1шт.

4

VOE 914462

Snap Ring

1шт.

4

VOE 914462

Кольцо стопорное

1шт.

5

VOE 1542957

Ступица

1шт.

6

VOE 955536

Болт

1шт.

6

VOE 955536

Винт шестигранник

1шт.

7

VOE 13942336

Шайба пружинная

1шт.

7

VOE 13942336

Шайба пружинная

1шт.

8

VOE 847034

Link Arm

1шт.

9

VOE 13946176

Втулка

1шт.

9

VOE 13946176

Втулка

1шт.

Выбрано товаров: 59