Запчасти Volvo EC620 68053 Electrical system for diesel powered supple- mentary EC620 ?KERMAN ?KERMAN EC620 SER NO - 445

Схема запчастей Volvo EC620 - 68053 Electrical system for diesel powered supple- mentary EC620 ?KERMAN ?KERMAN EC620 SER NO - 445
FIT
1:1
100%

Артикул

Название

Примечание

Количество

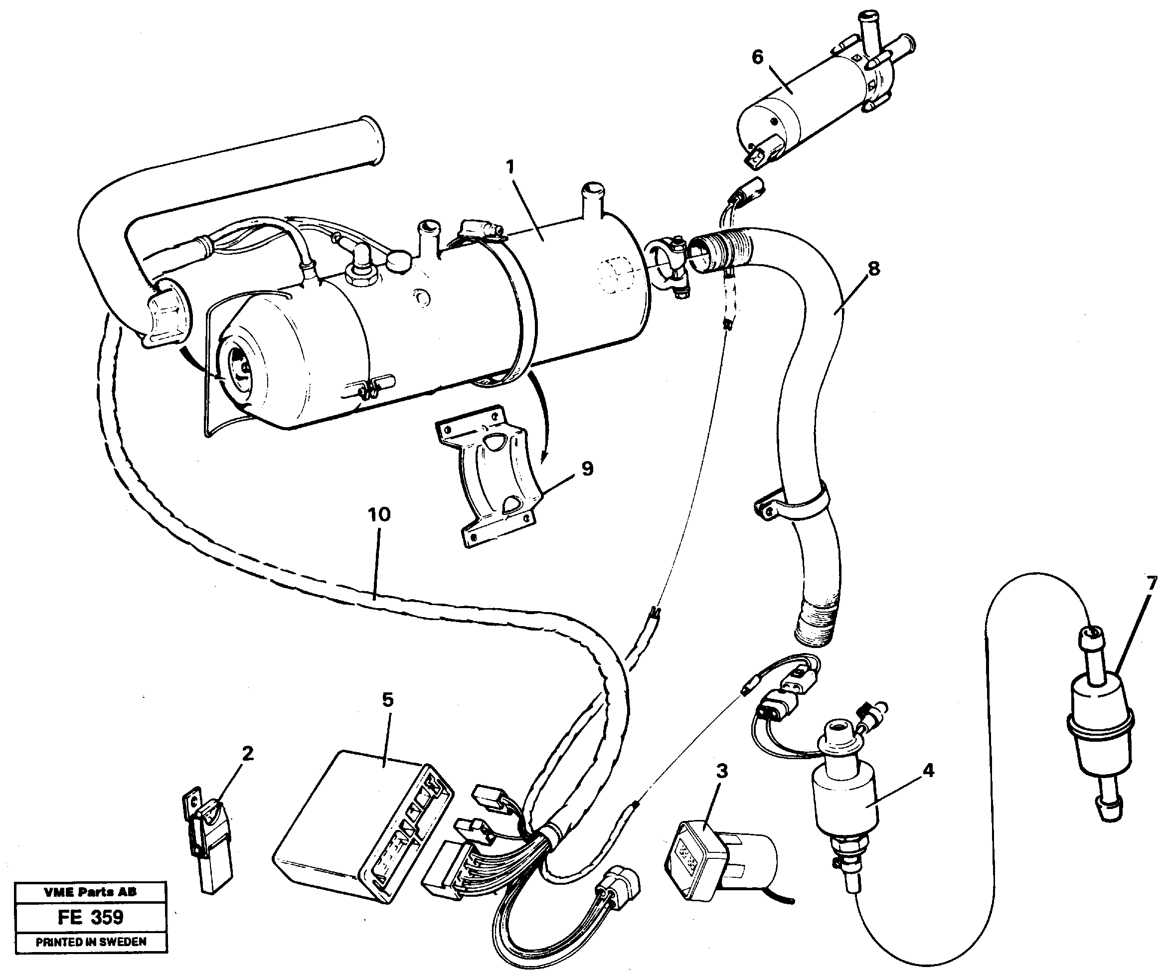
2

VOE 969163

Fuse

1шт.

2

VOE 969163

Fuse

1шт.

3

VOE 3728896

Clock

1шт.

4

VOE 3728768

Fuel pump

1шт.

5

VOE 3714413

Control unit

1шт.

6

VOE 3714782

Водяной насос

1шт.

7

VOE 3713186

Фильтр топливный

1шт.

Выбрано товаров: 7