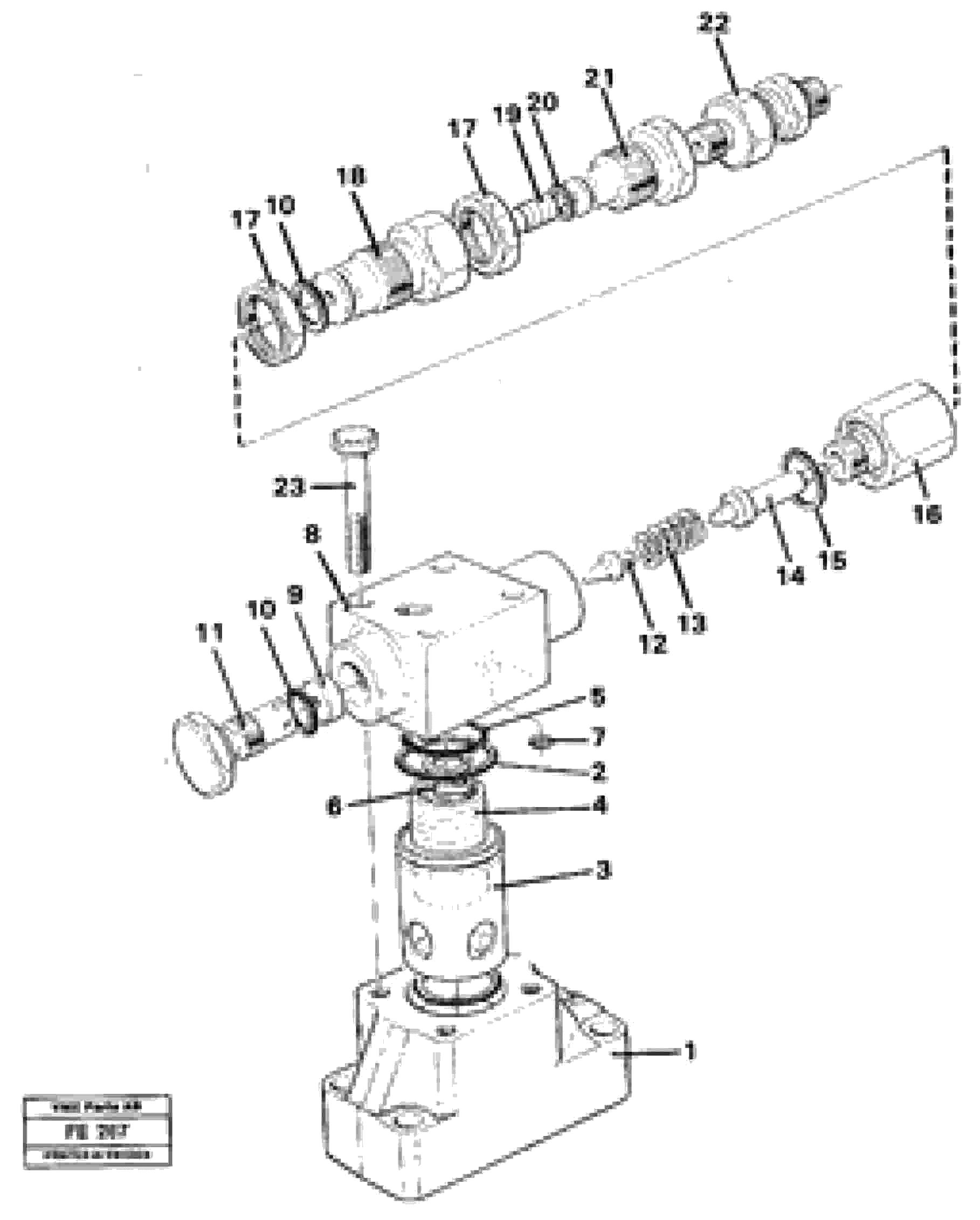
Запчасти Volvo EC620 31280 Pressure limiting valve EC620 ?KERMAN ?KERMAN EC620 SER NO - 445

Схема запчастей Volvo EC620 - 31280 Pressure limiting valve EC620 ?KERMAN ?KERMAN EC620 SER NO - 445
FIT
1:1
100%

Артикул

Название

Примечание

Количество

VOE 14241445

Pressure limiting valve

1шт.

VOE 14014485

Grease cartridge

1шт.

VOE 14024293

Locking fluid

1шт.

VOE 14024293

Locking fluid

1шт.

1

VOE 14241442

Valve housing

1шт.

10

VOE 925056

Кольцо уплотнительное (О-кольцо)

1шт.

10

VOE 925056

Кольцо уплотнительное (О-кольцо)

1шт.

11

VOE 14235232

Болт

1шт.

12

VOE 14234398

Peg

1шт.

13

VOE 14239781

Compression spring

1шт.

14

VOE 14235466

Pressure Pin

1шт.

15

VOE 925059

Кольцо уплотнительное (О-кольцо)

1шт.

15

VOE 925059

Кольцо уплотнительное (О-кольцо)

1шт.

16

VOE 14235467

14235467

1шт.

17

VOE 14026153

Гайка

1шт.

17

VOE 14026153

Гайка

1шт.

18

VOE 14235612

регулировочный винт

1шт.

19

VOE 955980

Кольцо уплотнительное (О-кольцо)

1шт.

19

VOE 955980

Кольцо уплотнительное (О-кольцо)

1шт.

2

VOE 925064

Кольцо уплотнительное (О-кольцо)

1шт.

2

VOE 925064

Кольцо уплотнительное (О-кольцо)

1шт.

20

VOE 925053

Кольцо уплотнительное (О-кольцо)

1шт.

20

VOE 925053

Кольцо уплотнительное (О-кольцо)

1шт.

21

VOE 14231679

регулировочный винт

1шт.

22

VOE 14252571

Restricting Reverse Valve

1шт.

23

VOE 14023312

Болт

1шт.

3

VOE 14234388

Liner

1шт.

4

VOE 14234389

Поршень

1шт.

5

VOE 14016346

Кольцо уплотнительное (О-кольцо)

1шт.

6

VOE 14234390

Compression spring

1шт.

7

VOE 14210587

Кольцо уплотнительное (О-кольцо)

1шт.

8

VOE 14241443

Картер (корпус)

1шт.

9

VOE 14234393

Seat

1шт.

Выбрано товаров: 33