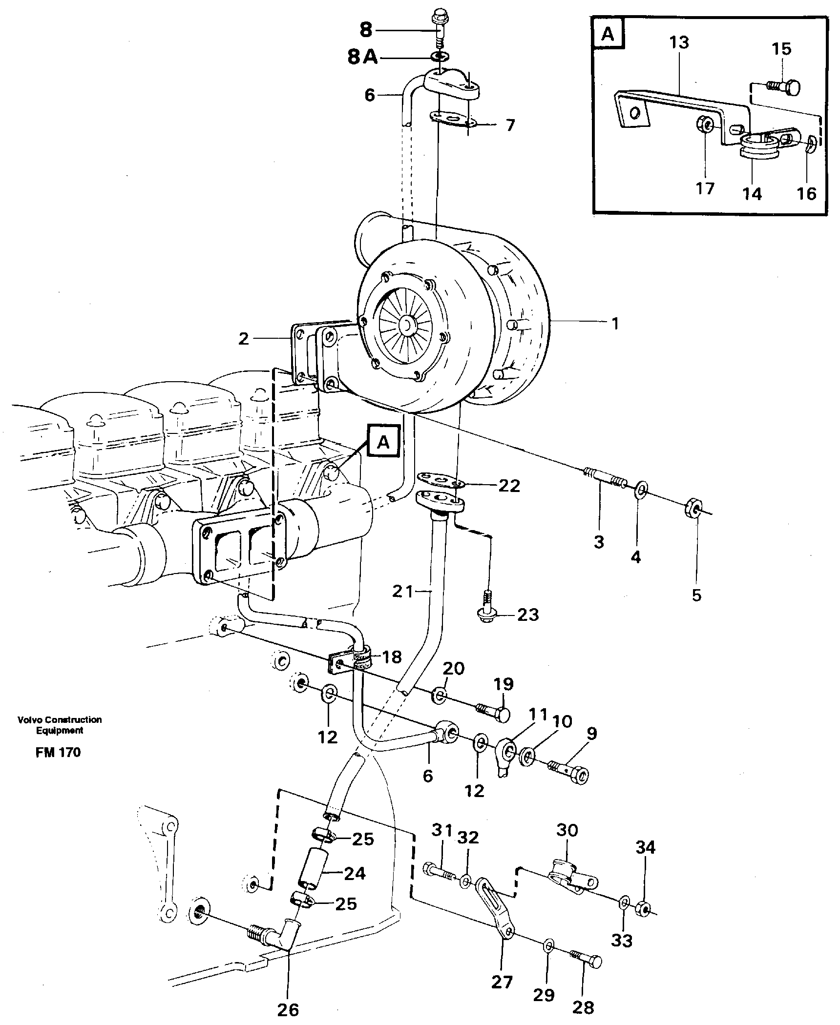
Запчасти Volvo EC650 71342 Турбокомпрессор (турбина) с установочными деталями EC650 ?KERMAN ?KERMAN EC650 SER NO - 538

Схема запчастей Volvo EC650 - 71342 Турбокомпрессор (турбина) с установочными деталями EC650 ?KERMAN ?KERMAN EC650 SER NO - 538
FIT
1:1
100%

Артикул

Название

Примечание

Количество

VOE 955297

Винт шестигранник

1шт.

VOE 955297

Винт шестигранник

1шт.

1

VOE 11033744

Турбокомпрессор (турбина)

1шт.

10

VOE 942703

Прокладка

1шт.

10

VOE 942703

Прокладка

1шт.

12

VOE 11700303

Сальник

1шт.

13

VOE 11031690

11031690

1шт.

14

VOE 13968200

Зажим

1шт.

15

VOE 940100

Винт шестигранник

1шт.

15

VOE 940100

Винт шестигранник

1шт.

16

VOE 13941906

Шайба

1шт.

16

VOE 13941906

Шайба

1шт.

17

VOE 955825

Hexagon nut

1шт.

17

VOE 955825

Гайка

1шт.

18

VOE 13946834

Зажим

1шт.

18

VOE 13946834

Зажим

1шт.

19

VOE 955534

Винт шестигранник

1шт.

19

VOE 955534

Винт шестигранник

1шт.

2

VOE 470939

Прокладка

1шт.

2

VOE 470939

Прокладка

1шт.

20

VOE 13942336

Шайба пружинная

1шт.

20

VOE 13942336

Шайба пружинная

1шт.

21

VOE 11031896

Oil return pipe

1шт.

22

VOE 420643

Прокладка

1шт.

22

VOE 420643

Прокладка

1шт.

23

VOE 13965215

Flange screw

(945444)

1шт.

24

VOE 466328

Шланг

1шт.

25

VOE 13943474

Hose clamp

(943474)

1шт.

26

VOE 479959

Nipple

1шт.

27

VOE 414692

Кронштейн

1шт.

28

VOE 955534

Винт шестигранник

1шт.

28

VOE 955534

Винт шестигранник

1шт.

29

VOE 13942336

Шайба пружинная

(942336)

1шт.

29

VOE 13942336

Шайба пружинная

(942336)

1шт.

3

VOE 478345

Шпилька

1шт.

30

VOE 952632

Зажим

1шт.

30

VOE 952632

Зажим

1шт.

31

VOE 950046

Болт

1шт.

31

VOE 950046

Cross recessed screw

1шт.

32

VOE 955893

Шайба

1шт.

32

VOE 955893

Шайба

1шт.

33

VOE 13941906

Шайба

(941906)

1шт.

33

VOE 13941906

Шайба

(941906)

1шт.

34

VOE 955825

Hexagon nut

1шт.

34

VOE 955825

Гайка

1шт.

4

VOE 478344

Spacer sleeve

1шт.

5

VOE 478346

Гайка

1шт.

6

VOE 11031507

Oil feed pipe

1шт.

7

VOE 420641

Прокладка

1шт.

7

VOE 420641

Прокладка

1шт.

8

VOE 940142

Винт шестигранник

1шт.

8

VOE 940142

Винт шестигранник

1шт.

8A

VOE 13941907

Шайба пружинная

1шт.

8A

VOE 13941907

Шайба

1шт.

9

VOE 479464

Hollow screw

1шт.

Выбрано товаров: 0