Запчасти Volvo EC650 33689 Гидроцилиндр EC650 ?KERMAN ?KERMAN EC650 SER NO - 538

Схема запчастей Volvo EC650 - 33689 Гидроцилиндр EC650 ?KERMAN ?KERMAN EC650 SER NO - 538
FIT
1:1
100%

Артикул

Название

Примечание

Количество

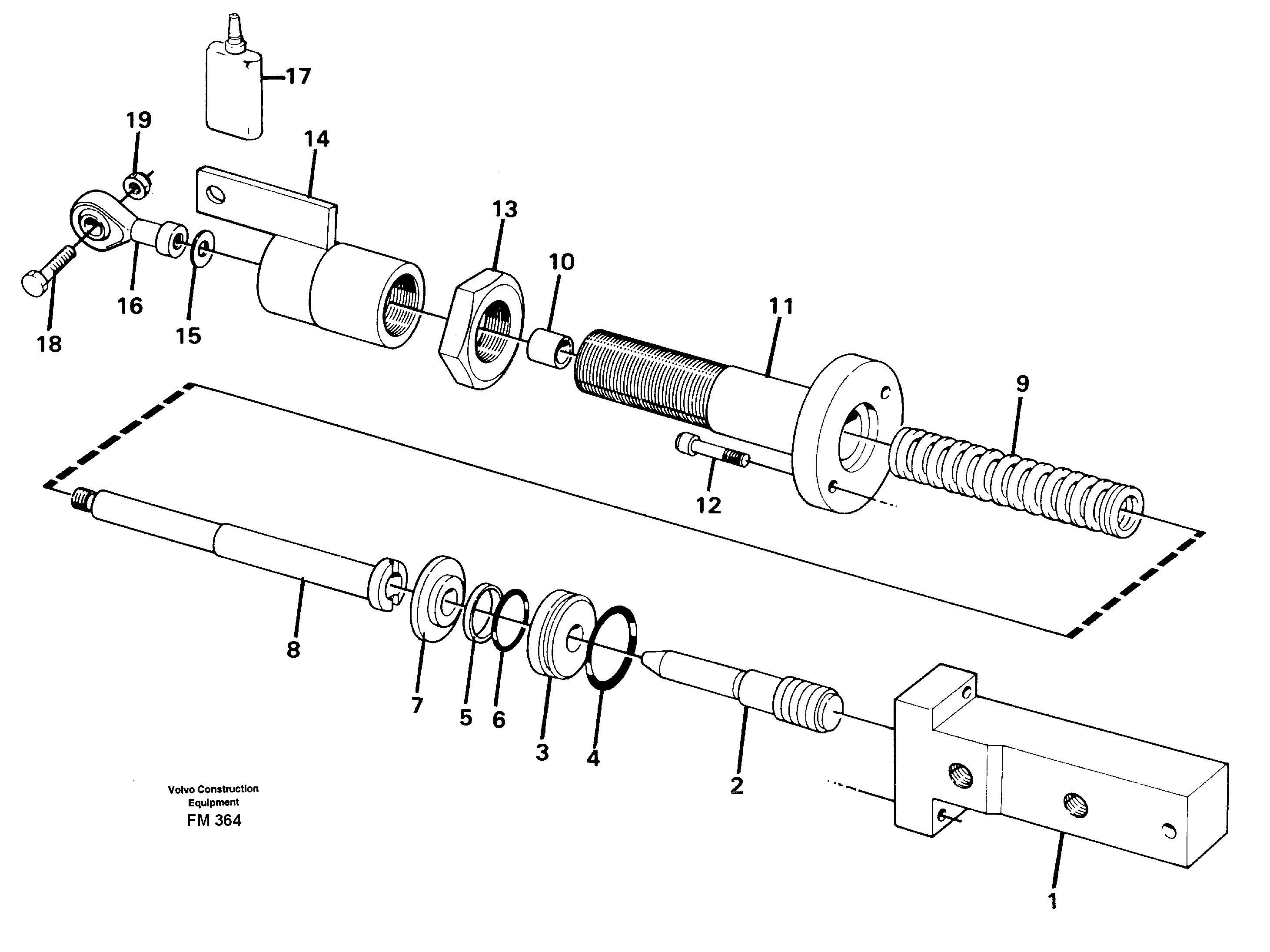
VOE 14055266

Гидроцилиндр

1шт.

VOE 14055266

Гидроцилиндр

1шт.

1

VOE 14055265

Cyl Housing

1шт.

1

VOE 14055265

Cyl Housing

1шт.

10

VOE 14100514

Втулка

1шт.

10

VOE 14100514

Втулка

1шт.

11

VOE 14055264

Spring Housing

1шт.

11

VOE 14055264

Spring Housing

1шт.

12

VOE 940326

Allen Hd Screw

(14023236)

1шт.

13

VOE 14055263

Гайка

1шт.

13

VOE 14055263

Гайка

1шт.

14

VOE 14230079

Clutch Ring

1шт.

14

VOE 14230079

Clutch Ring

1шт.

15

VOE 955893

Шайба

(14015095)

1шт.

15

VOE 955893

Шайба

(14015095)

1шт.

16

VOE 14025685

Link End

1шт.

16

VOE 14025685

Link End

1шт.

17

VOE 14024293

Locking Fluid

250 ML

1шт.

17

VOE 14024293

Locking Fluid

250 ML

1шт.

18

VOE 955274

Винт шестигранник

(14014591)

1шт.

18

VOE 955274

Винт шестигранник

(14014591)

1шт.

19

VOE 13963105

Lock nut

(14023228)

1шт.

19

VOE 13963105

Lock nut

(14023228)

1шт.

2

VOE 14048337

Поршень

1шт.

2

VOE 14048337

Поршень

1шт.

3

VOE 14055437

Кольцо

1шт.

3

VOE 14055437

Кольцо

1шт.

4

VOE 949658

Кольцо уплотнительное (О-кольцо)

(14012276)

1шт.

4

VOE 949658

Кольцо уплотнительное (О-кольцо)

(14012276)

1шт.

5

VOE 14025586

Sliding Sleeve

1шт.

5

VOE 14025586

Sliding Sleeve

1шт.

6

VOE 14012261

Кольцо уплотнительное (О-кольцо)

1шт.

6

VOE 14012261

Кольцо уплотнительное (О-кольцо)

1шт.

7

VOE 14055438

Втулка

1шт.

7

VOE 14055438

Втулка

1шт.

8

VOE 14055786

Bar

1шт.

8

VOE 14055786

Bar

1шт.

9

VOE 14043067

Compression Spring

1шт.

9

VOE 14043067

Compression Spring

1шт.

Выбрано товаров: 0