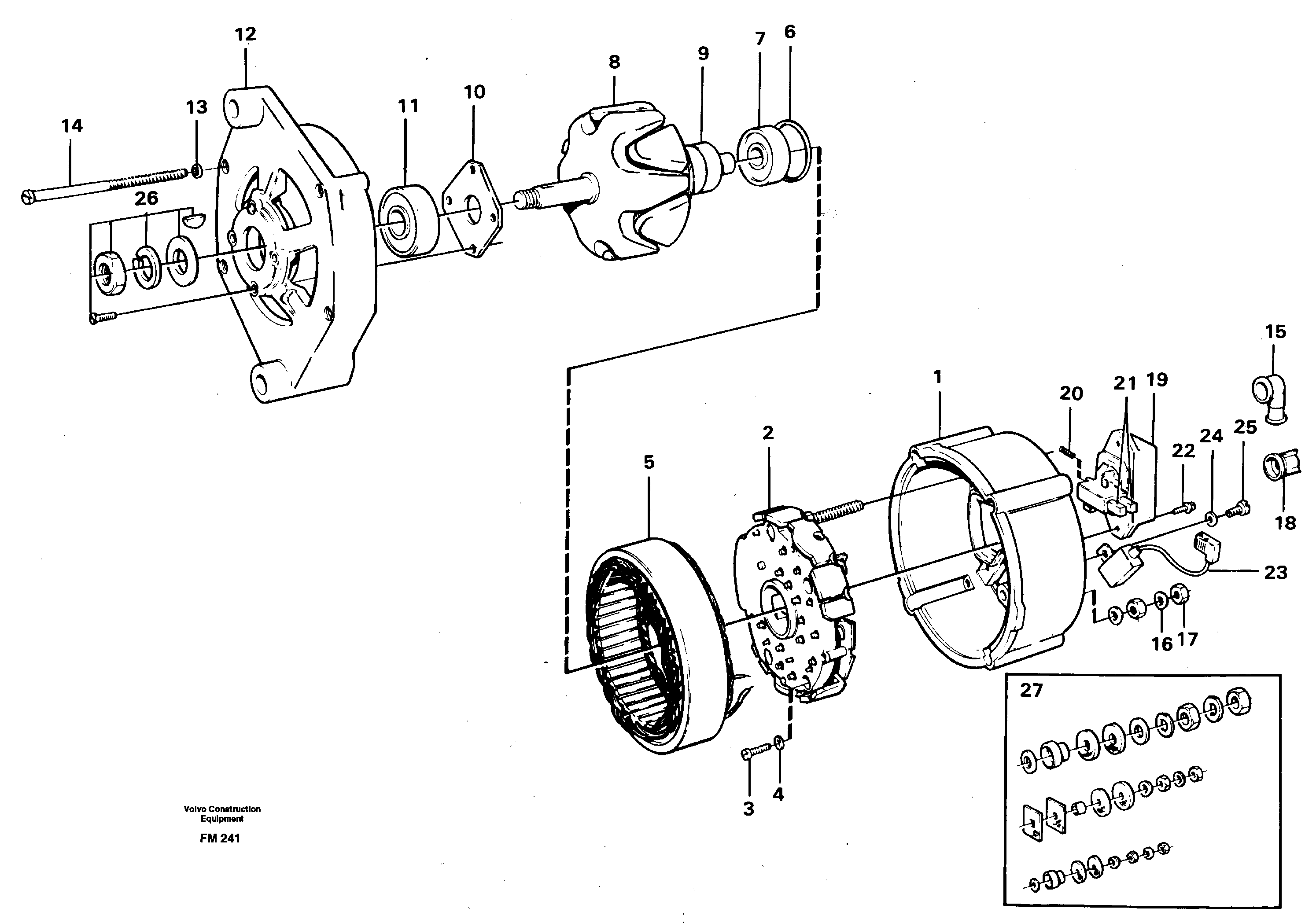
Запчасти Volvo EC650 26147 Alternator EC650 ?KERMAN ?KERMAN EC650 SER NO - 538

Схема запчастей Volvo EC650 - 26147 Alternator EC650 ?KERMAN ?KERMAN EC650 SER NO - 538
FIT
1:1
100%

Артикул

Название

Примечание

Количество

VOE 6779261

Alternator

28V 55A SER NO -580

1шт.

VOE 6779261

Alternator

28V 55A SER NO -580

1шт.

VOE 3094731

Rectifier

SER NO 581-

1шт.

VOE 1362710

Carbon Brush Set

SER NO 581-

1шт.

VOE 1089861

Alternator

SER NO 581-

1шт.

VOE 1089861

Alternator

SER NO 581-

1шт.

10

VOE 3544558

Тарелка клапана

1шт.

10

VOE 3544558

Тарелка клапана

1шт.

11

VOE 183486

Ball Bearing

1шт.

11

VOE 183486

Ball Bearing

1шт.

14

VOE 1324962

Болт

1шт.

15

VOE 7076614

Изолятор

1шт.

15

VOE 7076614

Изолятор

1шт.

16

VOE 1697034

Шайба пружинная

1шт.

17

VOE 940197

Hexagon Nut

1шт.

17

VOE 940197

Hexagon Nut

1шт.

19

VOE 1625880

Regulator

1шт.

2

VOE 3094731

Rectifier

SER NO -580

1шт.

20

VOE 1323485

Пружина

1шт.

20

VOE 1323485

Пружина

1шт.

21

VOE 244427

Carbon Brush

SER NO -580

1шт.

21

VOE 244427

Carbon Brush

SER NO -580

1шт.

22

VOE 1323069

Болт

1шт.

23

VOE 244347

Capacitor

1шт.

23

VOE 244347

Capacitor

1шт.

25

VOE 1697033

Болт

1шт.

25

VOE 1697033

Болт

1шт.

26

VOE 11000286

Small Parts Kit

1шт.

26

VOE 11000286

Small Parts Kit

1шт.

27

VOE 244611

Small Parts Kit

1шт.

27

VOE 244611

Small Parts Kit

1шт.

3

VOE 13956066

Болт

1шт.

3

VOE 13956066

Болт

1шт.

4

VOE 13941904

Шайба

1шт.

4

VOE 13941904

Шайба

1шт.

6

VOE 244331

Кольцо уплотнительное (О-кольцо)

1шт.

6

VOE 244331

Кольцо уплотнительное (О-кольцо)

1шт.

7

VOE 85100098

Ball Bearing

1шт.

9

VOE 844839

Slip Ring

1шт.

9

VOE 844839

Slip Ring

1шт.

Выбрано товаров: 0