Запчасти Volvo EC650 26826 Pressure limiting valve EC650 ?KERMAN ?KERMAN EC650 SER NO - 538

Схема запчастей Volvo EC650 - 26826 Pressure limiting valve EC650 ?KERMAN ?KERMAN EC650 SER NO - 538
FIT
1:1
100%

Артикул

Название

Примечание

Количество

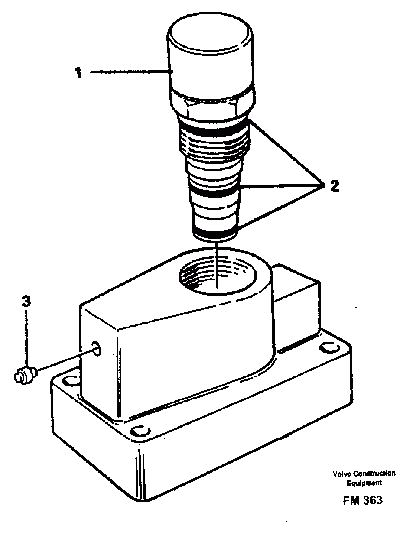
VOE 14267212

Pr Limit Valve

1шт.

VOE 14267212

Pr Limit Valve

1шт.

1

VOE 14211114

Pr Limit Valve

1шт.

1

VOE 14211114

Pr Limit Valve

1шт.

2

VOE 14267252

Sealing Kit

1шт.

2

VOE 14267252

Sealing Kit

1шт.

3

VOE 14212578

Sealing Plug

1шт.

3

VOE 14212578

Sealing Plug

1шт.

Выбрано товаров: 0