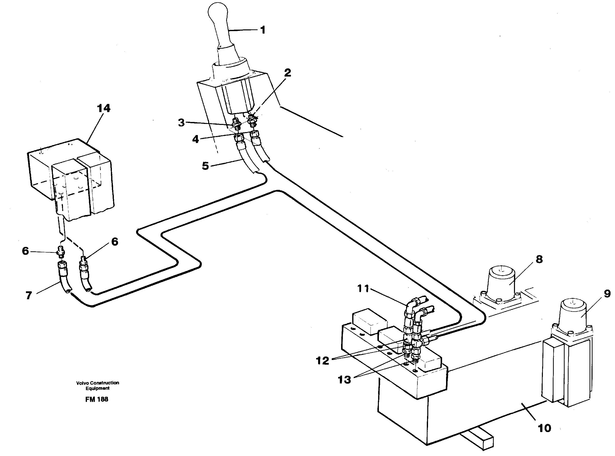
Запчасти Volvo EC650 26794 Servo hydraulics, dipper arm EC650 ?KERMAN ?KERMAN EC650 SER NO - 538

Схема запчастей Volvo EC650 - 26794 Servo hydraulics, dipper arm EC650 ?KERMAN ?KERMAN EC650 SER NO - 538
FIT
1:1
100%

Артикул

Название

Примечание

Количество

VOE 14263263

Hydraulic hose

MARKED 13, CAB ELEVATION

1шт.

VOE 14263262

Hydraulic hose

MARKED 13, CAB ELEVATION

1шт.

VOE 14263262

Hydraulic hose

MARKED 13, CAB ELEVATION

1шт.

VOE 14213113

Marking strip

1шт.

VOE 14260331

Hydraulic hose

MARKED 14, CAB ELEVATION

1шт.

VOE 14260331

Hydraulic hose

MARKED 14, CAB ELEVATION

1шт.

VOE 14213114

Marking strip

1шт.

VOE 14213114

Marking strip

1шт.

VOE 14250316

Hydraulic hose

MARKED 14, CAB ELEVATION

1шт.

VOE 14250316

Hydraulic hose

MARKED 14, CAB ELEVATION

1шт.

11

VOE 14012393

14012393

1шт.

12

VOE 14012480

14012480

1шт.

13

VOE 14023611

14023611

1шт.

2

VOE 957030

Nipple

1шт.

2

VOE 957030

Nipple

1шт.

3

VOE 957030

Nipple

1шт.

3

VOE 957030

Nipple

1шт.

4

VOE 14264533

Hydraulic hose

MARKED 13

1шт.

5

VOE 14260323

Hydraulic hose

MARKED 14

1шт.

6

VOE 14023407

Пробка (заглушка)

1шт.

6

VOE 14023407

Пробка (заглушка)

1шт.

7

VOE 14264523

Hydraulic hose

1шт.

Выбрано товаров: 0