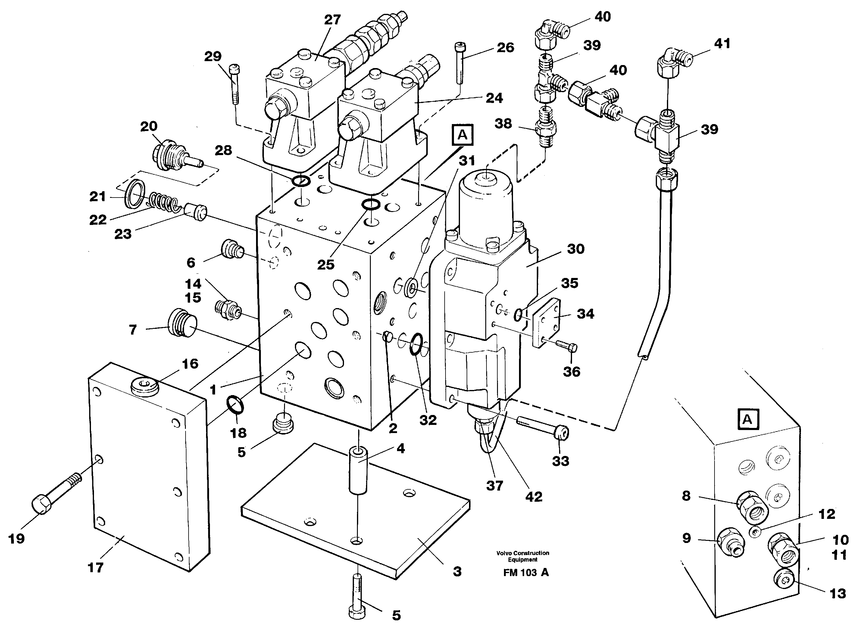
Запчасти Volvo EC650 27499 Slew valve assembly EC650 ?KERMAN ?KERMAN EC650 SER NO - 538

Схема запчастей Volvo EC650 - 27499 Slew valve assembly EC650 ?KERMAN ?KERMAN EC650 SER NO - 538
FIT
1:1
100%

Артикул

Название

Примечание

Количество

VOE 14264451

Valve Body

1шт.

1

VOE 14342165

Mounting plate

1шт.

10

VOE 14055494

14055494

1шт.

11

VOE 14055495

Restricting washer

1шт.

12

VOE 14023407

Пробка (заглушка)

1шт.

12

VOE 14023407

Пробка (заглушка)

1шт.

13

VOE 14023410

Tube Plug

1шт.

14

VOE 14052741

Rdc Bushing

1шт.

15

VOE 14012423

14012423

1шт.

16

VOE 14023410

Tube Plug

1шт.

17

VOE 14264456

Пластина

1шт.

18

VOE 13960175

Кольцо уплотнительное (О-кольцо)

1шт.

18

VOE 13960175

Кольцо уплотнительное (О-кольцо)

1шт.

19

VOE 965195

Flange screw

1шт.

19

VOE 965195

Flange screw

1шт.

2

VOE 14342522

Sealing plug

1шт.

20

VOE 14258435

Guide

1шт.

21

VOE 14013072

Sealing washer

1шт.

21

VOE 14013072

Sealing washer

1шт.

22

VOE 14024872

Пружина

1шт.

23

VOE 14262918

Peg

1шт.

23

VOE 14262918

Peg

1шт.

25

VOE 13949721

Кольцо уплотнительное (О-кольцо)

1шт.

25

VOE 13949721

Кольцо уплотнительное (О-кольцо)

1шт.

26

VOE 959241

Винт шестигранник (торцевой ключ)

1шт.

28

VOE 13949721

Кольцо уплотнительное (О-кольцо)

1шт.

28

VOE 13949721

Кольцо уплотнительное (О-кольцо)

1шт.

29

VOE 959241

Винт шестигранник (торцевой ключ)

1шт.

3

VOE 14263394

14263394

1шт.

31

VOE 14215715

Кольцо уплотнительное

1шт.

31

VOE 14215715

Кольцо уплотнительное

1шт.

32

VOE 13955973

Кольцо уплотнительное (О-кольцо)

1шт.

32

VOE 13955973

Кольцо уплотнительное (О-кольцо)

1шт.

33

VOE 980801

Allen Hd Screw

1шт.

34

VOE 14236710

Крышка

1шт.

35

VOE 949658

Кольцо уплотнительное (О-кольцо)

1шт.

35

VOE 949658

Кольцо уплотнительное (О-кольцо)

1шт.

36

VOE 14014659

Болт

1шт.

36

VOE 14014659

Болт

1шт.

37

VOE 14023407

Пробка (заглушка)

1шт.

37

VOE 14023407

Пробка (заглушка)

1шт.

38

VOE 14023056

14023056

1шт.

39

VOE 14012383

14012383

1шт.

4

VOE 14251543

Вставка

1шт.

40

VOE 14025145

Челночный клапан

1шт.

41

VOE 14012391

14012391

1шт.

42

VOE 14263734

Трубка

1шт.

5

VOE 13955374

Болт

1шт.

5

VOE 13955374

Болт

1шт.

6

VOE 14023410

Tube Plug

1шт.

7

VOE 14215723

Tube Plug

1шт.

8

VOE 14042775

14042775

1шт.

9

VOE 14012433

14012433

1шт.

Выбрано товаров: 0