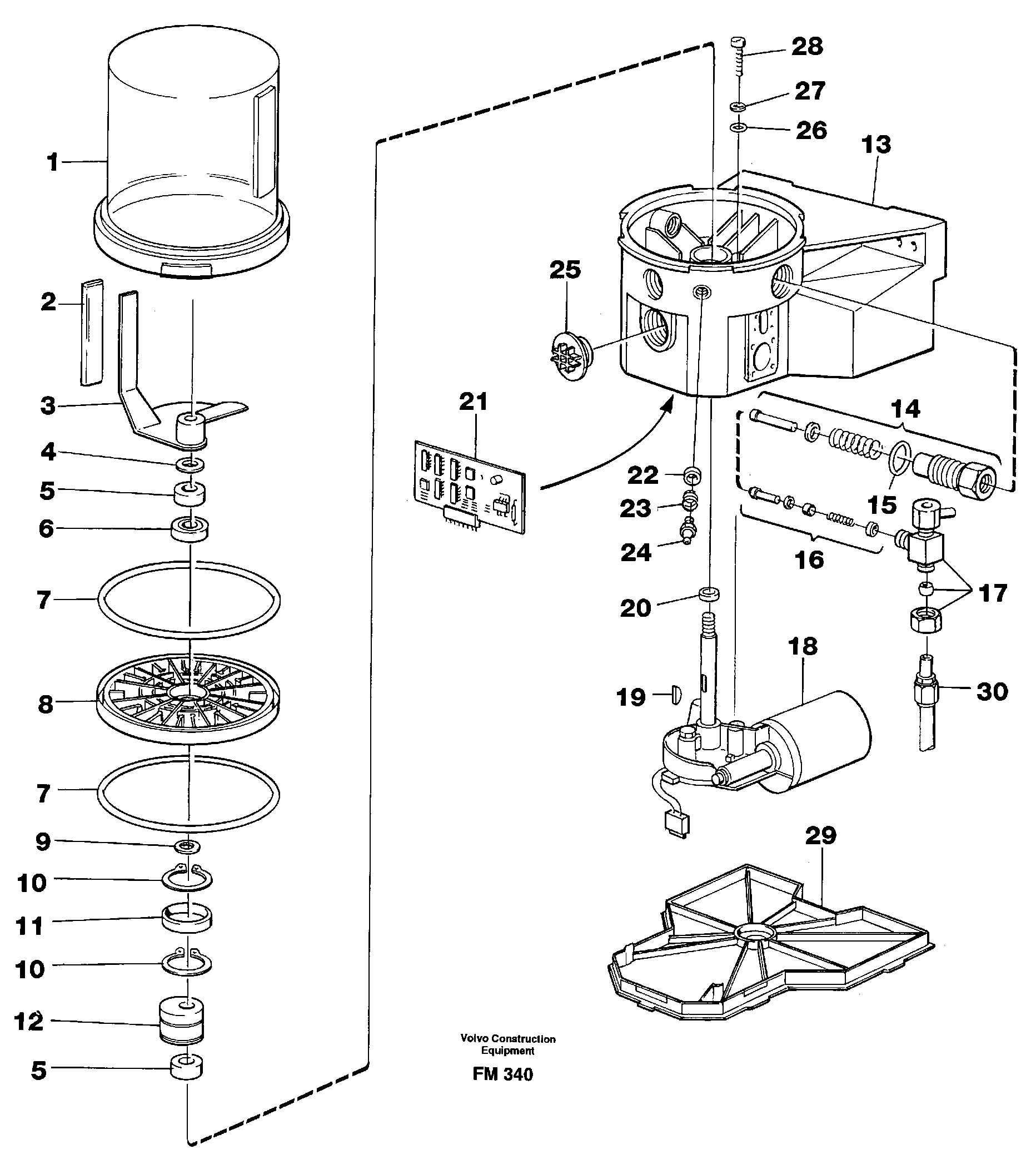
Запчасти Volvo EC650 35057 Automatic lubrication pump EC650 ?KERMAN ?KERMAN EC650 SER NO - 538

Схема запчастей Volvo EC650 - 35057 Automatic lubrication pump EC650 ?KERMAN ?KERMAN EC650 SER NO - 538
FIT
1:1
100%

Артикул

Название

Примечание

Количество

VOE 14266638

Lubricating oil pump

1шт.

1

VOE 11701475

Reservoir

4 LITRE

1шт.

12

VOE 11701480

Eccentric wheel

1шт.

14

VOE 11701491

Pump element

1шт.

15

VOE 11701492

Сальник

1шт.

16

VOE 11701490

Клапан регулирующий (распределительный)

1шт.

17

VOE 14214193

Overflow valve

350 BAR

1шт.

18

VOE 11701489

11701489

24 VOLT

1шт.

19

VOE 11701487

Key

1шт.

20

VOE 11701488

Сальник

1шт.

21

VOE 11701486

Ptd Circuit Bd

1шт.

22

VOE 11701483

Фильтр топливный

1шт.

23

VOE 11701484

Пружина

1шт.

24

VOE 11701485

Lubricating nipple

1шт.

25

VOE 11701482

Sealing plug

1шт.

26

VOE 11701481

Кольцо уплотнительное (О-кольцо)

1шт.

5

VOE 11701476

Bearing race

1шт.

6

VOE 11701477

Подшипник

1шт.

7

VOE 11701478

Кольцо уплотнительное (О-кольцо)

1шт.

8

VOE 11701479

11701479

1шт.

Выбрано товаров: 0