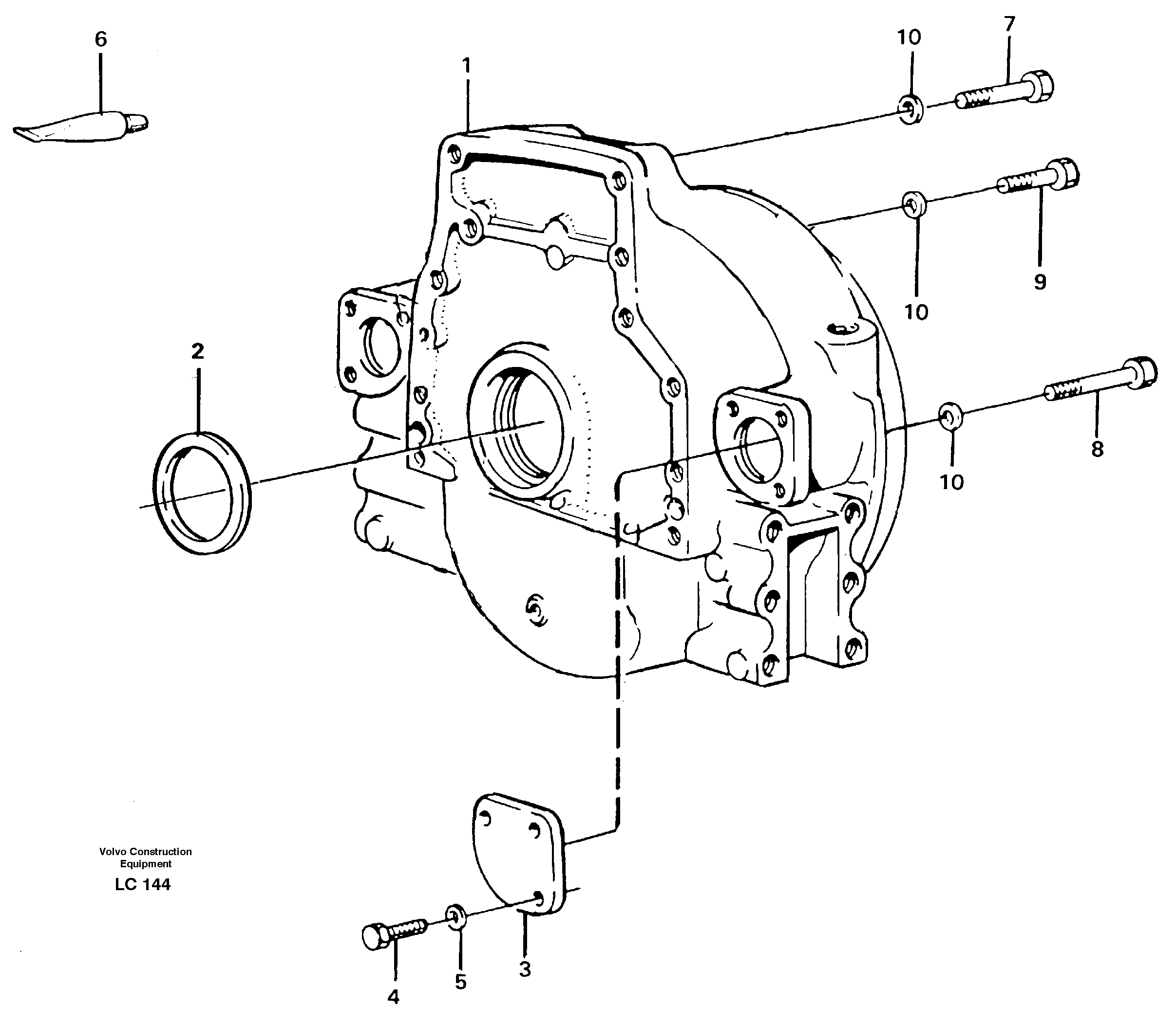
Запчасти Volvo EC650 23171 Картер маховика EC650 SER NO 539-618

Схема запчастей Volvo EC650 - 23171 Картер маховика EC650 SER NO 539-618
FIT
1:1
100%

Артикул

Название

Примечание

Количество

1

VOE 11701057

Casing

1шт.

10

VOE 941911

Шайба пружинная

1шт.

10

VOE 941911

Шайба пружинная

1шт.

2

VOE 3825164

Кольцо уплотнительное

1шт.

2

VOE 3825164

Кольцо уплотнительное

1шт.

3

VOE 423081

Seal Flange

1шт.

3

VOE 423081

Seal Flange

1шт.

4

VOE 13940114

Болт

1шт.

4

VOE 13940114

Болт

1шт.

5

VOE 13942336

Шайба пружинная

1шт.

5

VOE 13942336

Шайба пружинная

1шт.

6

VOE 11713514

Sealant

1шт.

6

VOE 11713514

Sealant

1шт.

7

VOE 955582

Винт шестигранник

1шт.

7

VOE 955582

Винт шестигранник

1шт.

8

VOE 955587

Винт шестигранник

1шт.

8

VOE 955587

Болт

1шт.

9

VOE 955580

Винт шестигранник

1шт.

9

VOE 955580

Винт шестигранник

1шт.

Выбрано товаров: 0