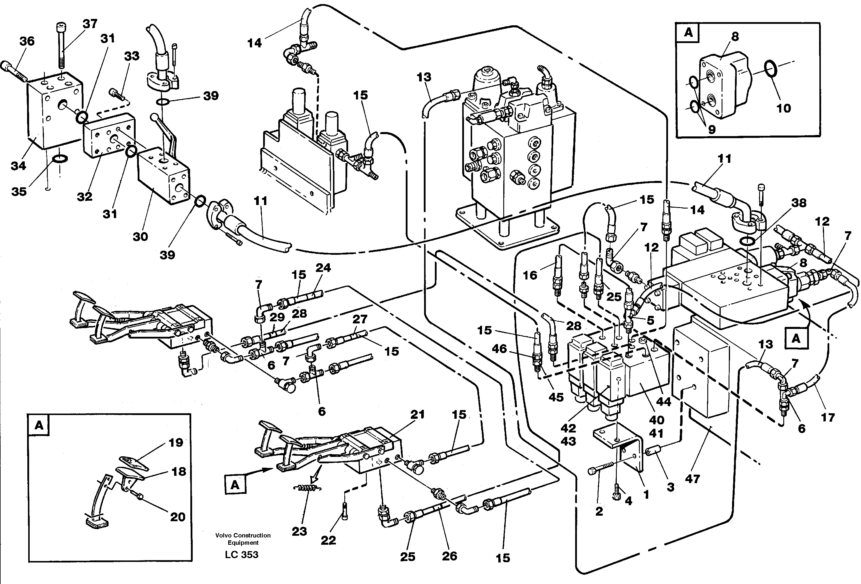
Запчасти Volvo EC650 28886 Shears/hammer hydraulics in base maschine EC650 SER NO 539-618

Схема запчастей Volvo EC650 - 28886 Shears/hammer hydraulics in base maschine EC650 SER NO 539-618
FIT
1:1
100%

Артикул

Название

Примечание

Количество

VOE 14016347

Кольцо уплотнительное (О-кольцо)

1шт.

VOE 14016347

Кольцо уплотнительное (О-кольцо)

1шт.

1

VOE 14268307

14268307

1шт.

10

VOE 13949721

Кольцо уплотнительное (О-кольцо)

1шт.

10

VOE 13949721

Кольцо уплотнительное (О-кольцо)

1шт.

11

VOE 14049936

Hydraulic hose

1шт.

11

VOE 14049936

Hydraulic hose

1шт.

12

VOE 14263251

Hydraulic hose

1шт.

13

VOE 14263252

Hydraulic hose

1шт.

14

VOE 14263252

Hydraulic hose

1шт.

15

VOE 14263249

Hydraulic hose

1шт.

16

VOE 14263244

Hydraulic hose

1шт.

17

VOE 14263254

Hydraulic hose

1шт.

18

VOE 14243548

Pedal plate

1шт.

19

VOE 14025147

Pedal Rubber

1шт.

2

VOE 959207

Allen Hd Screw

1шт.

20

VOE 14213032

Болт

1шт.

20

VOE 14213032

Болт

1шт.

22

VOE 959208

Allen Hd Screw

1шт.

23

VOE 14243540

Пружина натяжная

1шт.

24

VOE 14213152

Marking strip

1шт.

25

VOE 14250306

Hydraulic hose

1шт.

25

VOE 14250306

Hydraulic hose

1шт.

26

VOE 14213154

Marking strip

1шт.

27

VOE 14213151

Marking strip

1шт.

28

VOE 14250305

Hydraulic hose

1шт.

28

VOE 14250305

Hydraulic hose

1шт.

29

VOE 14213153

Marking strip

1шт.

3

VOE 14245064

Вставка

1шт.

3

VOE 14245064

Вставка

1шт.

31

VOE 925063

Кольцо уплотнительное (О-кольцо)

1шт.

31

VOE 925063

Кольцо уплотнительное (О-кольцо)

1шт.

32

VOE 14268363

Адаптер

1шт.

33

VOE 959256

Allen Hd Screw

1шт.

34

VOE 14268362

Адаптер

1шт.

35

VOE 949659

Кольцо уплотнительное (О-кольцо)

1шт.

35

VOE 949659

Кольцо уплотнительное (О-кольцо)

1шт.

36

VOE 959263

Allen Hd Screw

1шт.

37

VOE 13968991

Allen Hd Screw

1шт.

38

VOE 14215715

Кольцо уплотнительное

1шт.

38

VOE 14215715

Кольцо уплотнительное

1шт.

39

VOE 14215716

Кольцо уплотнительное

1шт.

39

VOE 14215716

Кольцо уплотнительное

1шт.

4

VOE 13945444

Болт

1шт.

4

VOE 13945444

Screw

1шт.

40

VOE 14268215

Valve Body

1шт.

41

VOE 14341081

Mounting plate

1шт.

42

VOE 11716048

Встроенный клапан в сборе

1шт.

42

VOE 11716048

Встроенный клапан в сборе

1шт.

43

VOE 959197

Allen Hd Screw

1шт.

44

VOE 14023407

Пробка (заглушка)

1шт.

44

VOE 14023407

Пробка (заглушка)

1шт.

45

VOE 14012413

14012413

1шт.

46

VOE 14023056

14023056

1шт.

5

VOE 14025145

Челночный клапан

1шт.

6

VOE 14012383

14012383

1шт.

7

VOE 14012391

14012391

1шт.

9

VOE 925054

Кольцо уплотнительное (О-кольцо)

1шт.

9

VOE 925054

Кольцо уплотнительное (О-кольцо)

1шт.

Выбрано товаров: 0