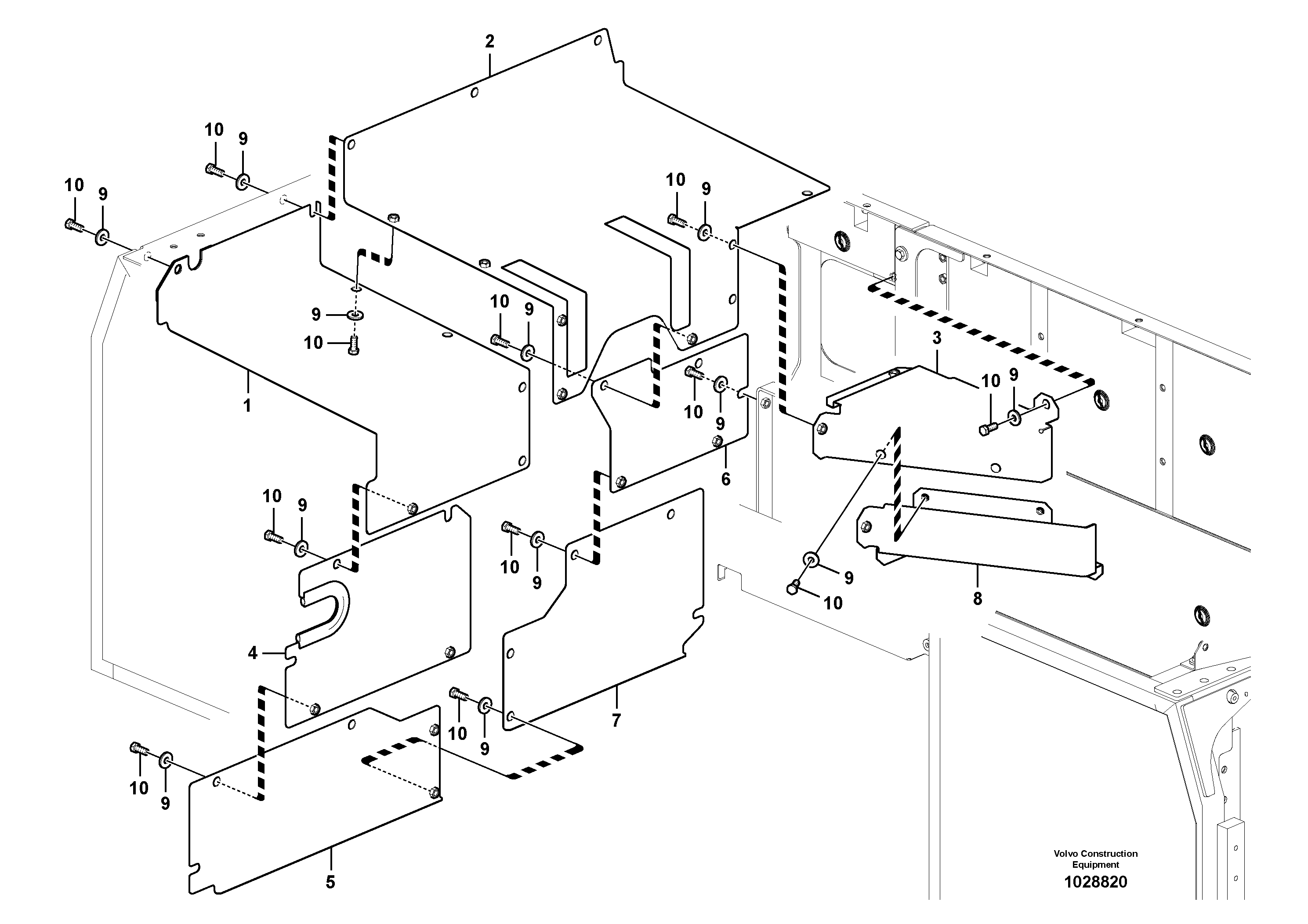
Запчасти Volvo EC700B 23059 Cover, main pump EC700B

Схема запчастей Volvo EC700B - 23059 Cover, main pump EC700B
FIT
1:1
100%

Артикул

Название

Примечание

Количество

1

VOE 14565716

Крышка

1шт.

10

VOE 978932

Болт

1шт.

10

VOE 978932

Винт шестигранник

1шт.

2

VOE 14577487

Крышка

1шт.

3

VOE 14577550

Крышка

1шт.

4

VOE 14565794

Крышка

1шт.

5

VOE 14565795

Крышка

1шт.

6

VOE 14565719

Крышка

1шт.

7

VOE 14524042

Крышка

1шт.

8

VOE 14577536

Крышка

1шт.

9

VOE 14522862

Шайба

1шт.

9

VOE 14522862

Шайба

1шт.

Выбрано товаров: 12