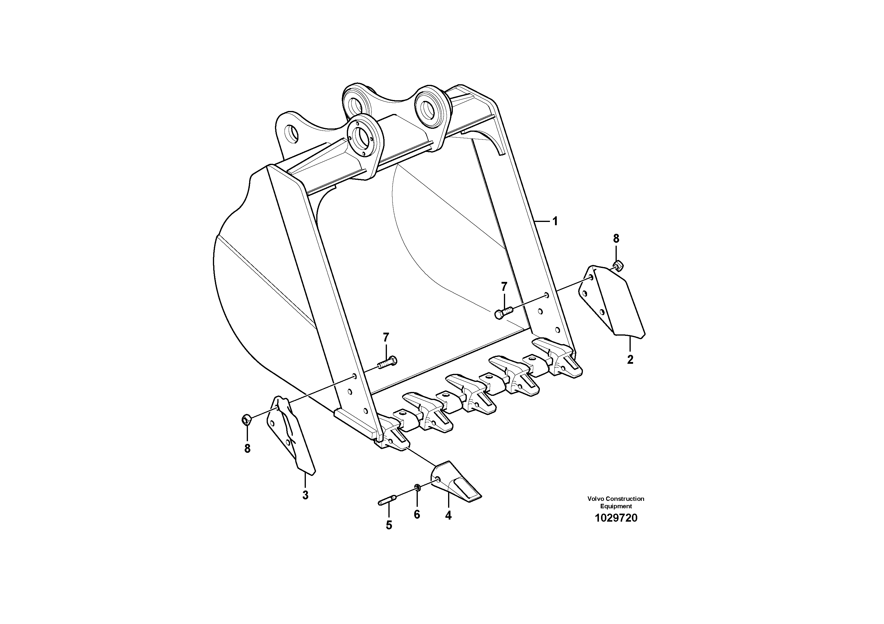
Запчасти Volvo ECR235C 22229 Ковш ECR235C

Схема запчастей Volvo ECR235C - 22229 Ковш ECR235C
FIT
1:1
100%

Артикул

Название

Примечание

Количество

VOE 14540724

Адаптер

1шт.

2

SA 1171-00171

Бокорез (боковой зуб, режущая кромка ковша)

1шт.

3

SA 1171-00181

Бокорез (боковой зуб, режущая кромка ковша)

1шт.

4

SA 1171-00041

Зуб ковша

1шт.

4

SA 1171-00041

Зуб ковша

1шт.

5

SA 1070-61320

Палец

1шт.

6

SA 9213-18000

Шайба

1шт.

7

SA 9012-53021

Болт

1шт.

7

SA 9012-53021

Винт шестигранник

1шт.

8

SA 9112-13001

Гайка

1шт.

8

SA 9112-13001

Гайка

1шт.

Выбрано товаров: 11