Запчасти Volvo ECR305C 39232 Pump drive power take-off ECR305C

Схема запчастей Volvo ECR305C - 39232 Pump drive power take-off ECR305C
FIT
1:1
100%

Артикул

Название

Примечание

Количество

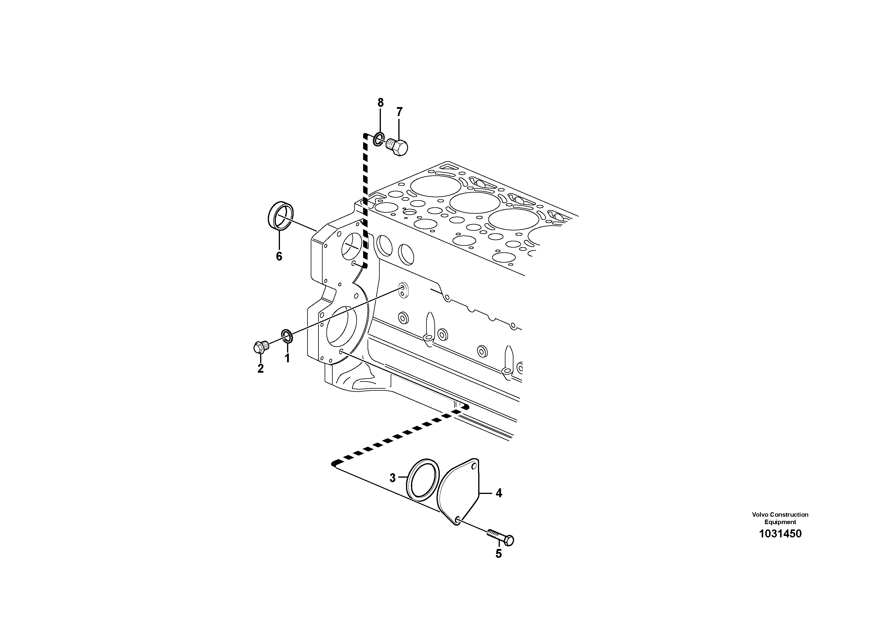
1

VOE 13947621

Plane gasket

1шт.

1

VOE 13947621

Plane gasket

1шт.

2

VOE 20405716

Пробка (заглушка)

1шт.

2

VOE 20405716

Пробка (заглушка)

1шт.

3

VOE 20412359

Кольцо уплотнительное

1шт.

3

VOE 20412359

Кольцо уплотнительное

1шт.

4

VOE 24426064

Крышка

1шт.

5

VOE 888289

Винт шестигранник

1шт.

6

VOE 20450778

Core plug

1шт.

6

VOE 20450778

Core plug

1шт.

7

VOE 20441859

Пробка (заглушка)

1шт.

7

VOE 20441859

Пробка (заглушка)

1шт.

8

VOE 13947281

Прокладка

1шт.

8

VOE 13947281

Прокладка

1шт.

Выбрано товаров: 14